Запчасти Komatsu SAA6D140E-5DR ОБСЛУЖ. АКСЕССУАРЫ (№-) ОБСЛУЖ. АКСЕССУАРЫ, PM-CLINIC СПЕЦ-Я.

Схема запчастей Komatsu SAA6D140E-5DR - ОБСЛУЖ. АКСЕССУАРЫ (№-) ОБСЛУЖ. АКСЕССУАРЫ, PM-CLINIC СПЕЦ-Я.
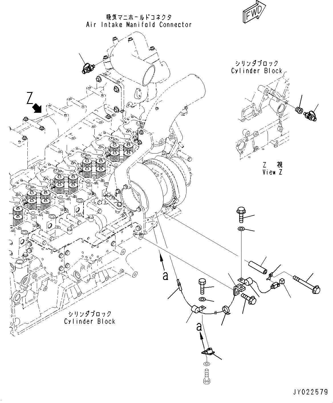
3
4
6
7
8
9
10
11
12
13
14
15
16
17
5
1
1
2
FIT
1:1
100%

Артикул

Название

Примечание

Количество

1

799-101-5160

Nipple

SN: 630332-UP

2шт.

2

202-62-21330

Bushing

SN: 630332-UP

1шт.

3

6215-11-8281

Sensor

SN: 630332-UP

1шт.

4

6240-81-5470

Connector

SN: 630332-UP

1шт.

5

6218-81-8480

Band

SN: 630332-UP

1шт.

6

426-06-11570

Bracket

SN: 630332-UP

1шт.

7

600-051-2050

Clip

SN: 630332-UP

1шт.

8

01435-01016

Bolt

SN: 630332-UP

1шт.

9

01643-31032

Washer

SN: 630332-UP

1шт.

10

6222-83-6620

Bracket, Adjust

SN: 630332-UP

1шт.

11

01435-01225

Bolt

SN: 630332-UP

1шт.

12

600-051-2050

Clip

SN: 630332-UP

1шт.

13

01435-01016

Bolt

SN: 630332-UP

1шт.

14

01643-31032

Washer

SN: 630332-UP

1шт.

15

195-01-16420

Collar

SN: 630332-UP

1шт.

16

08193-20010

Clip

SN: 630332-UP

1шт.

17

01436-01005

Bolt

SN: 630332-UP

1шт.

Выбрано товаров: 17