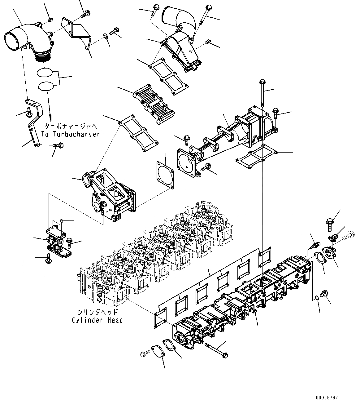
Запчасти Komatsu SAA6D140E-5DR ТРУБОПРОВОД ВПУСКА ВОЗДУХА И СОЕДИН-Е (№-) ТРУБОПРОВОД ВПУСКА ВОЗДУХА И СОЕДИН-Е

Схема запчастей Komatsu SAA6D140E-5DR - ТРУБОПРОВОД ВПУСКА ВОЗДУХА И СОЕДИН-Е (№-) ТРУБОПРОВОД ВПУСКА ВОЗДУХА И СОЕДИН-Е
31
26
27
28
29
31
32
33
30
25
3
35
34
1
10
15
16
17
18
19
20
21
11
12
13
14
5
9
8
7
6
5
4
23
24
34
36
37
38
22
2
FIT
1:1
100%

Артикул

Название

Примечание

Количество

1

6210-11-4811

Gasket

SN: 630332-UP

6шт.

1

6261-11-2310

Manifold

SN: 630798-UP

1шт.

1

6261-11-4111

Manifold

SN: 630672-630797

1шт.

1

6261-11-4110

Manifold, Air Intake

SN: 630332-630797

1шт.

2

6261-11-4111

Manifold

SN: 630798-UP

1шт.

3

01436-01070

Bolt

SN: 630798-UP

20шт.

3

01436-01070

Bolt

SN: 630332-630797

19шт.

4

600-815-4280

Heater

SN: 630332-UP

1шт.

5

6211-11-4821

Gasket

SN: 630332-UP

2шт.

6

6261-11-4360

Connector

SN: 630332-UP

1шт.

7

01435-01065

Bolt

SN: 630332-UP

4шт.

8

01436-01060

Bolt

SN: 630332-UP

2шт.

9

07042-A0108

Plug

SN: 630332-UP

1шт.

10

6261-11-7210

Housing, Junction

SN: 630332-UP

1шт.

11

6261-11-7220

Bracket

SN: 630332-UP

1шт.

12

01435-01025

Bolt

SN: 630332-UP

4шт.

13

01435-01030

Bolt

SN: 630332-UP

4шт.

14

04020-00820

Pin, Dowel

SN: 630332-UP

2шт.

15

6211-11-4821

Gasket

SN: 630332-UP

1шт.

16

6261-11-7410

Connector

SN: 630332-UP

1шт.

17

6261-11-7450

Gasket

SN: 630332-UP

1шт.

18

01435-01030

Bolt

SN: 630332-UP

2шт.

19

01435-01035

Bolt

SN: 630332-UP

2шт.

20

01435-01235

Bolt

SN: 630332-UP

4шт.

21

01436-01080

Bolt

SN: 630332-UP

4шт.

22

6261-81-2700

Sensor Assembly, Boost Pressure

SN: 630332-UP

1шт.

22

6261-81-2710

Sensor

SN: 630332-UP

1шт.

22

6261-81-2720

O-ring

SN: 630332-UP

1шт.

23

01435-00616

Bolt

SN: 630332-UP

2шт.

24

6560-61-7300

Sensor Assembly, Intake Air Temperature

SN: 630332-UP

1шт.

24

6560-61-7310

Sensor

SN: 630332-UP

1шт.

24

6735-21-1930

O-ring

SN: 630332-UP

1шт.

25

6261-11-4420

Connector

SN: 630332-UP

1шт.

26

6261-11-4480

Bracket

SN: 630332-UP

1шт.

27

6261-11-4490

Bracket

SN: 630332-UP

1шт.

28

01020-11025

Bolt, Stainless

SN: 630332-UP

2шт.

29

01643-51032

Washer

SN: 630332-UP

2шт.

30

01435-01035

Bolt

SN: 630332-UP

2шт.

31

01435-01030

Bolt

SN: 630332-UP

4шт.

32

02895-77075

O-ring

SN: 630332-UP

2шт.

33

07042-A0108

Plug

SN: 630332-UP

2шт.

34

6212-61-6662

Gasket

SN: 630332-UP

2шт.

35

6215-61-6670

Plate

SN: 630332-UP

1шт.

36

6261-11-4160

Block

SN: 630332-UP

1шт.

37

07040-11409

Plug

SN: 630332-UP

1шт.

38

07002-21423

O-ring

SN: 630332-UP

1шт.

Выбрано товаров: 46