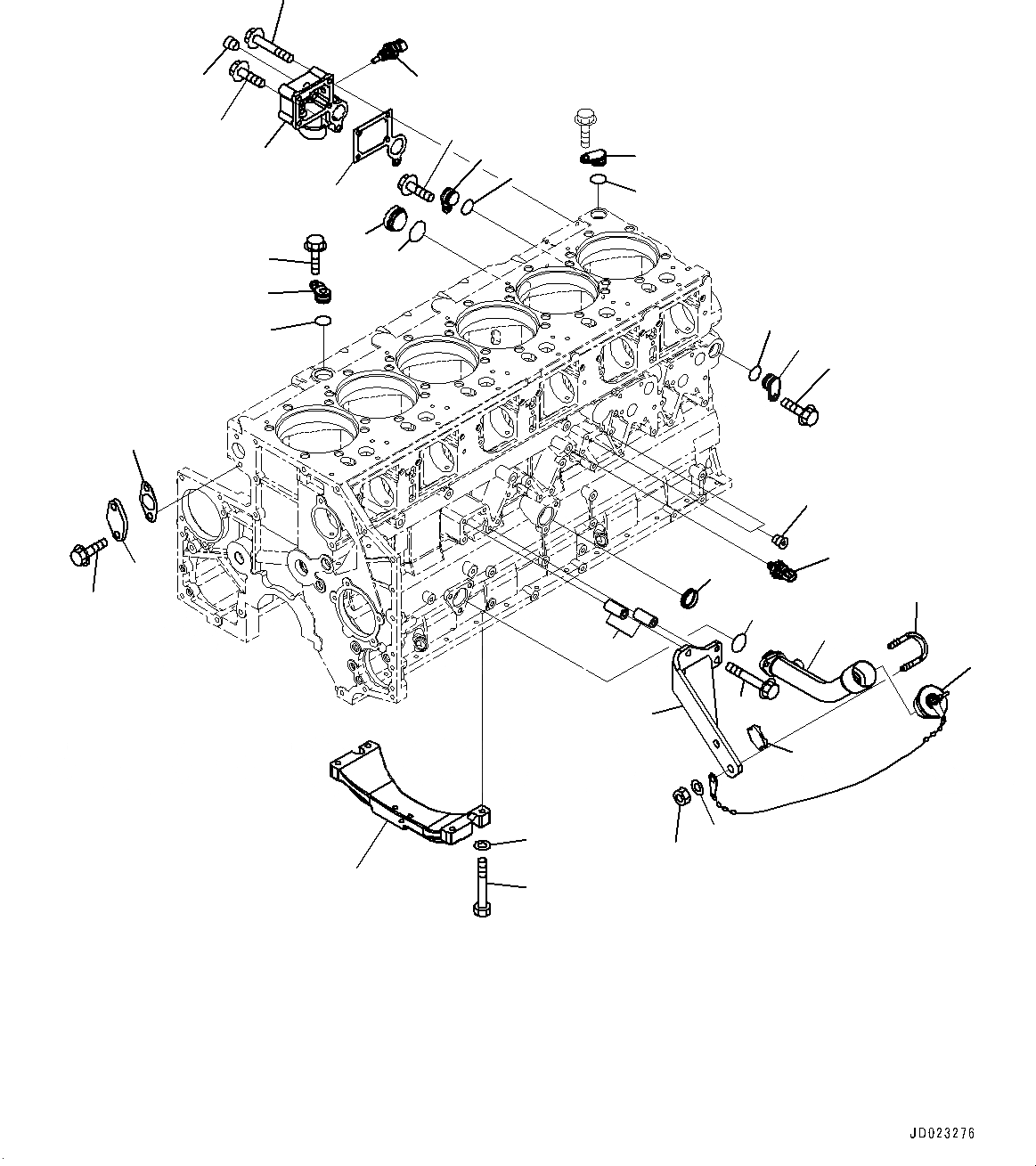
Запчасти Komatsu SAA6D140E-5DR ЭЛЕМЕНТЫ БЛОКА ЦИЛИНДРОВ, МАСЛОНАЛИВНОЙ ПАТРУБОК И ДАТЧИК (№-) ЭЛЕМЕНТЫ БЛОКА ЦИЛИНДРОВ

Схема запчастей Komatsu SAA6D140E-5DR - ЭЛЕМЕНТЫ БЛОКА ЦИЛИНДРОВ, МАСЛОНАЛИВНОЙ ПАТРУБОК И ДАТЧИК (№-) ЭЛЕМЕНТЫ БЛОКА ЦИЛИНДРОВ
1
2
3
4
5
6
7
8
9
10
11
12
13
14
15
16
17
18
19
20
21
22
23
24
25
26
27
28
29
30
31
32
28
31
28
32
32
30
FIT
1:1
100%

Артикул

Название

Примечание

Количество

1

6261-21-1990

Cover

SN: 630332-630334

1шт.

2

6261-21-1970

Gasket

SN: 630332-630334

1шт.

3

01435-01065

Bolt

SN: 630332-630334

4шт.

4

01435-01035

Bolt

SN: 630332-630334

1шт.

5

07043-A0415

Plug

SN: 630332-630334

1шт.

6

07043-70108

Plug

SN: 630332-630334

2шт.

7

6219-81-1961

Sensor Assembly, Oil Pressure

SN: 630332-630334

1шт.

7

6219-81-1991

O-ring

SN: 630332-630334

1шт.

8

6150-21-1180

Plug

SN: 630332-630334

1шт.

9

6150-21-1190

O-ring

SN: 630332-630334

1шт.

10

6217-21-1220

Bracket, Under Frame

SN: 630332-630334

1шт.

11

01010-81050

Bolt

SN: 630332-630334

4шт.

12

01643-31032

Washer

SN: 630332-630334

4шт.

13

6261-21-7310

Filler, Oil

SN: 630332-630334

1шт.

14

07000-73034

O-ring

SN: 630332-630334

1шт.

15

07025-00100

Cap, Oil Filler

SN: 630332-630334

1шт.

16

6261-21-7320

Bracket

SN: 630332-630334

1шт.

17

01435-01070

Bolt

SN: 630332-630334

2шт.

18

6152-21-6590

Spacer

SN: 630332-630334

2шт.

19

07283-34354

Clip, Pipe

SN: 630332-630334

1шт.

20

07283-54353

Seat

SN: 630332-630334

1шт.

21

01643-31032

Washer

SN: 630332-630334

2шт.

22

01597-01009

Nut

SN: 630332-630334

2шт.

23

07046-44016

Plug

SN: 630332-630334

1шт.

24

6261-81-6901

Sensor Assembly, Water Temperature

SN: 630332-630334

1шт.

24

6216-84-9740

Seal

SN: 630332-630334

1шт.

25

6210-21-1950

Flange

SN: 630332-630334

1шт.

26

6696-61-9921

Gasket

SN: 630332-630334

1шт.

27

01435-01225

Bolt

SN: 630332-630334

2шт.

28

6217-21-1940

Cover

SN: 630332-630334

3шт.

29

6218-21-1940

Cover

SN: 630332-630334

1шт.

30

6215-61-6630

O-ring

SN: 630332-630334

2шт.

31

07000-73025

O-ring

SN: 630332-630334

2шт.

32

01435-01020

Bolt

SN: 630332-630334

3шт.

Выбрано товаров: 34