Запчасти Komatsu SAA6D140E-5DR-W ЭЛЕКТР. ЭЛЕКТРОПРОВОДКА (/)(№-) ДВИГАТЕЛЬ

Схема запчастей Komatsu SAA6D140E-5DR-W - ЭЛЕКТР. ЭЛЕКТРОПРОВОДКА (/)(№-) ДВИГАТЕЛЬ
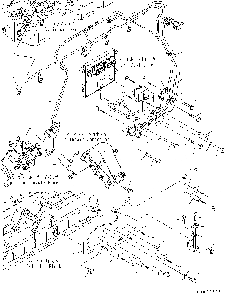
1
2
3
3
4
5
6
6
7
7
8
9
10
11
12
12
13
14
15
16
17
18
18
19
20
21
21
22
22
22
23
23
23
24
25
26
27
28
29
30
31
32
33
34
34
35
36
FIT
1:1
100%

Артикул

Название

Примечание

Количество

1

6211-81-4280

WIRE, 220MM

SN: 630036-UP

1шт.

2

01643-51032

WASHER

SN: 630036-UP

1шт.

3

6261-81-8990

WIRE HARNESS

SN: 630036-UP

1шт.

4

6261-81-6120

WIRE HARNESS

SN: 630036-UP

1шт.

5

6261-81-8431

BRACKET

SN: 630036-UP

1шт.

6

01435-01025

BOLT

SN: 630036-UP

2шт.

7

01435-01045

BOLT

SN: 630036-UP

2шт.

8

6261-81-1380

BRACKET

SN: 630036-UP

1шт.

9

01435-01020

BOLT

SN: 630036-UP

2шт.

10

6261-81-2600

SENSOR,AMBIENT AIR PRESSURE

SN: 630036-UP

1шт.

11

6251-81-9680

PLATE

SN: 630036-UP

1шт.

12

01252-60516

BOLT

SN: 630036-UP

2шт.

13

195-01-16420

COLLAR

SN: 630036-UP

1шт.

14

600-051-2180

CLIP

SN: 630036-UP

1шт.

15

600-051-2080

CLIP

SN: 630036-UP

1шт.

16

01643-31032

WASHER

SN: 630036-UP

1шт.

17

01436-01015

BOLT

SN: 630036-UP

1шт.

18

6150-81-6940

SPACER

SN: 630036-UP

3шт.

19

600-051-2100

CLIP

SN: 630036-UP

2шт.

20

600-051-2180

CLIP

SN: 630036-UP

1шт.

21

600-051-2080

CLIP

SN: 630036-UP

2шт.

22

01643-31032

WASHER

SN: 630036-UP

3шт.

23

01435-01075

BOLT

SN: 630036-UP

3шт.

24

144-874-7470

BOSS

SN: 630036-UP

1шт.

25

600-051-2100

CLIP

SN: 630036-UP

2шт.

26

01643-31032

WASHER

SN: 630036-UP

1шт.

27

01435-01045

BOLT

SN: 630036-UP

1шт.

28

6150-81-6940

SPACER

SN: 630036-UP

1шт.

29

6218-81-8440

CLAMP

SN: 630036-UP

1шт.

30

01435-01080

BOLT

SN: 630036-UP

1шт.

31

144-874-7470

BOSS

SN: 630036-UP

1шт.

32

6218-81-8430

CLAMP

SN: 630036-UP

1шт.

33

01435-01085

BOLT

SN: 630036-UP

1шт.

34

6218-81-8490

BAND

SN: 630036-UP

4шт.

35

08193-20010

CLIP

SN: 630036-UP

1шт.

36

01435-01016

BOLT

SN: 630036-UP

1шт.

Выбрано товаров: 36