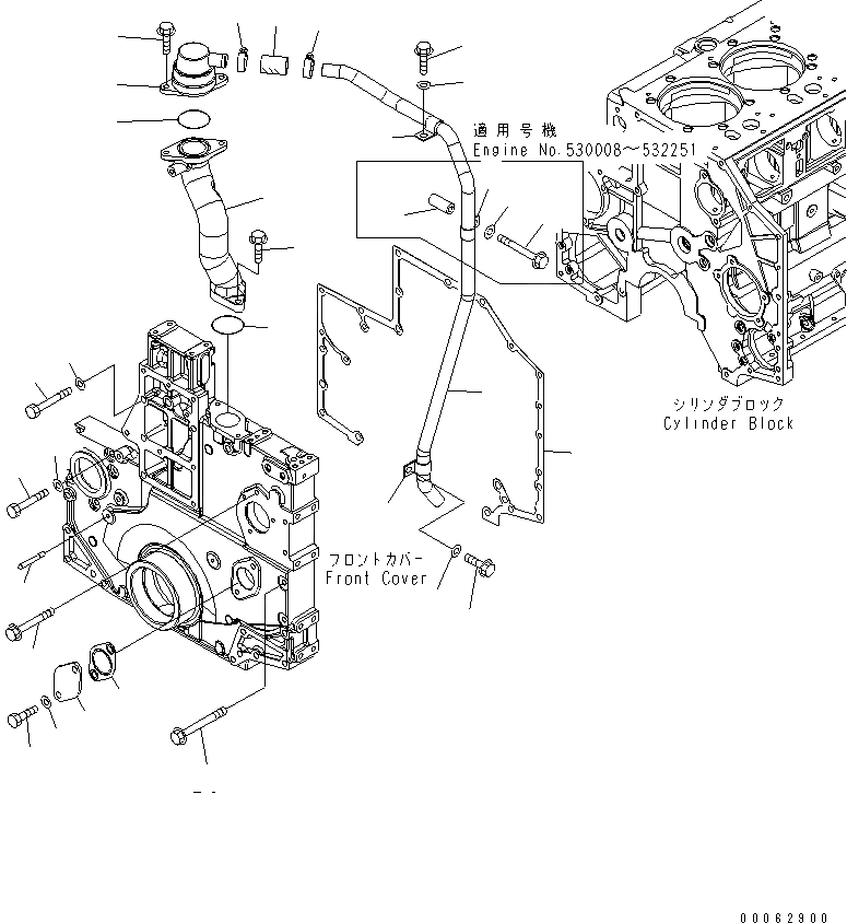
Запчасти Komatsu SAA6D140E-5E-01 ЭЛЕМЕНТЫ ПЕРЕДН. КРЫШКИ (POINTER И САПУН КРЕПЛЕНИЕ)(№8-) ДВИГАТЕЛЬ

Схема запчастей Komatsu SAA6D140E-5E-01 - ЭЛЕМЕНТЫ ПЕРЕДН. КРЫШКИ (POINTER И САПУН КРЕПЛЕНИЕ)(№8-) ДВИГАТЕЛЬ
1
2
3
4
4
5
6
7
7
8
9
9
9
10
11
12
13
14
14
15
16
17
18
19
20
20A
21
22
23
24
25
26
FIT
1:1
100%

Артикул

Название

Примечание

Количество

1

6212-25-8710

BREATHER

SN: 530008-UP

1шт.

2

01435-01025

BOLT

SN: 530008-UP

2шт.

3

01435-01035

BOLT

SN: 530008-UP

2шт.

4

07000-72060

O-RING

SN: 530008-UP

2шт.

5

6261-21-8610

CONNECTOR,BREATHER

SN: 530008-UP

1шт.

6

6141-64-7841

HOSE

SN: 530008-UP

1шт.

7

07281-00419

CLAMP

SN: 530008-UP

2шт.

8

6261-21-8770

TUBE,BREATHER

SN: 530008-UP

1шт.

9

154-04-12420

CLAMP

SN: 532252-UP

2шт.

9

154-04-12420

CLAMP

SN: 530008-532251

3шт.

10

01435-01020

BOLT

SN: 530008-UP

1шт.

11

01435-01070

BOLT

SN: 530008-532251

1шт.

12

6152-51-5520

SPACER

SN: 530008-532251

1шт.

13

01435-01225

BOLT

SN: 530008-UP

1шт.

14

01643-31032

WASHER

SN: 532252-UP

1шт.

14

01643-31032

WASHER

SN: 530008-532251

2шт.

15

01643-31232

WASHER

SN: 530008-UP

1шт.

16

6251-21-3211

PLATE

SN: 530008-UP

1шт.

17

6251-21-3231

GASKET

SN: 530008-UP

1шт.

18

6210-22-3910

POINTER

SN: 530008-UP

1шт.

19

6217-21-3251

GASKET

SN: 530008-UP

1шт.

20

01010-81275

BOLT

SN: 530008-UP

1шт.

20A

01643-31232

WASHER

SN: 533020-UP

1шт.

20A

01640-21223

WASHER

SN: 530008-533019

1шт.

21

01010-81290

BOLT

SN: 530008-UP

7шт.

22

01643-31232

WASHER

SN: 533020-UP

7шт.

22

01640-21223

WASHER

SN: 530008-533019

7шт.

23

01436-01010

BOLT

SN: 530008-UP

1шт.

24

01435-01090

BOLT

SN: 530008-UP

3шт.

25

6251-21-3250

GASKET

SN: 530008-UP

2шт.

26

01050-51225

BOLT

SN: 530008-UP

2шт.

Выбрано товаров: 31