Запчасти Komatsu SAA6D140E-5E ТЕРМОЗАЩИТА (/) (ТУРБОНАГНЕТАТЕЛЬ И ВЫПУСКНОЙ КОЛЛЕКТОР)(№8-) ДВИГАТЕЛЬ

Схема запчастей Komatsu SAA6D140E-5E - ТЕРМОЗАЩИТА (/) (ТУРБОНАГНЕТАТЕЛЬ И ВЫПУСКНОЙ КОЛЛЕКТОР)(№8-) ДВИГАТЕЛЬ
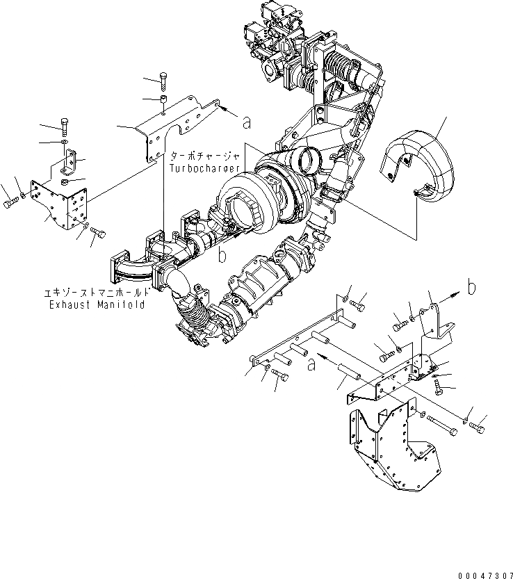
1
2
2
2
3
3
3
4
5
5
6
6
7
8
9
10
10
11
12
13
14
15
16
17
18
19
20
21
22
FIT
1:1
100%

Артикул

Название

Примечание

Количество

1

6261-11-9670

COVER

SN: 530008-UP

1шт.

2

01010-81025

BOLT

SN: 530008-UP

7шт.

3

01643-31032

WASHER

SN: 530008-UP

7шт.

4

6261-11-8880

COVER

SN: 530008-UP

1шт.

5

01010-81025

BOLT

SN: 530008-UP

4шт.

6

01643-31032

WASHER

SN: 530008-UP

4шт.

7

6261-11-8420

BRACKET

SN: 530008-UP

1шт.

8

01010-81025

BOLT

SN: 530008-UP

2шт.

9

01010-81045

BOLT

SN: 530008-UP

1шт.

10

01643-31032

WASHER

SN: 530008-UP

3шт.

11

6261-11-8530

BRACKET

SN: 530008-UP

1шт.

12

01010-E1040

BOLT

SN: 530008-UP

2шт.

13

6631-11-5630

SPACER

SN: 530008-UP

2шт.

14

6261-11-8490

BRACKET

SN: 530008-UP

1шт.

15

01010-81040

BOLT

SN: 530008-UP

1шт.

16

01643-31032

WASHER

SN: 530008-UP

1шт.

17

6132-21-4630

SPACER

SN: 530008-UP

1шт.

18

6261-11-4841

BRACKET

SN: 530008-UP

1шт.

19

01020-11025

BOLT

SN: 530008-UP

1шт.

20

01643-51032

WASHER

SN: 530008-UP

1шт.

21

6215-71-6190

SPACER

SN: 530008-UP

1шт.

22

6261-11-8430

COVER

SN: 530008-UP

1шт.

Выбрано товаров: 22