Запчасти Komatsu SAA6D140E-5E МАСЛ. ФИЛЬТР И ТРУБЫ(№8-) ДВИГАТЕЛЬ

Схема запчастей Komatsu SAA6D140E-5E - МАСЛ. ФИЛЬТР И ТРУБЫ(№8-) ДВИГАТЕЛЬ
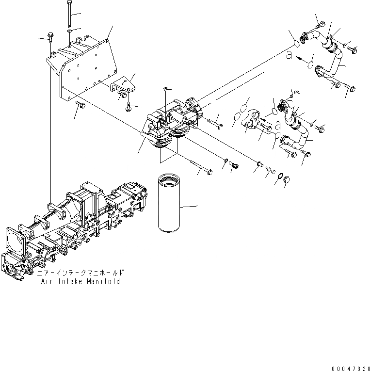
1
2
3
4
5
6
7
8
9
10
11
12
13
14
14
15
15
16
16
17
17
18
18
19
19
20
20
21
21
22
23
24
24
25
25
26
27
28
29
30
31
32
32
FIT
1:1
100%

Артикул

Название

Примечание

Количество

|$2

6261-51-6800

HEAD ASS'Y,OIL FILTER

SN: 530008-UP

1шт.

1

6261-51-6810

HEAD

SN: 530008-UP

1шт.

2

6217-51-5660

CAP

SN: 530008-UP

1шт.

3

6162-55-5230

VALVE

SN: 530008-UP

1шт.

4

6162-53-5430

PACKING

SN: 530008-UP

1шт.

5

600-211-1890

SPRING

SN: 530008-UP

1шт.

6

600-211-1940

ALARM ASS'Y

SN: 530008-UP

1шт.

7

07005-01612

GASKET

SN: 530008-UP

1шт.

8

07043-A0108

PLUG

SN: 530008-UP

1шт.

9

600-211-1340

CARTRIDGE,OIL

SN: 530008-UP

2шт.

10

01436-01005

BOLT

SN: 530008-UP

3шт.

11

01436-01040

BOLT

SN: 530008-UP

3шт.

12

6261-51-6330

TUBE,INLET

SN: 530008-UP

1шт.

13

6261-51-6340

TUBE,RETURN

SN: 530008-UP

1шт.

14

07000-73034

O-RING

SN: 530008-UP

2шт.

15

01435-01025

BOLT

SN: 530008-UP

4шт.

16

6165-61-6770

CLIP

SN: 530008-UP

2шт.

17

6261-51-5751

CUSHION

SN: 531669-UP

2шт.

|$21

6261-51-5750

CUSHION

SN: 530008-531668

2шт.

18

01435-01020

BOLT

SN: 530008-UP

2шт.

19

01643-31032

WASHER

SN: 530008-UP

2шт.

20

07000-73038

O-RING

SN: 530008-UP

2шт.

21

07000-73034

O-RING

SN: 530008-UP

2шт.

22

6261-51-5180

FLANGE

SN: 530008-UP

1шт.

23

01435-01045

BOLT

SN: 530008-UP

2шт.

24

01435-01050

BOLT

SN: 530008-UP

2шт.

25

01435-01020

BOLT

SN: 530008-UP

2шт.

26

6261-51-6370

BRACKET

SN: 530008-UP

1шт.

27

700-26-11122

BOLT

SN: 531940-UP

2шт.

|$33

6212-15-5350

BOLT

SN: 530008-531939

2шт.

28

01643-31032

WASHER

SN: 530008-UP

2шт.

29

01435-01025

BOLT

SN: 530008-UP

4шт.

30

01435-01035

BOLT

SN: 531005-UP

2шт.

|$37

01435-01035

BOLT

SN: 530008-531004

4шт.

31

6261-51-6360

BRACKET

SN: 530008-UP

1шт.

32

01435-01030

BOLT

SN: 530008-UP

4шт.

Выбрано товаров: 36