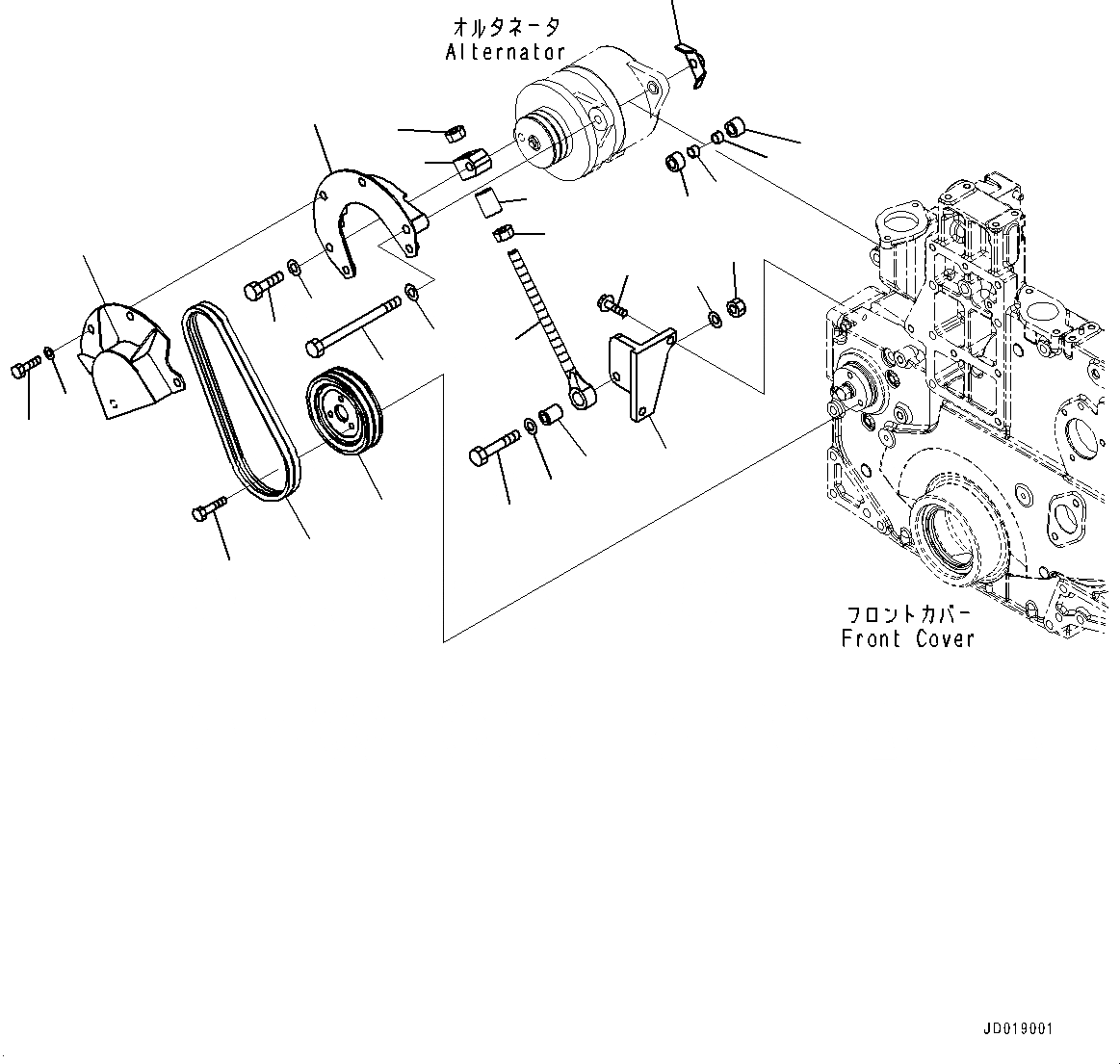
Запчасти Komatsu SAA6D140E-5ER ГЕНЕРАТОР, КРЕПЛЕНИЕ (№8-) ГЕНЕРАТОР, 7AMP., ДЛЯ ЗАПЫЛЕНН. РАЙОНОВ

Схема запчастей Komatsu SAA6D140E-5ER - ГЕНЕРАТОР, КРЕПЛЕНИЕ (№8-) ГЕНЕРАТОР, 7AMP., ДЛЯ ЗАПЫЛЕНН. РАЙОНОВ
13
4
3
4
5
6
7
8
12
11
10
9
1
2
15
16
17
18
19
20
21
22
23
24
25
26
14
15
FIT
1:1
100%

Артикул

Название

Примечание

Количество

1

6732-81-6840

Bolt

SN: 630228-UP

1шт.

2

6261-81-6890

Bracket

SN: 630228-UP

1шт.

3

01640-21323

Washer

SN: 630228-UP

1шт.

4

6210-61-6530

Pin

SN: 630228-UP

2шт.

5

6210-81-6750

Spacer

SN: 630228-UP

1шт.

6

6217-81-6550

Spacer

SN: 630228-UP

1шт.

7

6240-81-8611

Rod, Adjusting

SN: 630228-UP

1шт.

8

6261-81-8340

Plate

SN: 630228-UP

1шт.

9

6215-81-6150

Pin

SN: 630228-UP

1шт.

10

01010-81260

Bolt

SN: 630228-UP

1шт.

11

01643-31232

Washer

SN: 630228-UP

1шт.

12

01580-11210

Nut

SN: 630228-UP

1шт.

13

01643-31232

Washer

SN: 630228-UP

1шт.

14

6261-81-8350

Spacer

SN: 630228-UP

1шт.

15

01580-11613

Nut

SN: 630228-UP

2шт.

16

6210-82-6570

Bracket

SN: 630228-UP

1шт.

17

01435-01025

Bolt

SN: 630228-UP

2шт.

18

01050-51260

Bolt

SN: 630228-UP

1шт.

19

01643-31232

Washer

SN: 630228-UP

1шт.

20

6261-81-6440

Cover

SN: 630228-UP

1шт.

21

6261-81-6430

Cover

SN: 630228-UP

1шт.

22

01050-51020

Bolt

SN: 630228-UP

4шт.

23

01640-21016

Washer

SN: 630228-UP

4шт.

24

6210-81-6960

V-belt Set

SN: 630228-UP

1шт.

25

6210-82-6840

Pulley

SN: 630228-UP

1шт.

26

01010-80820

Bolt

SN: 630228-UP

3шт.

Выбрано товаров: 26