Запчасти Komatsu SAA6D140E-5ER ЭЛЕКТРИЧ. ПРОВОДКА, (/) (№-) ЭЛЕКТРИЧ. ПРОВОДКА

Схема запчастей Komatsu SAA6D140E-5ER - ЭЛЕКТРИЧ. ПРОВОДКА, (/) (№-) ЭЛЕКТРИЧ. ПРОВОДКА
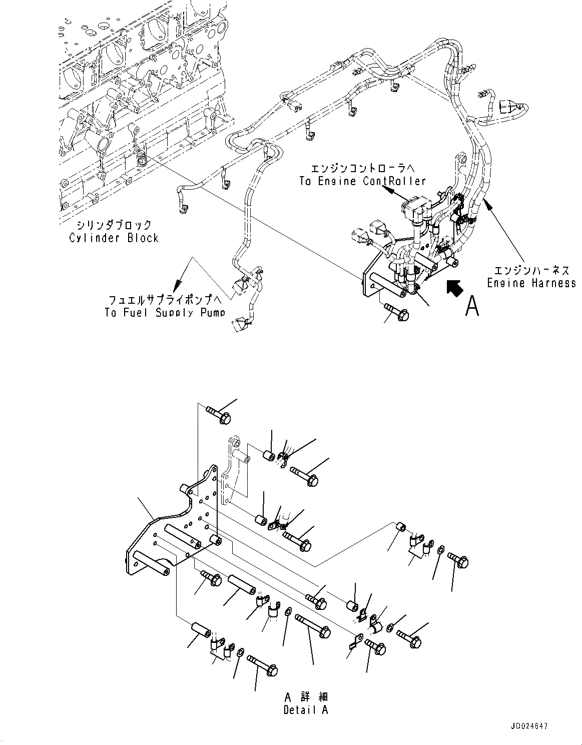
19
4
20
2
3
14
9
12
15
13
9
8
16
9
11
15
13
9
4
11
18
5
11
17
7
10
1
14
6
19
19
4
2
21
FIT
1:1
100%

Артикул

Название

Примечание

Количество

1

01435-01016

Bolt

SN: 630624-UP

1шт.

2

01435-01025

Bolt

SN: 630624-UP

2шт.

3

01435-01035

Bolt

SN: 630624-UP

1шт.

4

01435-01045

Bolt

SN: 630624-UP

3шт.

5

01435-01050

Bolt

SN: 630624-UP

1шт.

6

01435-01075

Bolt

SN: 630624-UP

1шт.

7

01435-01085

Bolt

SN: 630624-UP

1шт.

8

01436-01015

Bolt

SN: 630624-UP

1шт.

9

01643-31032

Washer

SN: 630624-UP

4шт.

10

08193-20010

Clip

SN: 630624-UP

1шт.

11

144-874-7470

Boss

SN: 630624-UP

3шт.

12

195-01-16420

Collar

SN: 630624-UP

1шт.

13

600-051-2080

Clip

SN: 630624-UP

2шт.

14

600-051-2100

Clip

SN: 630624-UP

4шт.

15

600-051-2180

Clip

SN: 630624-UP

2шт.

16

6150-81-6940

Spacer

SN: 630624-UP

1шт.

17

6218-81-8430

Clamp

SN: 630624-UP

1шт.

18

6218-81-8440

Clamp

SN: 630624-UP

1шт.

19

6218-81-8490

Band

SN: 630624-UP

3шт.

20

6261-81-8431

Bracket

SN: 630624-UP

1шт.

21

6631-11-5630

Spacer

SN: 630624-UP

1шт.

Выбрано товаров: 0