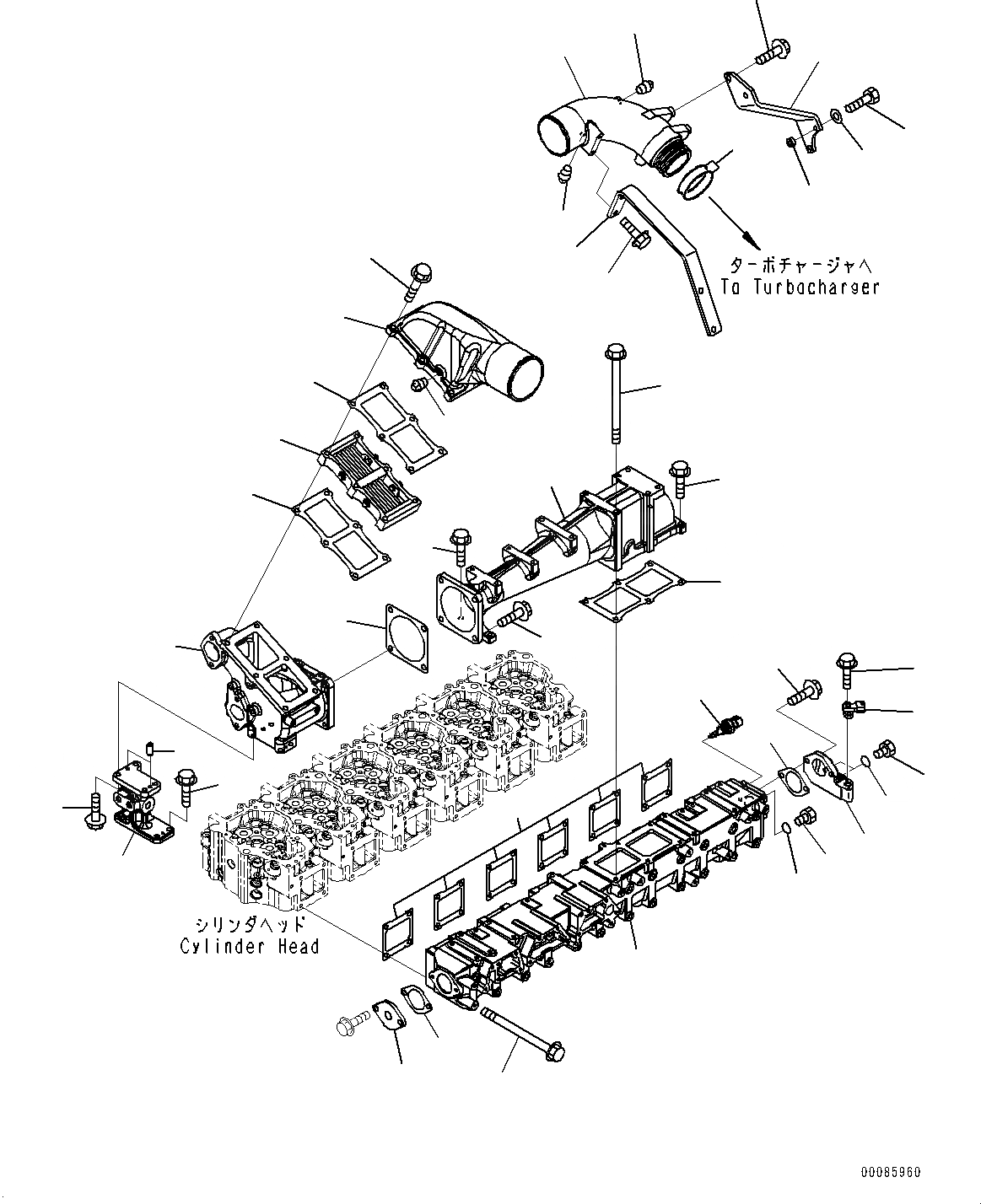
Запчасти Komatsu SAA6D140E-5ER ТРУБОПРОВОД ВПУСКА ВОЗДУХА И СОЕДИН-Е (№8-) ТРУБОПРОВОД ВПУСКА ВОЗДУХА И СОЕДИН-Е

Схема запчастей Komatsu SAA6D140E-5ER - ТРУБОПРОВОД ВПУСКА ВОЗДУХА И СОЕДИН-Е (№8-) ТРУБОПРОВОД ВПУСКА ВОЗДУХА И СОЕДИН-Е
5
9
8
7
5
4
6
10
11
12
13
14
16
20
19
18
17
15
37
23
38
24
25
26
27
28
29
30
31
32
29
31
38
37
33
35
36
21
22
33
2
34
1
3
FIT
1:1
100%

Артикул

Название

Примечание

Количество

1

6210-11-4811

Gasket

SN: 630228-UP

6шт.

1

6261-11-2310

Manifold, Air Intake

SN: 630773-UP

1шт.

1

6261-11-4110

Manifold, Air Intake

SN: 630228-630772

1шт.

2

6261-11-4111

Manifold, Air Intake

SN: 630773-UP

1шт.

3

01436-01070

Bolt

SN: 630228-UP

20шт.

4

600-815-4280

Heater

SN: 630228-UP

1шт.

5

6211-11-4821

Gasket

SN: 630228-UP

2шт.

6

6261-11-4310

Connector

SN: 630228-UP

1шт.

7

01435-01070

Bolt

SN: 630228-UP

6шт.

8

07042-A0108

Plug

SN: 630228-UP

1шт.

9

6261-11-7210

Housing, Junction

SN: 630228-UP

1шт.

10

6261-11-7220

Bracket

SN: 630228-UP

1шт.

11

01435-01025

Bolt

SN: 630228-UP

4шт.

12

01435-01030

Bolt

SN: 630228-UP

2шт.

13

04020-00820

Pin, Dowel

SN: 630228-UP

2шт.

14

6211-11-4821

Gasket

SN: 630228-UP

1шт.

15

6261-11-7410

Connector

SN: 630228-UP

1шт.

16

6261-11-7450

Gasket

SN: 630228-UP

1шт.

17

01435-01030

Bolt

SN: 630228-UP

2шт.

18

01435-01035

Bolt

SN: 630228-UP

2шт.

19

01435-01235

Bolt

SN: 630228-UP

4шт.

20

01436-01080

Bolt

SN: 630228-UP

2шт.

21

6261-81-2700

Sensor Assembly, Boost Pressure

SN: 630228-UP

1шт.

21

6261-81-2710

Sensor

SN: 630228-UP

1шт.

21

6261-81-2720

O-ring

SN: 630228-UP

1шт.

22

01435-00616

Bolt

SN: 630228-UP

2шт.

23

6560-61-7300

Sensor Assembly, Intake Air Temperature

SN: 630228-UP

1шт.

23

6560-61-7310

Sensor

SN: 630228-UP

1шт.

23

6735-21-1930

O-ring

SN: 630228-UP

1шт.

24

6218-11-4420

Connector

SN: 630228-UP

1шт.

25

6218-11-4491

Bracket

SN: 630228-UP

1шт.

26

6261-11-4540

Bracket

SN: 630228-UP

1шт.

27

01020-11035

Bolt, Stainless

SN: 630228-UP

2шт.

28

01643-51032

Washer

SN: 630228-UP

2шт.

29

01435-01030

Bolt

SN: 630228-UP

4шт.

30

02895-77075

O-ring

SN: 630228-UP

2шт.

31

07042-A0108

Plug

SN: 630228-UP

2шт.

32

21T-72-14930

Boss

SN: 630228-UP

1шт.

33

6212-61-6662

Gasket

SN: 630228-UP

2шт.

34

6215-61-6670

Plate

SN: 630228-UP

1шт.

35

6261-11-4150

Block

SN: 630228-UP

1шт.

36

01435-01030

Bolt

SN: 630228-UP

2шт.

37

07002-21423

O-ring

SN: 630228-UP

3шт.

38

07040-11409

Plug

SN: 630228-UP

3шт.

Выбрано товаров: 44