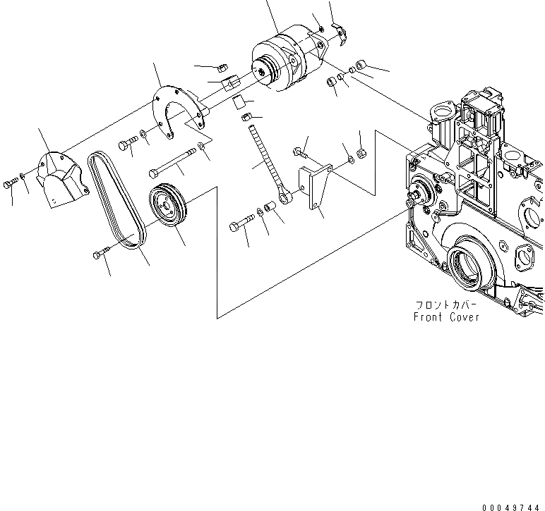
Запчасти Komatsu SAA6D140E-5ER-W КРЕПЛЕНИЕ ГЕНЕРАТОРА (ДЛЯ A ГЕНЕРАТОР) (С НЕ ЗАКАЛЕНН. ШКИВ)(№-) ДВИГАТЕЛЬ

Схема запчастей Komatsu SAA6D140E-5ER-W - КРЕПЛЕНИЕ ГЕНЕРАТОРА (ДЛЯ A ГЕНЕРАТОР) (С НЕ ЗАКАЛЕНН. ШКИВ)(№-) ДВИГАТЕЛЬ
1
2
3
4
5
6
6
7
8
9
10
11
12
13
14
14
15
16
16
17
18
19
20
21
22
23
24
25
26
27
FIT
1:1
100%

Артикул

Название

Примечание

Количество

1

600-825-6110

ALTERNATOR A. (60A),(SEE FIG.A6010-B4M5)

SN: 630016-UP

1шт.

2

600-815-9980

WASHER

SN: 630016-UP

1шт.

3

6732-81-6840

BOLT

SN: 630016-UP

1шт.

4

6261-81-6890

BRACKET

SN: 630016-UP

1шт.

5

01640-21323

WASHER

SN: 630016-UP

1шт.

6

6210-61-6530

PIN

SN: 630016-UP

2шт.

7

6210-81-6750

SPACER

SN: 630016-UP

1шт.

8

6217-81-6550

SPACER

SN: 630016-UP

1шт.

9

6240-81-8611

ROD,ADJUSTING

SN: 630016-UP

1шт.

10

6261-81-8340

PLATE

SN: 630016-UP

1шт.

11

6215-81-6150

PIN

SN: 630016-UP

1шт.

12

01010-81260

BOLT

SN: 630016-UP

1шт.

13

01580-11210

NUT

SN: 630016-UP

1шт.

14

01643-31232

WASHER

SN: 630016-UP

2шт.

15

6261-81-8350

SPACER

SN: 630016-UP

1шт.

16

01580-11613

NUT

SN: 630016-UP

2шт.

17

6210-82-6570

BRACKET

SN: 630016-UP

1шт.

18

01435-01025

BOLT

SN: 630016-UP

2шт.

19

01050-51260

BOLT

SN: 630016-UP

1шт.

20

01643-31232

WASHER

SN: 630016-UP

1шт.

21

6261-81-6480

COVER

SN: 630016-UP

1шт.

22

6261-81-6470

COVER

SN: 630016-UP

1шт.

23

01050-51020

BOLT

SN: 630016-UP

4шт.

24

01640-21016

WASHER

SN: 630016-UP

4шт.

25

6210-81-6960

V-BELT SET

SN: 630016-UP

1шт.

26

6210-82-6850

PULLEY,NON HARDENING

SN: 630016-UP

1шт.

27

01010-80820

BOLT

SN: 630016-UP

3шт.

Выбрано товаров: 27