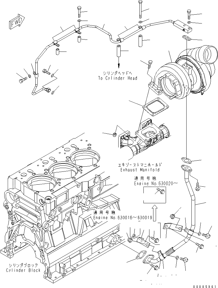
Запчасти Komatsu SAA6D140E-5ER-W КРЕПЛЕНИЕ ТУРБОНАГНЕТАТЕЛЯ И СМАЗКА(№-) ДВИГАТЕЛЬ

Схема запчастей Komatsu SAA6D140E-5ER-W - КРЕПЛЕНИЕ ТУРБОНАГНЕТАТЕЛЯ И СМАЗКА(№-) ДВИГАТЕЛЬ
1
2
3
4
5
5
6
6
7
8
9
9
10
11
12
13
14
15
16
17
18
19
19
20
21
22
23
24
24
25
25A
26
27
28
29
30
31
32
32A
33
33
34
34A
35
36
FIT
1:1
100%

Артикул

Название

Примечание

Количество

1

6114-11-5590

NUT

SN: 630016-UP

4шт.

2

6138-13-4510

BOLT

SN: 630016-UP

4шт.

3

6261-11-5850

GASKET

SN: 630016-UP

1шт.

4

6505-68-5040

TURBOCHARGER ASS'Y,(SEE FIG.A1530-B4M4)

SN: 630016-UP

1шт.

5

207-62-32890

COLLAR

SN: 630016-UP

2шт.

6

6136-11-5120

SPACER

SN: 630016-UP

2шт.

7

6151-51-8161

GASKET

SN: 630016-UP

1шт.

8

6215-71-4930

CLAMP

SN: 630016-UP

2шт.

9

6215-71-4940

CLAMP

SN: 630016-UP

3шт.

10

6261-51-8180

TUBE,SUPPLY

SN: 630016-UP

1шт.

11

01010-80850

BOLT

SN: 630016-UP

2шт.

12

01643-30823

WASHER

SN: 630016-UP

2шт.

13

01010-81020

BOLT

SN: 630016-UP

1шт.

14

01643-31032

WASHER

SN: 630016-UP

1шт.

15

01010-81035

BOLT

SN: 630016-UP

2шт.

16

01643-31032

WASHER

SN: 630016-UP

2шт.

17

01010-81090

BOLT

SN: 630016-UP

2шт.

18

01643-31032

WASHER

SN: 630016-UP

2шт.

19

07005-01412

SEAL, WASHER

SN: 630016-UP

2шт.

20

07206-31014

BOLT,JOINT

SN: 630016-UP

1шт.

21

6127-51-6822

GASKET

SN: 630016-UP

1шт.

22

6151-51-8151

GASKET

SN: 630016-UP

1шт.

23

6261-51-8120

TUBE,DRAIN

SN: 630016-UP

1шт.

24

01435-01025

BOLT

SN: 630016-UP

4шт.

25

04434-52711

CLIP

SN: 630165-UP

1шт.

25

04434-51910

CLIP

SN: 630016-630164

1шт.

25A

6261-51-8370

CUSHION

SN: 630165-UP

1шт.

26

01643-31032

WASHER

SN: 630016-UP

1шт.

27

01584-01008

NUT

SN: 630016-UP

1шт.

28

01435-01025

BOLT

SN: 630016-UP

1шт.

29

6261-51-8360

BRACKET

SN: 630165-UP

1шт.

29

6261-51-8290

BRACKET

SN: 630016-630164

1шт.

30

01435-01225

BOLT

SN: 630016-UP

1шт.

31

6261-51-8350

BRACKET

SN: 630165-UP

1шт.

31

6261-51-8140

BRACKET

SN: 630016-630164

1шт.

32

6162-73-5940

SPACER

SN: 630016-630019

1шт.

32A

01435-01020

BOLT

SN: 630020-UP

1шт.

33

01435-01025

BOLT

SN: 630020-UP

1шт.

33

01435-01025

BOLT

SN: 630016-630019

2шт.

34

04434-52711

CLIP

SN: 630165-UP

1шт.

34

04434-51910

CLIP

SN: 630016-630164

1шт.

34A

6261-51-8370

CUSHION

SN: 630165-UP

1шт.

35

01643-31032

WASHER

SN: 630016-UP

1шт.

36

01584-01008

NUT

SN: 630016-UP

1шт.

Выбрано товаров: 0