Запчасти Komatsu SAA6D140E-5F-03 ЭЛЕМЕНТЫ БЛОКА ЦИЛИНДРОВ(№-7) ДВИГАТЕЛЬ

Схема запчастей Komatsu SAA6D140E-5F-03 - ЭЛЕМЕНТЫ БЛОКА ЦИЛИНДРОВ(№-7) ДВИГАТЕЛЬ
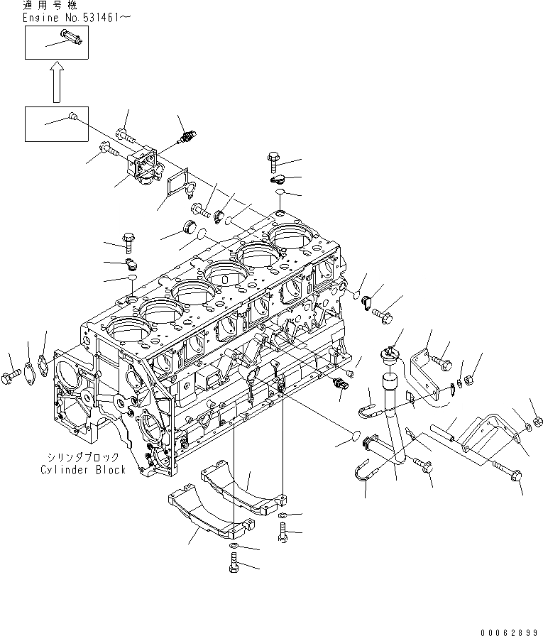
1
2
3
4
5
5
6
7
8
9
10
10
11
11
12
12
13
14
15
16
17
18
19
19
20
20
21
21
22
22
23
24
25
26
27
28
29
30
30
30
31
32
32
32
32
33
33
33
33
FIT
1:1
100%

Артикул

Название

Примечание

Количество

1

6261-21-1990

COVER

SN: 530043-535715

1шт.

2

6261-21-1970

GASKET

SN: 530043-535715

1шт.

3

01435-01065

BOLT

SN: 530043-535715

4шт.

4

01435-01035

BOLT

SN: 530043-535715

1шт.

5

09482-20000

VALVE

SN: 531461-535715

1шт.

5

07043-A0415

PLUG

SN: 530043-531460

1шт.

6

07043-70108

PLUG

SN: 530043-535715

2шт.

7

6219-81-1961

SENSOR ASS'Y,OIL PRESSURE

SN: 530364-535715

1шт.

7

0

SENSOR ASS'Y,OIL PRESSURE

SN: 530043-530363

1шт.

7

6219-81-2040

SENSOR

SN: 530043-530363

1шт.

7

6219-81-1991

O-RING

SN: 530364-535715

1шт.

7

6219-81-1990

O-RING

SN: 530043-530363

1шт.

8

6150-21-1180

PLUG

SN: 530043-535715

1шт.

9

6150-21-1190

O-RING

SN: 530043-535715

1шт.

10

6217-21-1220

BRACKET,UNDER FLAME

SN: 530043-535715

2шт.

11

01010-81050

BOLT

SN: 530043-535715

8шт.

12

01643-31032

WASHER

SN: 530043-535715

8шт.

13

6261-21-7120

FILLER,OIL

SN: 530043-535715

1шт.

14

01435-01020

BOLT

SN: 530043-535715

1шт.

15

07000-73034

O-RING

SN: 530043-535715

1шт.

16

07025-00100

CAP,OIL FILLER

SN: 530043-535715

1шт.

17

6261-21-7160

BRACKET

SN: 530043-535715

1шт.

18

01435-01025

BOLT

SN: 530043-535715

3шт.

19

07283-34354

CLIP

SN: 530043-535715

2шт.

20

07283-54353

SEAT

SN: 530043-535715

2шт.

21

01643-31032

WASHER

SN: 530043-535715

4шт.

22

01597-01009

NUT

SN: 530043-535715

4шт.

23

6261-21-7170

BRACKET

SN: 530043-535715

1шт.

24

01436-01035

BOLT

SN: 530043-535715

2шт.

25

6206-81-9870

SPACER

SN: 530043-535715

2шт.

26

6261-81-6901

SENSOR ASS'Y,WATER TEMPERATURE

SN: 534133-535715

1шт.

26

6261-81-6900

SENSOR ASS'Y,WATER TEMPERATURE

SN: 530043-534132

1шт.

26

6261-81-6910

SENSOR

SN: 530043-534132

1шт.

26

6261-84-9740

O-RING

SN: 530043-535715

1шт.

27

6210-21-1950

FLANGE

SN: 530043-535715

1шт.

28

6696-61-9921

GASKET

SN: 530043-535715

1шт.

29

01435-01225

BOLT

SN: 530043-535715

2шт.

30

6217-21-1940

COVER

SN: 530043-535715

3шт.

31

6218-21-1940

COVER

SN: 530043-535715

1шт.

32

6215-61-6630

O-RING

SN: 534978-535715

4шт.

32

07000-73025

O-RING

SN: 530043-534977

4шт.

33

01435-01020

BOLT

SN: 530043-535715

4шт.

Выбрано товаров: 42