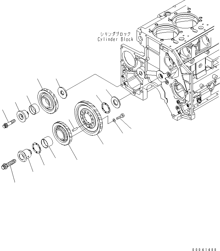
Запчасти Komatsu SAA6D140E-5F-K ПРОМЕЖУТОЧНАЯ ШЕСТЕРНЯ(№-) ДВИГАТЕЛЬ

Схема запчастей Komatsu SAA6D140E-5F-K - ПРОМЕЖУТОЧНАЯ ШЕСТЕРНЯ(№-) ДВИГАТЕЛЬ
1
2
3
4
5
6
7
8
9
10
10
11
12
13
14
15
FIT
1:1
100%

Артикул

Название

Примечание

Количество

1

6212-31-6440

GEAR

SN: 530043-UP

1шт.

|2

6212-31-6420

IDLER GEAR ASS'Y

SN: 530043-UP

1шт.

2

0

GEAR,IDLER

SN: 530043-UP

1шт.

3

6212-31-6130

BUSHING

SN: 530043-UP

1шт.

4

22X-22-12670

BOLT

SN: 530043-UP

12шт.

5

6212-31-6490

WASHER

SN: 530043-UP

12шт.

6

04020-00514

PIN,DOWEL

SN: 530043-UP

1шт.

7

6210-22-2410

SHAFT

SN: 530043-UP

1шт.

8

6210-22-2420

PLATE

SN: 530043-UP

1шт.

9

6162-33-5322

BOLT

SN: 530043-UP

1шт.

10

6212-31-6140

BEARING,THRUST

SN: 530043-UP

2шт.

|11

6212-31-6100

IDLER GEAR ASS'Y

SN: 530043-UP

1шт.

11

0

GEAR,IDLER

SN: 530043-UP

1шт.

12

6212-31-6120

BUSHING

SN: 530043-UP

1шт.

13

6212-21-2511

SHAFT

SN: 530043-UP

1шт.

14

6210-21-2422

PLATE,THRUST

SN: 530043-UP

1шт.

15

6212-21-2450

BOLT

SN: 530043-UP

1шт.

Выбрано товаров: 17