Запчасти Komatsu SAA6D140E-5F-K АНТИКОРРОЗ. ЭЛЕМЕНТ(№-) ДВИГАТЕЛЬ

Схема запчастей Komatsu SAA6D140E-5F-K - АНТИКОРРОЗ. ЭЛЕМЕНТ(№-) ДВИГАТЕЛЬ
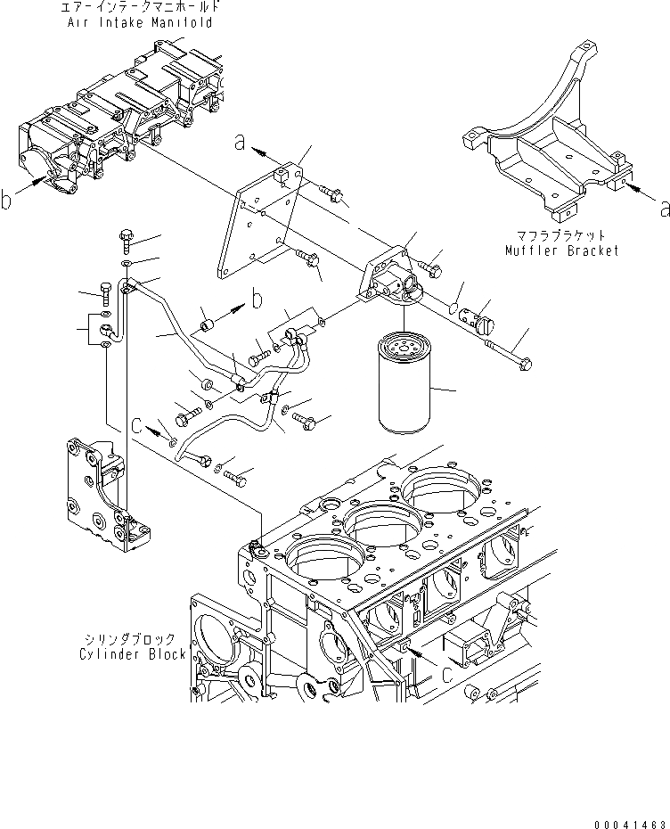
1
1
1
2
3
4
5
5
5
6
7
8
8
8
8
9
9
9
10
11
12
13
14
15
16
17
18
19
19
FIT
1:1
100%

Артикул

Название

Примечание

Количество

1

6215-71-4940

CLAMP

SN: 530043-UP

3шт.

2

6631-11-5630

SPACER

SN: 530043-UP

1шт.

3

01435-01045

BOLT

SN: 530043-UP

1шт.

4

01435-01020

BOLT

SN: 530043-UP

1шт.

5

01643-31032

WASHER

SN: 530043-UP

3шт.

6

6261-61-8580

TUBE,INLET

SN: 530043-UP

1шт.

7

6261-61-8570

TUBE,OUTLET

SN: 530043-UP

1шт.

8

07005-01412

GASKET (K2)

SN: 530043-UP

8шт.

9

07206-31014

BOLT,JOINT

SN: 530043-UP

4шт.

10

01435-01030

BOLT

SN: 530043-UP

1шт.

11

6151-61-3781

SPACER

SN: 530043-UP

1шт.

|12

6217-61-8160

RESISTOR ASS'Y

SN: 530043-UP

1шт.

|12

6217-61-8231

HEAD ASS'Y

SN: 530043-UP

1шт.

12

0

HEAD,CORROSION

SN: 530043-UP

1шт.

13

6217-61-8221

VALVE

SN: 530043-UP

1шт.

14

07000-A2021

O-RING

SN: 530043-UP

1шт.

15

600-411-1171

CARTRIDGE

SN: 530043-UP

1шт.

16

01435-01035

BOLT

SN: 530043-UP

4шт.

17

01436-01000

BOLT

SN: 530043-UP

1шт.

18

6261-61-8510

BRACKET

SN: 530043-UP

1шт.

19

01435-01025

BOLT

SN: 530043-UP

4шт.

Выбрано товаров: 21