Запчасти Komatsu SAA6D140E-5F-KU ЭЛЕМЕНТЫ ПЕРЕДН. КРЫШКИ И САПУН ДВИГАТЕЛЬ

Схема запчастей Komatsu SAA6D140E-5F-KU - ЭЛЕМЕНТЫ ПЕРЕДН. КРЫШКИ И САПУН ДВИГАТЕЛЬ
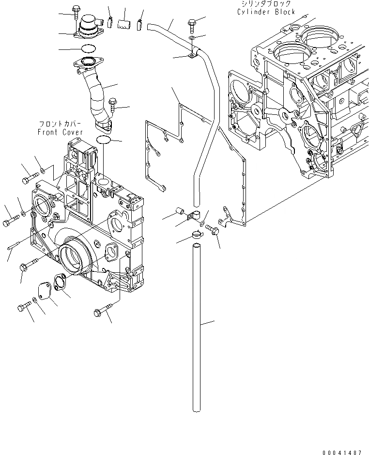
1
2
3
3
4
5
6
7
7
8
9
9
10
11
12
13
14
15
16
17
18
19
20
21
22
23
24
25
25
26
27
FIT
1:1
100%

Артикул

Название

Примечание

Количество

1

6212-25-8710

BREATHER

SN: 530043-UP

1шт.

2

01435-01025

BOLT

SN: 530043-UP

2шт.

3

07000-72060

O-RING (K2)

SN: 530043-UP

2шт.

4

6261-21-8610

CONNECTOR

SN: 530043-UP

1шт.

5

01435-01035

BOLT

SN: 530043-UP

2шт.

6

6141-64-7841

HOSE

SN: 530043-UP

1шт.

7

07281-00419

CLAMP

SN: 530043-UP

2шт.

8

6261-21-8720

TUBE,BREATHER

SN: 530043-UP

1шт.

9

154-04-12420

CLAMP

SN: 530043-UP

2шт.

10

01435-01020

BOLT

SN: 530043-UP

1шт.

11

01435-01250

BOLT

SN: 530043-UP

1шт.

12

6112-22-6960

SPACER

SN: 530043-UP

1шт.

13

01643-31032

WASHER

SN: 530043-UP

1шт.

14

01643-31232

WASHER

SN: 530043-UP

1шт.

15

07286-02690

HOSE

SN: 530043-UP

1шт.

16

07285-00280

CLIP

SN: 530043-UP

1шт.

17

6251-21-3211

PLATE

SN: 530043-UP

1шт.

18

6251-21-3231

GASKET (K2)

SN: 530043-UP

1шт.

19

6150-22-3360

POINTER

SN: 530081-UP

1шт.

|19

0

POINTER

SN: 530043-530080

1шт.

20

6217-21-3251

GASKET (K2)

SN: 530043-UP

1шт.

21

01010-81275

BOLT

SN: 530043-UP

1шт.

22

01010-81290

BOLT

SN: 530043-UP

5шт.

23

01436-01010

BOLT

SN: 530043-UP

1шт.

24

01435-01090

BOLT

SN: 530043-UP

3шт.

25

01640-21223

WASHER

SN: 530043-UP

6шт.

26

6251-21-3250

GASKET (K2)

SN: 530043-UP

2шт.

27

01050-51225

BOLT

SN: 530043-UP

2шт.

Выбрано товаров: 28