Запчасти Komatsu SAA6D140E-5F-KU КОРОМЫСЛО ДВИГАТЕЛЬ

Схема запчастей Komatsu SAA6D140E-5F-KU - КОРОМЫСЛО ДВИГАТЕЛЬ
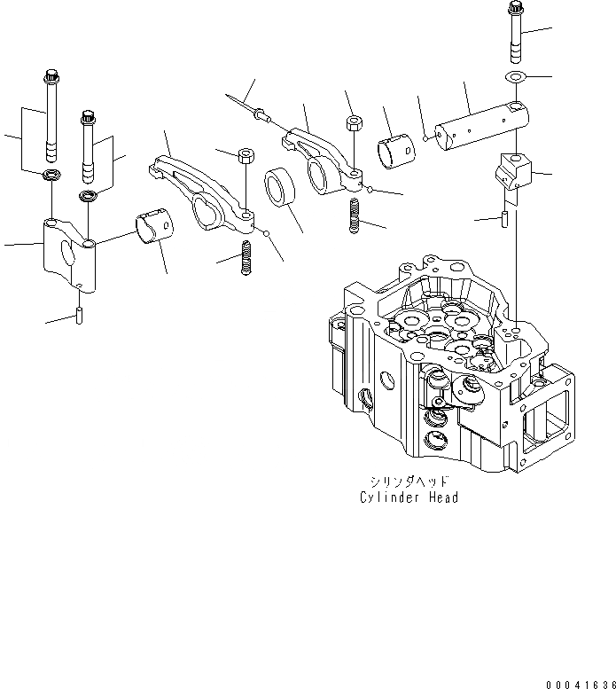
1
2
3
4
5
6
7
8
9
10
11
12
13
14
15
16
17
18
19
20
21
22
FIT
1:1
100%

Артикул

Название

Примечание

Количество

|1

6261-41-5040

ROCKER ARM ASS'Y,INTAKE

SN: 530043-UP

6шт.

|1

6261-41-5400

ARM ASS'Y

SN: 530043-UP

1шт.

1

0

ARM,ROCKER

SN: 530043-UP

1шт.

2

6261-41-5420

BUSHING

SN: 530043-UP

1шт.

3

6162-43-5340

RIVET

SN: 530043-UP

1шт.

4

04260-00317

BALL,STEEL

SN: 530043-UP

1шт.

5

6217-41-5550

SCREW

SN: 530043-UP

1шт.

6

01582-01008

NUT

SN: 530043-UP

1шт.

|7

6261-41-5050

ROCKER ARM ASS'Y,EXHAUST

SN: 530043-UP

6шт.

|7

6261-41-5500

ARM ASS'Y

SN: 530043-UP

1шт.

7

0

ARM,ROCKER

SN: 530043-UP

1шт.

8

6261-41-5520

BUSHING

SN: 530043-UP

1шт.

9

04260-00317

BALL,STEEL

SN: 530043-UP

1шт.

10

6217-41-5550

SCREW

SN: 530043-UP

1шт.

11

01582-01008

NUT

SN: 530043-UP

1шт.

|12

6934-42-5300

ROCKER ARM SHAFT A.

SN: 530043-UP

6шт.

12

0

SHAFT,ARM

SN: 530043-UP

1шт.

13

04260-00635

BALL

SN: 530043-UP

1шт.

14

6261-41-5530

BRACKET

SN: 530043-UP

6шт.

15

6210-41-5440

COLLAR

SN: 530043-UP

6шт.

16

04020-00514

PIN,DOWEL

SN: 530043-UP

6шт.

17

04020-00514

PIN,DOWEL

SN: 530043-UP

12шт.

18

6217-41-5540

SPACER

SN: 530043-UP

6шт.

19

6217-41-5570

BOLT

SN: 530043-UP

6шт.

20

6217-41-5560

BOLT

SN: 530043-UP

6шт.

21

6217-81-8311

BOLT

SN: 530043-UP

6шт.

22

01643-51232

WASHER

SN: 530043-UP

6шт.

Выбрано товаров: 27