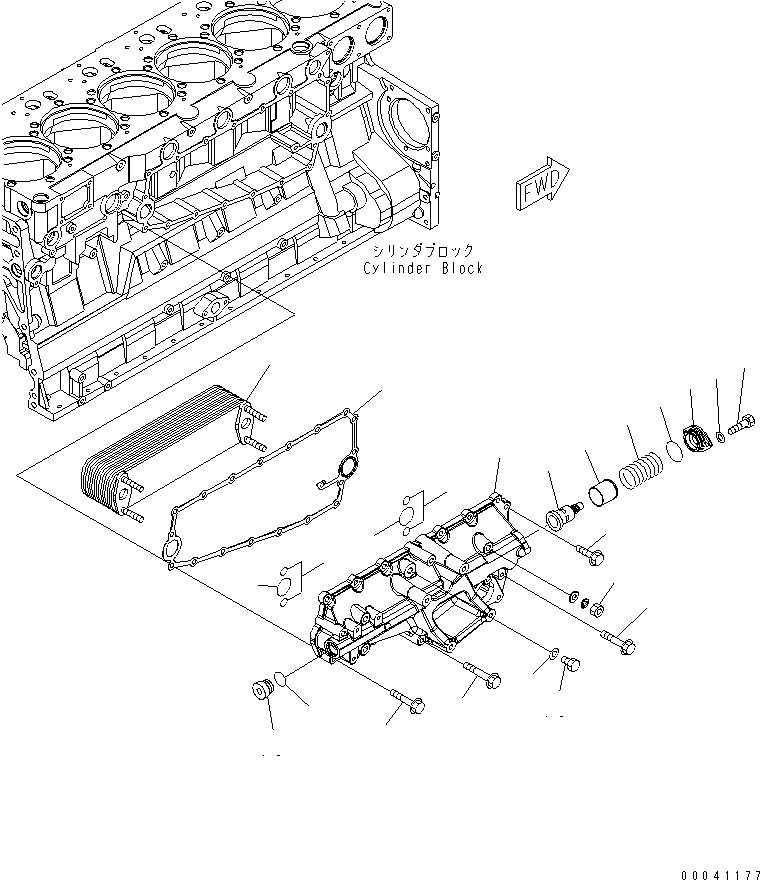
Запчасти Komatsu SAA6D140E-5F-KU МАСЛООХЛАДИТЕЛЬ ДВИГАТЕЛЬ

Схема запчастей Komatsu SAA6D140E-5F-KU - МАСЛООХЛАДИТЕЛЬ ДВИГАТЕЛЬ
1
2
3
3
4
4
5
6
7
8
9
10
11
12
13
14
15
16
17
18
19
19
20
FIT
1:1
100%

Артикул

Название

Примечание

Количество

1

6261-61-2110

ELEMENT,OIL COOLER

SN: 530043-UP

1шт.

2

6261-61-2120

COVER

SN: 530043-UP

1шт.

3

6210-61-2520

O-RING (K2)

SN: 530043-UP

2шт.

4

07000-A2016

O-RING (K2)

SN: 530043-UP

4шт.

5

6215-61-2580

NUT

SN: 530043-UP

4шт.

6

6210-61-2130

COVER

SN: 530043-UP

1шт.

7

07000-73042

O-RING (K2)

SN: 530043-UP

1шт.

8

6261-61-2610

THERMOSTAT

SN: 530043-UP

1шт.

9

6218-61-2620

COLLAR

SN: 530043-UP

1шт.

10

6210-61-2160

SPRING

SN: 530043-UP

1шт.

11

01010-80820

BOLT

SN: 530043-UP

2шт.

12

01640-20816

WASHER

SN: 530043-UP

2шт.

13

07040-13016

PLUG

SN: 530043-UP

1шт.

14

6210-61-2550

O-RING (K2)

SN: 530043-UP

1шт.

15

07040-11409

PLUG

SN: 530043-UP

1шт.

16

07005-01412

GASKET (K2)

SN: 530043-UP

1шт.

17

6210-61-2811

GASKET (K2)

SN: 530043-UP

1шт.

18

01435-01030

BOLT

SN: 530043-UP

10шт.

19

01435-01060

BOLT

SN: 530043-UP

3шт.

20

01435-01090

BOLT

SN: 530043-UP

3шт.

Выбрано товаров: 20