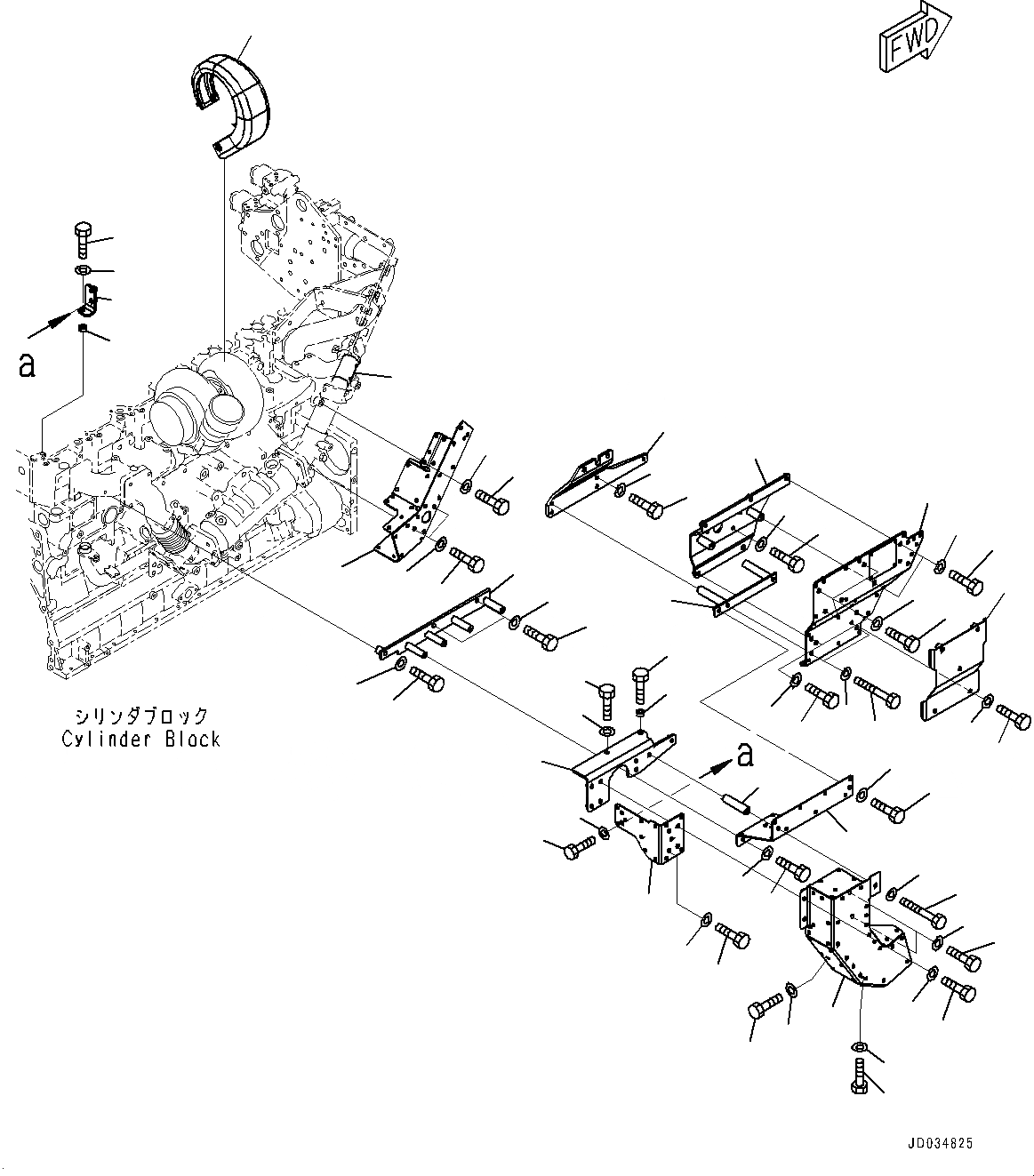
Запчасти Komatsu SAA6D140E-5F ТЕРМОЗАЩИТА (№7-) ТЕРМОЗАЩИТА

Схема запчастей Komatsu SAA6D140E-5F - ТЕРМОЗАЩИТА (№7-) ТЕРМОЗАЩИТА
10
15
16
17
19
18
23
24
26
25
27
28
29
30
31
39
21
22
20
22
21
3
7
40
41
42
41
42
9
43
1
2
4
5
6
8
9
11
12
13
21
22
6
5
5
6
9
7
14
32
33
35
37
36
38
34
34
33
21
22
34
33
FIT
1:1
100%

Артикул

Название

Примечание

Количество

1

6261-11-8211

Cover

SN: 536267-UP

1шт.

2

6261-11-8290

Bracket

SN: 536267-UP

1шт.

3

6261-11-8640

Bracket

SN: 536267-UP

1шт.

4

6261-11-8650

Bracket

SN: 536267-UP

1шт.

5

01010-81025

Bolt

SN: 536267-UP

7шт.

6

01643-31032

Washer

SN: 536267-UP

7шт.

7

01010-E1025

Bolt

SN: 536267-UP

6шт.

8

01011-81030

Bolt

SN: 536267-UP

2шт.

9

01643-31032

Washer

SN: 536267-UP

8шт.

10

6261-11-8430

Cover

SN: 536267-UP

1шт.

11

6261-11-8390

Cover

SN: 536267-UP

1шт.

12

01010-81030

Bolt

SN: 536267-UP

5шт.

13

01643-31032

Washer

SN: 536267-UP

5шт.

14

6261-11-8410

Cover

SN: 536267-UP

1шт.

15

6261-11-8880

Cover

SN: 536267-UP

1шт.

16

6261-11-8420

Bracket

SN: 536267-UP

1шт.

17

01010-81025

Bolt

SN: 536267-UP

2шт.

18

01643-31032

Washer

SN: 536267-UP

2шт.

19

01010-81045

Bolt

SN: 536267-UP

1шт.

20

01643-31032

Washer

SN: 536267-UP

1шт.

21

01010-81025

Bolt

SN: 536267-UP

6шт.

22

01643-31032

Washer

SN: 536267-UP

6шт.

23

6261-11-8490

Bracket

SN: 536267-UP

1шт.

24

01010-81040

Bolt

SN: 536267-UP

1шт.

25

01643-31032

Washer

SN: 536267-UP

1шт.

26

6132-21-4630

Spacer

SN: 536267-UP

1шт.

27

6261-11-8260

Bracket

SN: 536267-UP

1шт.

28

01010-E1025

Bolt

SN: 536267-UP

1шт.

29

01643-31032

Washer

SN: 536267-UP

1шт.

30

01010-E1030

Bolt

SN: 536267-UP

1шт.

31

6132-21-4630

Spacer

SN: 536267-UP

1шт.

32

6261-11-8510

Cover

SN: 536267-UP

1шт.

33

01010-81025

Bolt

SN: 536267-UP

4шт.

34

01643-31032

Washer

SN: 536267-UP

4шт.

35

01010-81030

Bolt

SN: 536267-UP

2шт.

36

01643-31032

Washer

SN: 536267-UP

2шт.

37

01011-81020

Bolt

SN: 536267-UP

1шт.

38

01643-31032

Washer

SN: 536267-UP

1шт.

39

6215-71-6190

Spacer

SN: 536267-UP

1шт.

40

6261-11-8710

Cover

SN: 536267-UP

1шт.

41

01010-81025

Bolt

SN: 536267-UP

4шт.

42

01643-31032

Washer

SN: 536267-UP

4шт.

43

6261-11-6930

Cover

SN: 536267-UP

1шт.

Выбрано товаров: 0