Запчасти Komatsu SAA6D140E-5F-W КАРТЕР МАХОВИКА ДВИГАТЕЛЬ

Схема запчастей Komatsu SAA6D140E-5F-W - КАРТЕР МАХОВИКА ДВИГАТЕЛЬ
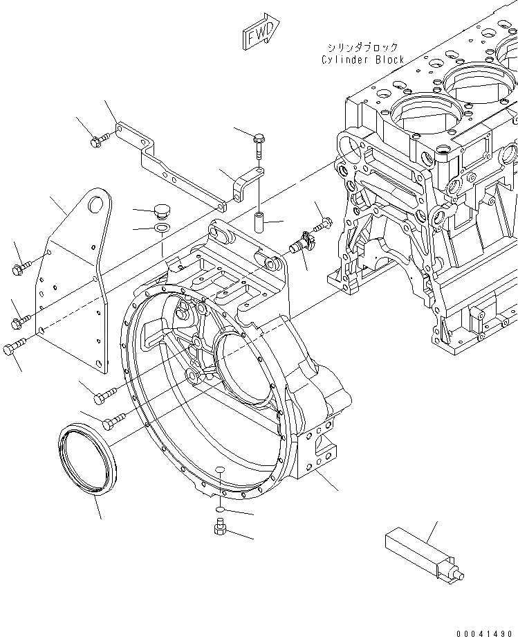
1
2
3
4
5
6
7
8
9
10
11
12
13
14
15
16
17
18
19
20
FIT
1:1
100%

Артикул

Название

Примечание

Количество

1

6261-21-4720

HOUSING,FLYWHEEL

SN: 530043-UP

1шт.

2

07040-12412

PLUG

SN: 530043-UP

1шт.

3

07002-22434

O-RING (K2)

SN: 530043-UP

1шт.

4

01010-61650

BOLT

SN: 530043-UP

6шт.

5

01010-61665

BOLT

SN: 530043-UP

2шт.

6

6151-21-4161

SEAL¤ REAR (K2)

SN: 530043-UP

1шт.

7

6114-11-8910

PLUG

SN: 530043-UP

2шт.

8

07005-02216

GASKET (K2)

SN: 530043-UP

2шт.

9

6261-81-2900

SENSOR ASS'Y,REVOLUTION

SN: 530043-UP

1шт.

|9

6261-81-2910

SENSOR

SN: 530043-UP

1шт.

|9

6261-81-2920

O-RING

SN: 530043-UP

1шт.

10

01435-00816

BOLT

SN: 530043-UP

1шт.

11

6261-21-4770

HANGER,REAR

SN: 530043-UP

1шт.

12

01010-61670

BOLT

SN: 530043-UP

2шт.

13

6261-21-4820

BRACKET

SN: 530043-UP

1шт.

14

01435-01030

BOLT

SN: 530043-UP

1шт.

15

01435-01040

BOLT

SN: 530043-UP

1шт.

16

01435-01025

BOLT

SN: 530043-UP

2шт.

17

6261-21-4810

BRACKET

SN: 530043-UP

1шт.

18

01435-01070

BOLT

SN: 530043-UP

1шт.

19

6134-11-5120

SPACER

SN: 530043-UP

1шт.

20

09920-00150

LIQUID GASKET,LG-7¤ 150G

SN: 530043-UP

-2шт.

Выбрано товаров: 22