Запчасти Komatsu SAA6D140E-5FR-W МАСЛЯНЫЙ ПОДДОН И ВСАСЫВАЮЩИЙ ПАТРУБОК(№-8) ДВИГАТЕЛЬ

Схема запчастей Komatsu SAA6D140E-5FR-W - МАСЛЯНЫЙ ПОДДОН И ВСАСЫВАЮЩИЙ ПАТРУБОК(№-8) ДВИГАТЕЛЬ
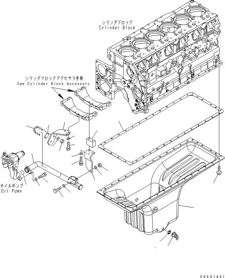
1
2
3
4
5
6
7
8
9
10
11
12
13
14
15
16
16
17
18
19
20
21
22
23
FIT
1:1
100%

Артикул

Название

Примечание

Количество

1

6261-21-5360

PAN,OIL

SN: 630003-630481

1шт.

2

6210-21-5820

GASKET

SN: 630003-630481

1шт.

3

01435-01025

BOLT

SN: 630003-630481

38шт.

4

6217-21-5621

VALVE,DRAIN

SN: 630003-630481

1шт.

5

6217-21-5660

GASKET

SN: 630003-630481

1шт.

6

6261-51-6510

STRAINER

SN: 630003-630481

1шт.

7

07000-73040

O-RING

SN: 630003-630481

1шт.

8

01010-81025

BOLT

SN: 630003-630481

1шт.

9

01643-31032

WASHER

SN: 630003-630481

1шт.

10

6261-51-6520

BRACKET

SN: 630003-630481

1шт.

11

01010-81085

BOLT

SN: 630003-630481

2шт.

12

01643-31032

WASHER

SN: 630003-630481

2шт.

13

6218-51-6330

SPACER

SN: 630003-630481

1шт.

14

01010-81030

BOLT

SN: 630003-630481

1шт.

15

01580-01008

NUT

SN: 630003-630481

1шт.

16

01643-31032

WASHER

SN: 630003-630481

2шт.

17

6261-51-6530

BRACKET

SN: 630003-630481

1шт.

18

01010-81025

BOLT

SN: 630003-630481

3шт.

19

01643-31032

WASHER

SN: 630003-630481

3шт.

20

07283-34354

CLIP

SN: 630003-630481

1шт.

21

07283-54353

SEAT

SN: 630003-630481

1шт.

22

01597-01009

NUT

SN: 630003-630481

2шт.

23

01643-31032

WASHER

SN: 630003-630481

2шт.

Выбрано товаров: 23