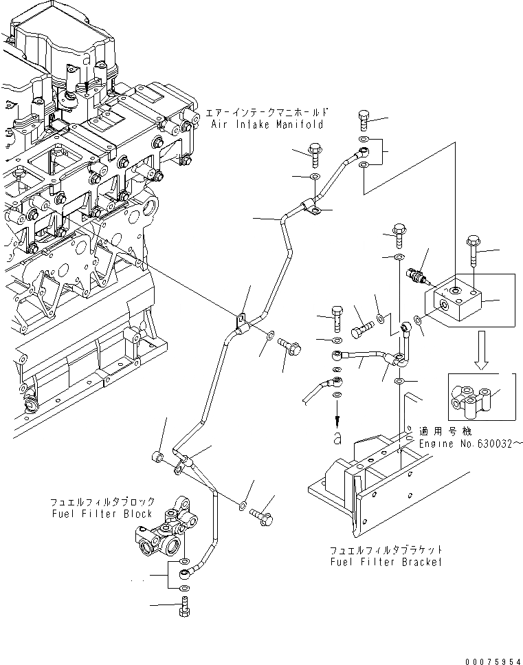
Запчасти Komatsu SAA6D140E-5FR-W ВОЗВРАТ ТОПЛИВА(№-8) ДВИГАТЕЛЬ

Схема запчастей Komatsu SAA6D140E-5FR-W - ВОЗВРАТ ТОПЛИВА(№-8) ДВИГАТЕЛЬ
1
2
2
3
3
4
5
6
7
8
9
10
10
11
12
13
13
14
14
15
15
15
16
16
17
18
19
19
19
FIT
1:1
100%

Артикул

Название

Примечание

Количество

1

07206-30812

BOLT,JOINT

SN: 630003-630481

1шт.

2

07005-01212

SEAL, WASHER

SN: 630003-630481

2шт.

3

6261-71-8621

BLOCK

SN: 630032-630481

1шт.

3

0

BLOCK

SN: 630003-630031

1шт.

4

01435-01050

BOLT

SN: 630003-630481

2шт.

5

6261-71-8580

TUBE

SN: 630003-630481

1шт.

6

6215-11-6560

BOLT,JOINT

SN: 630003-630481

1шт.

7

07005-01012

SEAL, WASHER

SN: 630003-630481

1шт.

8

6210-51-8320

CLIP

SN: 630003-630481

1шт.

9

01435-01020

BOLT

SN: 630003-630481

1шт.

10

01643-31032

WASHER

SN: 630003-630481

2шт.

11

6261-81-6901

SENSOR ASS'Y,FUEL TEMPERATURE

SN: 630094-630481

1шт.

11

6261-81-6900

SENSOR ASS'Y,FUEL TEMPERATURE

SN: 630003-630093

1шт.

11

6261-81-6910

SENSOR

SN: 630003-630093

1шт.

11

6261-84-9740

O-RING

SN: 630003-630481

1шт.

12

6261-71-5920

TUBE

SN: 630003-630481

1шт.

13

07206-30812

BOLT,JOINT

SN: 630003-630481

2шт.

14

07005-01212

SEAL, WASHER

SN: 630003-630481

4шт.

15

6210-51-8320

CLIP

SN: 630003-630481

3шт.

16

01435-01020

BOLT

SN: 630003-630481

2шт.

17

6131-12-5920

SPACER

SN: 630003-630481

1шт.

18

01435-01030

BOLT

SN: 630003-630481

1шт.

19

01643-01032

WASHER

SN: 630003-630481

3шт.

Выбрано товаров: 23