Запчасти Komatsu SAA6D140E-5FR-W ВОДН. ЛИНИЯ ЗАГЛУШКА (БЕЗ АНТИКОРРОЗ. ЭЛЕМЕНТА)(№-) ДВИГАТЕЛЬ

Схема запчастей Komatsu SAA6D140E-5FR-W - ВОДН. ЛИНИЯ ЗАГЛУШКА (БЕЗ АНТИКОРРОЗ. ЭЛЕМЕНТА)(№-) ДВИГАТЕЛЬ
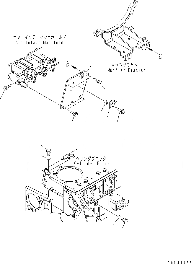
1
2
2
3
3
4
5
5
6
7
8
FIT
1:1
100%

Артикул

Название

Примечание

Количество

1

01435-01025

BOLT

SN: 630003-UP

1шт.

2

07005-01412

SEAL, WASHER

SN: 630003-UP

2шт.

3

600-311-7520

PLUG

SN: 630003-UP

2шт.

4

6261-61-8510

BRACKET

SN: 630003-UP

1шт.

5

01435-01025

BOLT

SN: 630003-UP

5шт.

6

144-874-7470

BOSS

SN: 630003-UP

1шт.

7

6222-83-6620

BRACKET

SN: 630003-UP

1шт.

8

01435-01045

BOLT

SN: 630003-UP

1шт.

Выбрано товаров: 8