Запчасти Komatsu SAA6D140E-5FR-W ЭЛЕКТР. ЭЛЕКТРОПРОВОДКА (/)(№-8) ДВИГАТЕЛЬ

Схема запчастей Komatsu SAA6D140E-5FR-W - ЭЛЕКТР. ЭЛЕКТРОПРОВОДКА (/)(№-8) ДВИГАТЕЛЬ
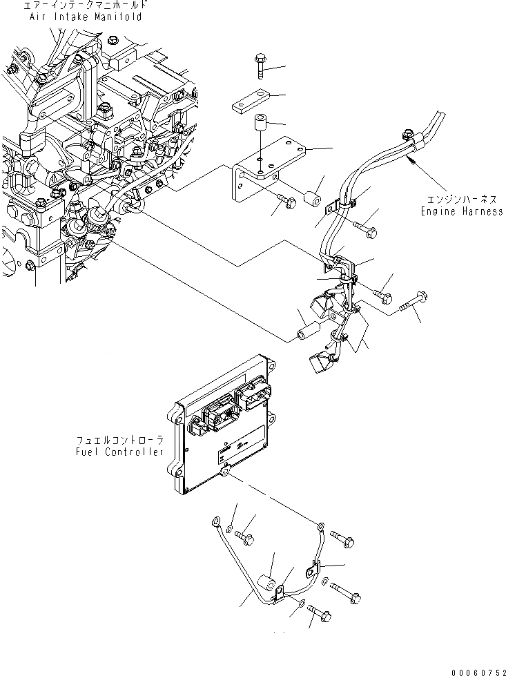
1
2
3
4
5
6
7
8
8
8
8
9
10
11
12
13
14
15
15
16
17
17
18
19
FIT
1:1
100%

Артикул

Название

Примечание

Количество

1

144-874-7470

BOSS

SN: 630003-630481

1шт.

2

01435-01040

BOLT

SN: 630003-630481

1шт.

3

6218-81-8430

CLAMP

SN: 630003-630481

1шт.

4

6261-81-8670

BRACKET

SN: 630003-630481

1шт.

5

01435-01020

BOLT

SN: 630003-630481

1шт.

6

6143-11-4290

SPACER

SN: 630003-630481

1шт.

7

01435-01065

BOLT

SN: 630003-630481

1шт.

8

6218-81-8490

BAND

SN: 630003-630481

5шт.

9

6261-81-8530

BRACKET

SN: 630003-630481

1шт.

10

01435-01025

BOLT

SN: 630003-630481

2шт.

11

144-874-7470

BOSS

SN: 630003-630481

1шт.

12

6261-81-8660

PLATE

SN: 630003-630481

1шт.

13

01435-01045

BOLT

SN: 630003-630481

1шт.

14

6261-81-8560

WIRING HARNESS

SN: 630003-630481

1шт.

15

600-051-2060

CLIP

SN: 630003-630481

2шт.

16

01435-01020

BOLT

SN: 630003-630481

1шт.

17

01643-31032

WASHER

SN: 630003-630481

2шт.

18

144-874-7470

BOSS

SN: 630003-630481

1шт.

19

01435-01040

BOLT

SN: 630003-630481

1шт.

Выбрано товаров: 0