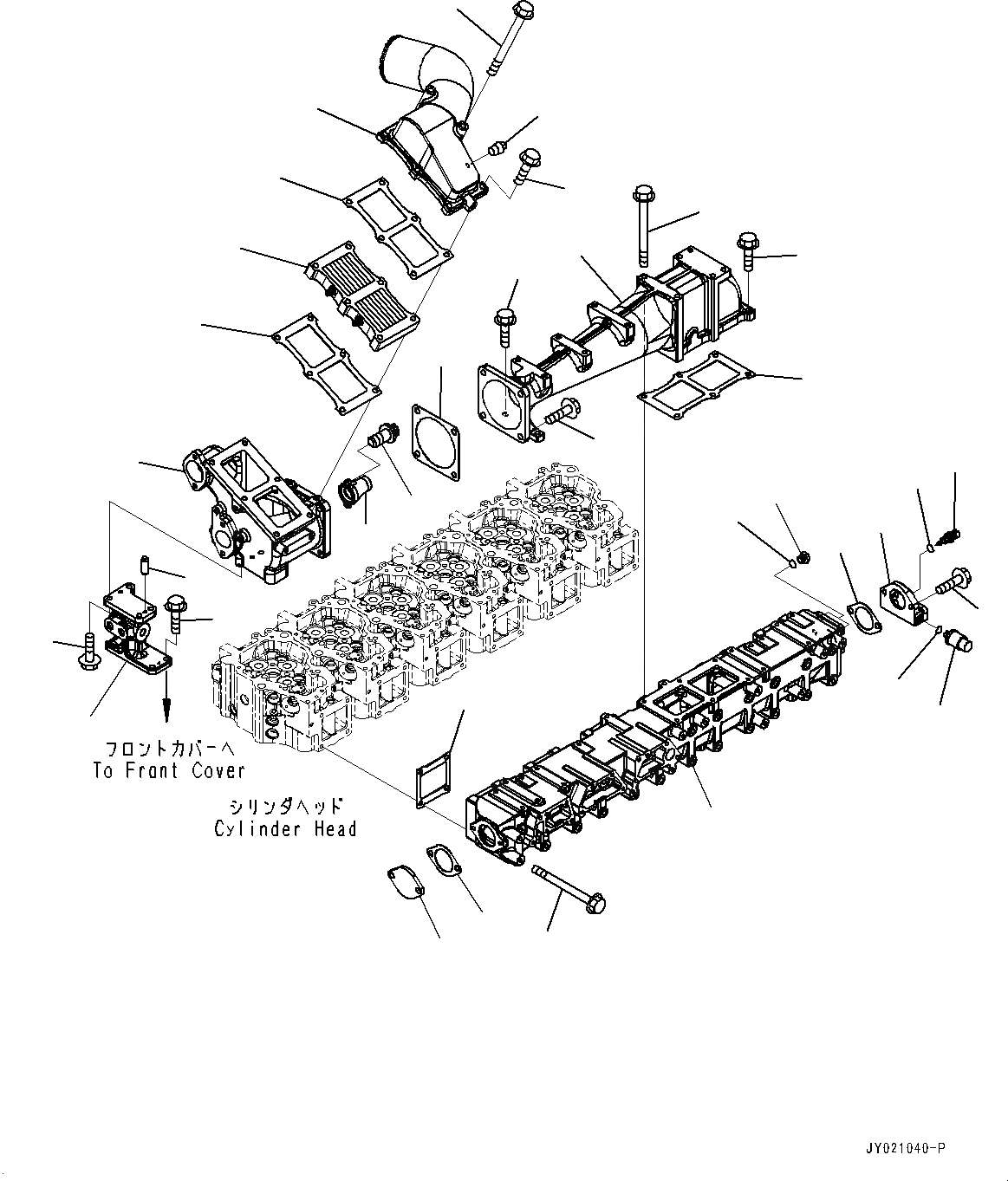
Запчасти Komatsu SAA6D140E-5J ТРУБОПРОВОД ВПУСКА ВОЗДУХА И СОЕДИН-Е (№9-) ТРУБОПРОВОД ВПУСКА ВОЗДУХА И СОЕДИН-Е

Схема запчастей Komatsu SAA6D140E-5J - ТРУБОПРОВОД ВПУСКА ВОЗДУХА И СОЕДИН-Е (№9-) ТРУБОПРОВОД ВПУСКА ВОЗДУХА И СОЕДИН-Е
1
2
3
4
5
6
7
8
9
10
11
12
13
14
15
16
17
18
19
20
21
22
23
24
25
26
27
28
28
30
31
32
33
5
29
FIT
1:1
100%

Артикул

Название

Примечание

Количество

1

6210-11-4811

Gasket

SN: 539050-UP

6шт.

2

6261-11-4111

Manifold, Air Intake

SN: 539050-UP

1шт.

3

01436-01070

Bolt

SN: 539050-UP

20шт.

4

600-815-4280

Heater

SN: 539050-UP

1шт.

5

6211-11-4821

Gasket

SN: 539050-UP

2шт.

6

6261-11-4360

Connector

SN: 539050-UP

1шт.

7

01435-01065

Bolt

SN: 539050-UP

4шт.

8

01436-01060

Bolt

SN: 539050-UP

2шт.

9

07042-A0108

Plug

SN: 539050-UP

1шт.

10

6261-11-7210

Housing, Junction

SN: 539050-UP

1шт.

11

6261-11-7220

Bracket

SN: 539050-UP

1шт.

12

01435-01025

Bolt

SN: 539050-UP

4шт.

13

01435-01030

Bolt

SN: 539050-UP

4шт.

14

04020-00820

Pin, Dowel

SN: 539050-UP

2шт.

15

6261-11-2130

Nozzle

SN: 539050-UP

1шт.

16

01437-10816

Bolt

SN: 539050-UP

2шт.

17

6211-11-4821

Gasket

SN: 539050-UP

1шт.

18

6261-11-7410

Connector

SN: 539050-UP

1шт.

19

6261-11-7450

Gasket

SN: 539050-UP

1шт.

20

01435-01030

Bolt

SN: 539050-UP

2шт.

21

01435-01035

Bolt

SN: 539050-UP

2шт.

22

01435-01235

Bolt

SN: 539050-UP

4шт.

23

01436-01080

Bolt

SN: 539050-UP

2шт.

24

6560-61-7202

Sensor, Pressure

SN: 539050-UP

1шт.

25

6216-54-6320

O-ring

SN: 539050-UP

1шт.

25

6560-61-7300

Sensor Assembly, Intake Air Temperature

SN: 539050-UP

1шт.

26

Sensor

SN: 539050-UP

1шт.

27

6735-21-1930

O-ring

SN: 539050-UP

1шт.

28

6212-61-6662

Gasket

SN: 539050-UP

2шт.

29

6215-61-6670

Plate

SN: 539050-UP

1шт.

30

6261-11-4130

Block, Sensor

SN: 539050-UP

1шт.

31

01435-01030

Bolt

SN: 539050-UP

2шт.

32

07040-11409

Plug

SN: 539050-UP

2шт.

33

07002-21423

O-ring

SN: 539050-UP

2шт.

Выбрано товаров: 34