Запчасти Komatsu SAA6D140E-5J ВЫПУСКН. GAS RE-CIRCULATION (EGR) КЛАПАН, EGR КЛАПАН МАСЛ. ВОЗВРАТ. ТРУБЫ (№7-) ВЫПУСКН. GAS RE-CIRCULATION (EGR) КЛАПАН

Схема запчастей Komatsu SAA6D140E-5J - ВЫПУСКН. GAS RE-CIRCULATION (EGR) КЛАПАН, EGR КЛАПАН МАСЛ. ВОЗВРАТ. ТРУБЫ (№7-) ВЫПУСКН. GAS RE-CIRCULATION (EGR) КЛАПАН
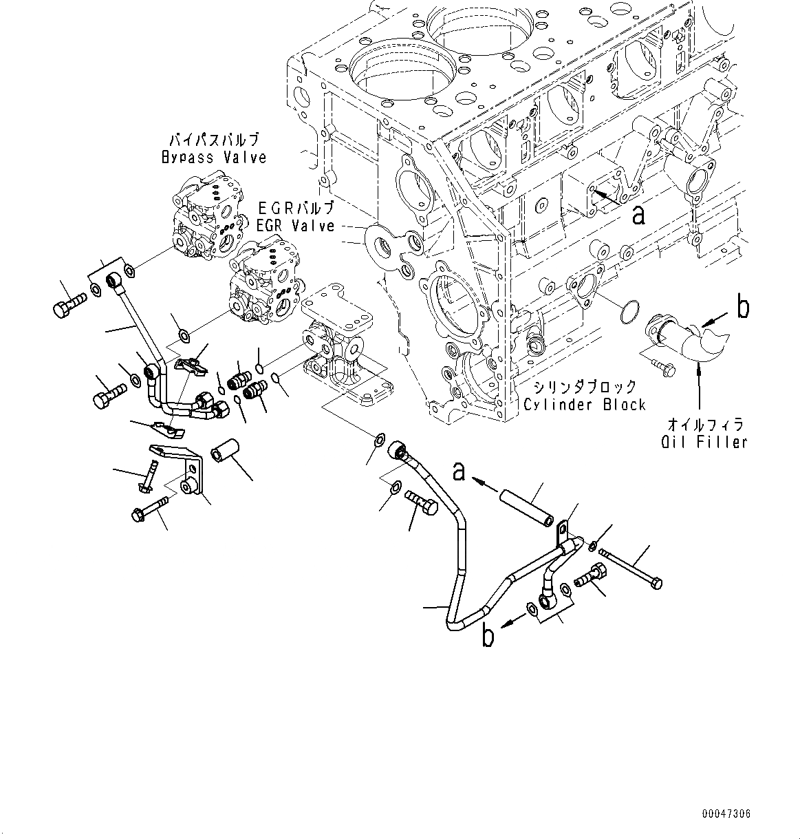
1
2
3
4
5
6
7
8
9
10
11
12
13
14
15
16
17
18
19
20
7
6
20
19
10
9
8
20
6
FIT
1:1
100%

Артикул

Название

Примечание

Количество

1

6166-75-6821

Clamp, half

SN: 535703-UP

1шт.

2

6261-51-9481

Clamp, half

SN: 535703-UP

1шт.

3

6261-51-9610

Tube, Bypass Valve

SN: 535703-UP

1шт.

4

6261-51-9510

Tube, Control Valve

SN: 535703-UP

1шт.

5

01435-00840

Bolt

SN: 535703-UP

1шт.

6

07005-01412

Seal, Washer

SN: 535703-UP

4шт.

7

07206-31014

Bolt, Joint

SN: 535703-UP

2шт.

8

02781-0031D

Nipple

SN: 535703-UP

2шт.

9

02896-21009

O-ring

SN: 535703-UP

2шт.

10

07002-21423

O-ring

SN: 535703-UP

2шт.

11

6261-51-9640

Bracket

SN: 535703-UP

1шт.

12

6206-11-4490

Spacer

SN: 535703-UP

1шт.

13

01435-01060

Bolt

SN: 535703-UP

1шт.

14

6261-51-9530

Tube, Return

SN: 535703-UP

1шт.

15

6162-63-8820

Clip

SN: 535703-UP

1шт.

16

01011-81020

Bolt

SN: 535703-UP

1шт.

17

01643-31032

Washer

SN: 535703-UP

1шт.

18

6217-11-9841

Spacer

SN: 535703-UP

1шт.

19

07206-31216

Bolt, Joint

SN: 535703-UP

2шт.

20

07005-01612

Seal, Washer

SN: 535703-UP

4шт.

Выбрано товаров: 20