Запчасти Komatsu SAA6D140E-5J ДВИГАТЕЛЬ МАСЛ. ФИЛЬТР (№9-) ДВИГАТЕЛЬ МАСЛ. ФИЛЬТР

Схема запчастей Komatsu SAA6D140E-5J - ДВИГАТЕЛЬ МАСЛ. ФИЛЬТР (№9-) ДВИГАТЕЛЬ МАСЛ. ФИЛЬТР
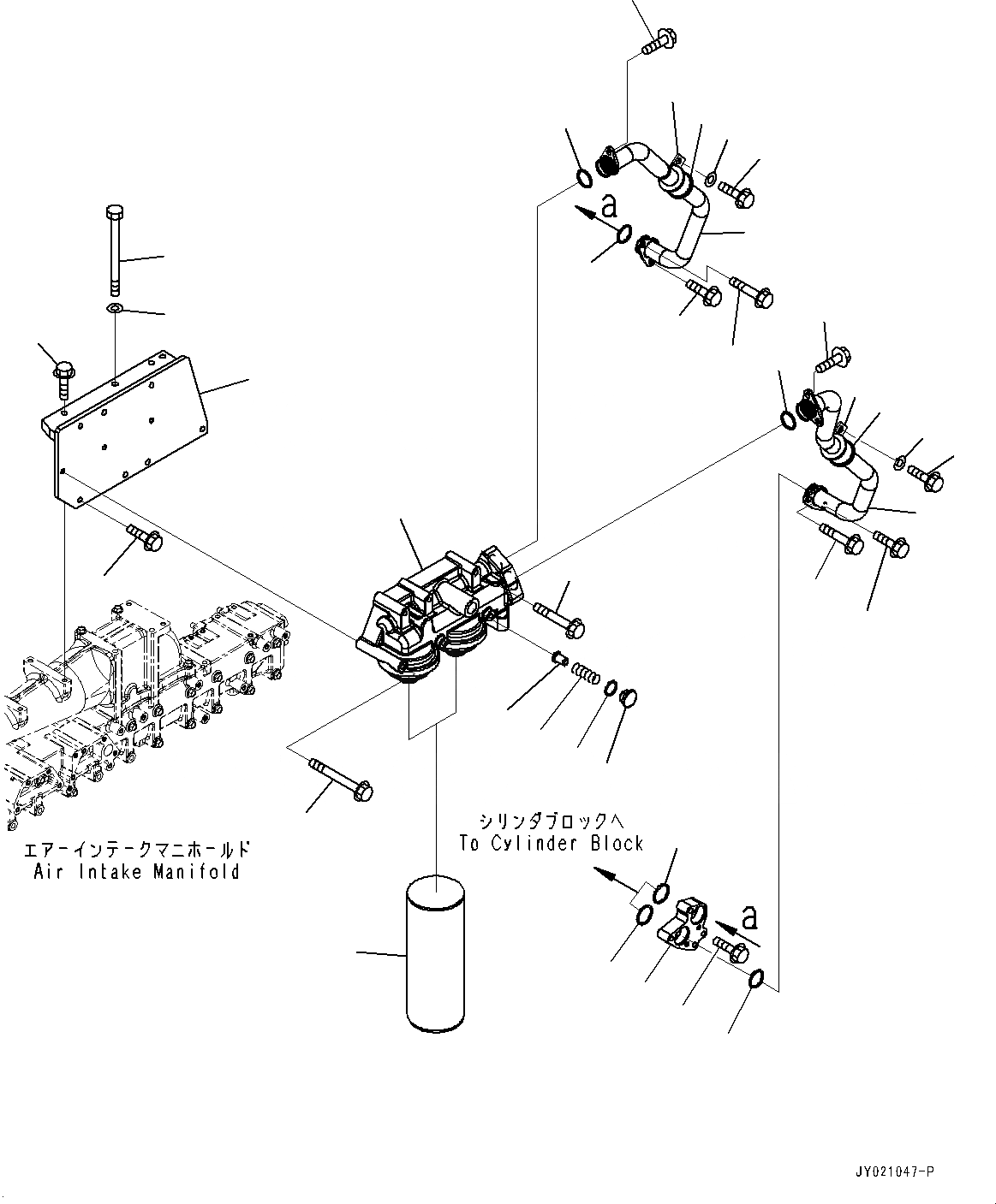
1
2
3
4
5
6
7
8
9
10
11
12
13
14
15
16
18
20
21
22
23
24
25
26
27
13
16
14
15
17
11
17
19
18
21
22
12
FIT
1:1
100%

Артикул

Название

Примечание

Количество

|$0

6261-51-6701

Head Assembly

SN: 539055-UP

1шт.

1

6261-51-6711

Head

SN: 539055-UP

1шт.

2

6217-51-5660

Cap

SN: 539055-UP

1шт.

3

6162-55-5230

Valve

SN: 539055-UP

1шт.

4

6162-53-5430

Packing

SN: 539055-UP

1шт.

5

600-211-1890

Spring

SN: 539055-UP

1шт.

6

600-211-1340

Cartridge

SN: 539055-UP

2шт.

7

01436-01005

Bolt

SN: 539055-UP

3шт.

8

01436-01040

Bolt

SN: 539055-UP

3шт.

9

6261-51-6330

Tube

SN: 539055-UP

1шт.

10

6261-51-6340

Tube, Return

SN: 539055-UP

1шт.

11

07000-73034

O-ring

SN: 539055-UP

2шт.

12

01435-01025

Bolt

SN: 539055-UP

4шт.

13

6165-61-6770

Clip

SN: 539055-UP

2шт.

14

6261-51-5751

Cushion

SN: 539055-UP

2шт.

15

01435-01020

Bolt

SN: 539055-UP

2шт.

16

01643-31032

Washer

SN: 539055-UP

2шт.

17

07000-73038

O-ring

SN: 539055-UP

2шт.

18

07000-73034

O-ring

SN: 539055-UP

2шт.

19

6261-51-5180

Flange

SN: 539055-UP

1шт.

20

01435-01045

Bolt

SN: 539055-UP

2шт.

21

01435-01050

Bolt

SN: 539055-UP

2шт.

22

01435-01020

Bolt

SN: 539055-UP

2шт.

23

6261-51-6371

Bracket

SN: 539055-UP

1шт.

24

700-26-11122

Bolt

SN: 539055-UP

2шт.

25

01643-31032

Washer

SN: 539055-UP

2шт.

26

01435-01025

Bolt

SN: 539055-UP

4шт.

27

01435-01035

Bolt

SN: 539055-UP

1шт.

Выбрано товаров: 28