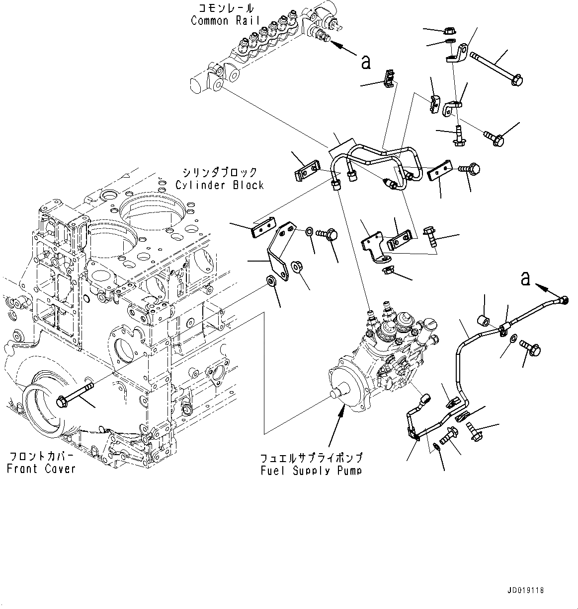
Запчасти Komatsu SAA6D140E-5J ТОПЛИВН. НАСОС, ТОПЛИВОПРОВОД. (№7-) ТОПЛИВН. НАСОС

Схема запчастей Komatsu SAA6D140E-5J - ТОПЛИВН. НАСОС, ТОПЛИВОПРОВОД. (№7-) ТОПЛИВН. НАСОС
11
19
8
9
20
6
16
17
7
13
27
29
28
25
24
24
23
29
26
21
22
10
19
4
3
18
12
3
2
5
19
1
15
14
3
FIT
1:1
100%

Артикул

Название

Примечание

Количество

1

6110-23-6490

Spacer

SN: 535703-UP

1шт.

2

6217-71-5171

Clamp

SN: 535703-UP

1шт.

3

6217-71-5211

Clamp

SN: 535703-UP

3шт.

4

6217-71-5281

Bracket

SN: 535703-UP

1шт.

5

6261-71-5440

Bracket

SN: 535703-UP

1шт.

6

6217-71-6640

Clamp

SN: 535703-UP

1шт.

7

6217-71-6650

Clamp

SN: 535703-UP

1шт.

8

6261-71-5670

Bracket

SN: 535703-UP

1шт.

9

6261-71-5690

Bracket

SN: 535703-UP

1шт.

10

6261-71-4112

Tube, Supply

SN: 535905-UP

2шт.

10

6261-71-4111

Tube, Supply

SN: 535703-535904

2шт.

11

01436-01010

Bolt

SN: 535703-UP

1шт.

12

01435-00630

Bolt

SN: 535703-UP

2шт.

13

01435-00635

Bolt

SN: 535703-UP

1шт.

14

01643-30823

Washer

SN: 535703-UP

2шт.

15

01435-00640

Bolt

SN: 535703-UP

2шт.

16

01435-01035

Bolt

SN: 535703-UP

1шт.

17

01643-31032

Washer

SN: 535703-UP

1шт.

18

01435-01025

Bolt

SN: 535703-UP

1шт.

19

01584-01008

Nut

SN: 535703-UP

3шт.

20

01436-01080

Bolt

SN: 535703-UP

1шт.

21

175-79-83760

Spacer

SN: 535703-UP

1шт.

22

6210-51-8320

Clip

SN: 535703-UP

1шт.

23

6261-71-5411

Tube, Over Flow

SN: 535703-UP

1шт.

24

6217-71-6650

Clamp, Half

SN: 535703-UP

2шт.

25

01435-00630

Bolt

SN: 535703-UP

1шт.

26

01435-01040

Bolt

SN: 535703-UP

1шт.

27

6210-51-8320

Clip

SN: 535703-UP

1шт.

28

01435-01020

Bolt

SN: 535703-UP

1шт.

29

01643-31032

Washer

SN: 535703-UP

2шт.

Выбрано товаров: 30