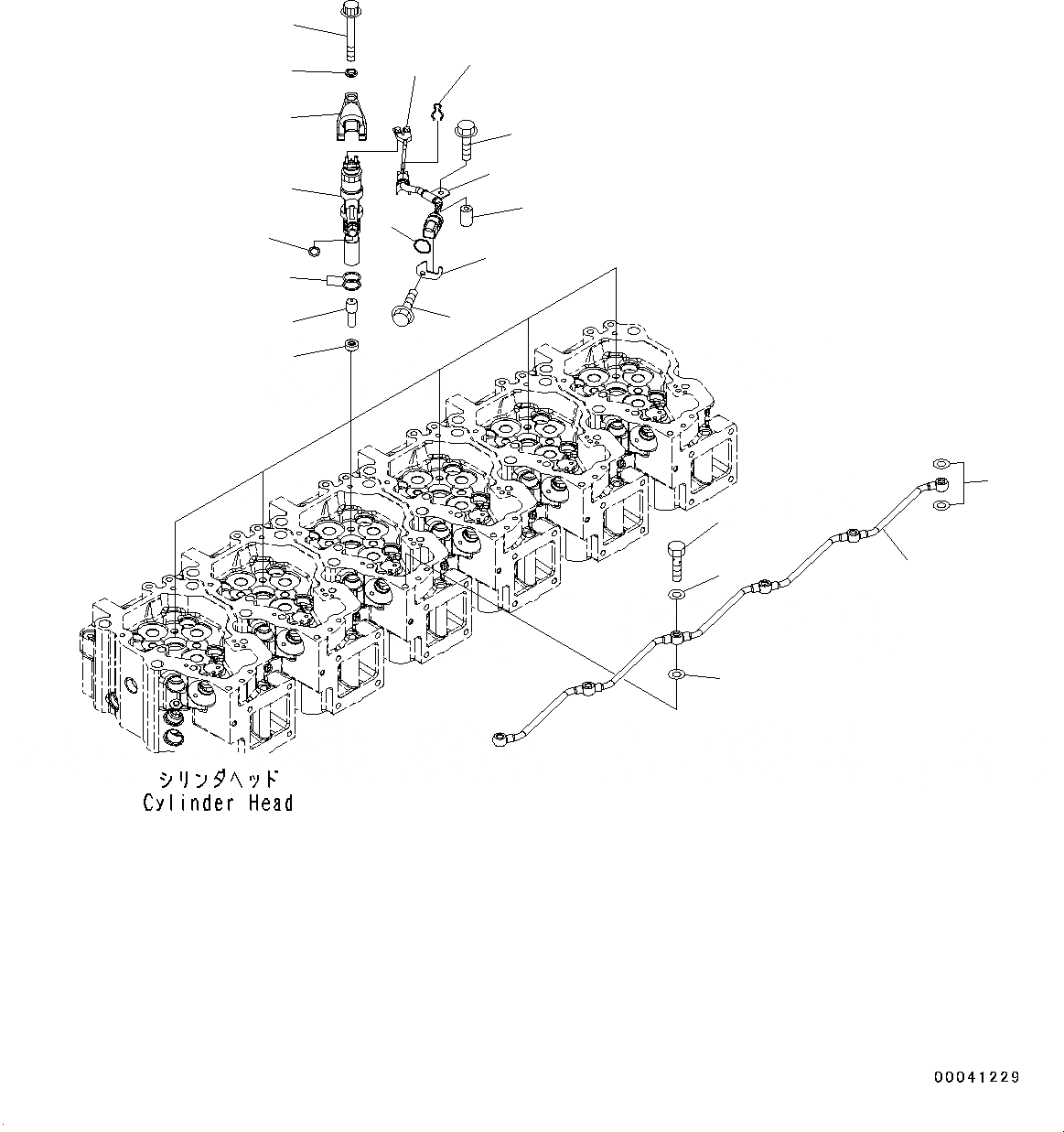
Запчасти Komatsu SAA6D140E-5J ТОПЛИВН. ФОРСУНКА (№7-) ТОПЛИВН. ФОРСУНКА

Схема запчастей Komatsu SAA6D140E-5J - ТОПЛИВН. ФОРСУНКА (№7-) ТОПЛИВН. ФОРСУНКА
1
2
3
4
5
6
7
8
9
10
11
12
13
14
15
16
17
18
19
3
3
FIT
1:1
100%

Артикул

Название

Примечание

Количество

1

6217-71-7110

Tube, Spill

SN: 535703-UP

1шт.

2

6934-72-7190

Bolt, Joint

SN: 535703-UP

5шт.

3

07005-01012

Seal, Washer

SN: 535703-UP

12шт.

4

6261-81-9280

Wiring Harness

SN: 535703-UP

6шт.

5

07000-E2018

O-ring

SN: 535703-UP

6шт.

6

6217-71-5320

Plate

SN: 535703-UP

6шт.

7

01435-00610

Bolt

SN: 535703-UP

6шт.

8

6217-71-5340

Clamp

SN: 535703-UP

6шт.

9

6217-71-1150

Clamp

SN: 535703-UP

6шт.

10

6217-71-1170

Spacer

SN: 535703-UP

6шт.

11

01435-00635

Bolt

SN: 535703-UP

6шт.

12

6217-71-1161

Holder

SN: 535703-UP

6шт.

13

6261-71-6150

Gasket

SN: 535703-UP

6шт.

|$13

6261-11-3100

Fuel Injector Assembly

SN: 535703-UP

6шт.

14

Holder

SN: 535703-UP

1шт.

15

Nozzle

SN: 535703-UP

1шт.

16

01437-01070

Bolt

SN: 535703-UP

6шт.

17

6219-71-1150

O-ring

SN: 535703-UP

12шт.

18

6219-71-1160

O-ring

SN: 535703-UP

6шт.

19

6217-71-1140

Washer

SN: 535703-UP

6шт.

Выбрано товаров: 0