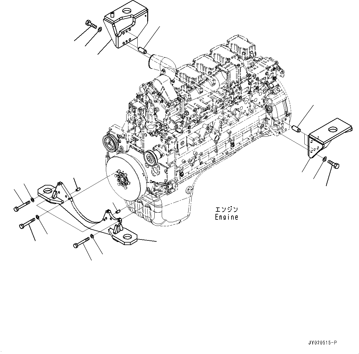
Запчасти Komatsu SAA6D140E-5JR ДВИГАТЕЛЬ СУППОРТ (№99-) ДВИГАТЕЛЬ СУППОРТ

Схема запчастей Komatsu SAA6D140E-5JR - ДВИГАТЕЛЬ СУППОРТ (№99-) ДВИГАТЕЛЬ СУППОРТ
4
2
4
3
4
2
5
5
1
9
6
10
8
9
7
10
8
FIT
1:1
100%

Артикул

Название

Примечание

Количество

1

6218-21-3713

Bracket

SN: 631995-UP

1шт.

2

01011-81215

Bolt

SN: 631995-UP

4шт.

3

01011-81210

Bolt

SN: 631995-UP

3шт.

4

01643-31232

Washer

SN: 631995-UP

7шт.

5

04020-01434

Pin, Dowel

SN: 631995-UP

2шт.

6

6262-21-4910

Bracket

SN: 631995-UP

1шт.

7

6262-21-4920

Bracket

SN: 631995-UP

1шт.

8

04020-01434

Pin, Dowel

SN: 631995-UP

4шт.

9

01010-61645

Bolt

SN: 631995-UP

8шт.

10

01643-31645

Washer

SN: 631995-UP

8шт.

Выбрано товаров: 10