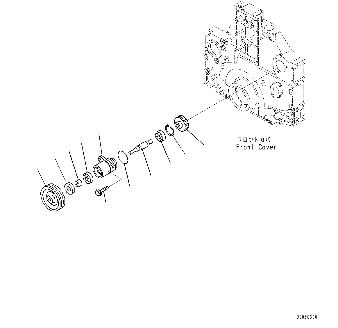
Запчасти Komatsu SAA6D140E-5RF ПЕРЕДН. МЕХ-М ОТБОРА МОЩНОСТИ (PTO) (№8-) ПЕРЕДН. МЕХ-М ОТБОРА МОЩНОСТИ (PTO)

Схема запчастей Komatsu SAA6D140E-5RF - ПЕРЕДН. МЕХ-М ОТБОРА МОЩНОСТИ (PTO) (№8-) ПЕРЕДН. МЕХ-М ОТБОРА МОЩНОСТИ (PTO)
6
5
3
1
2
9
10
4
11
8
7
FIT
1:1
100%

Артикул

Название

Примечание

Количество

|$0

6217-21-3504

PTO Assembly

SN: 632068-UP

1шт.

1

6218-21-3861

Pulley, Non Hardening

SN: 632068-UP

1шт.

2

6217-21-3540

Gear

SN: 632068-UP

1шт.

3

06340-06204

Bearing, Ball

SN: 632068-UP

1шт.

4

06340-06304

Bearing, Ball

SN: 632068-UP

1шт.

5

04065-04718

Ring, Snap

SN: 632068-UP

1шт.

6

6218-21-3831

Spacer

SN: 632068-UP

1шт.

7

6261-21-3881

Seal, Oil

SN: 632068-UP

1шт.

8

6218-21-3811

Housing

SN: 632068-UP

1шт.

9

6218-21-3820

Shaft

SN: 632068-UP

1шт.

10

07000-02060

O-ring

SN: 632068-UP

1шт.

11

01435-01030

Bolt

SN: 632068-UP

3шт.

Выбрано товаров: 12