Качественные детали и логистика
Оригинальные и аналоговые запчасти с доставкой по России, Казахстану и Беларуси
©2022 PartSell ООО "Система" ИНН 2463123282 ОГРН 1212400004838
Центральный офис: г. Красноярск, Академика Киренского, д.87, пом.4
Телефон: 8 (800) 777-65-74 Email: zakaz@partsell.ru
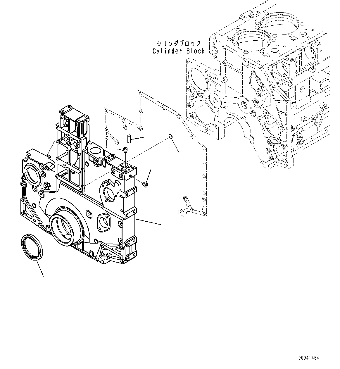
ПЕРЕДН. КРЫШКА(№8-)
№
Артикул
Название
Примечание
Количество
1
6261-21-3210
Cover,Front
SN: 632068-UP
1шт.
2
6711-21-3521
Seal,Front
3
07043-70108
Plug
4
07046-11816
Plug, Expansion
6шт.
5
07043-70211
6
04020-00820
Pin, Dowel
2шт.
Выбрано товаров: 0