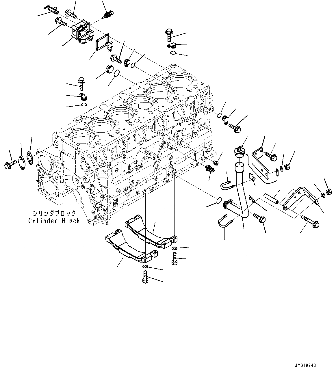
Запчасти Komatsu SAA6D140E-5RF ЭЛЕМЕНТЫ БЛОКА ЦИЛИНДРОВ (№8-) ЭЛЕМЕНТЫ БЛОКА ЦИЛИНДРОВ

Схема запчастей Komatsu SAA6D140E-5RF - ЭЛЕМЕНТЫ БЛОКА ЦИЛИНДРОВ (№8-) ЭЛЕМЕНТЫ БЛОКА ЦИЛИНДРОВ
12
11
10
34
30
33
6
7
10
11
12
13
14
15
16
17
18
19
20
21
22
23
24
25
21
19
22
20
30
32
33
34
34
1
2
3
4
5
8
9
26
27
28
29
30
31
32
34
FIT
1:1
100%

Артикул

Название

Примечание

Количество

1

6261-21-1990

Cover

SN: 632068-UP

1шт.

2

6261-21-1970

Gasket

SN: 632068-UP

1шт.

3

01435-01065

Bolt

SN: 632068-UP

4шт.

4

01435-01035

Bolt

SN: 632068-UP

1шт.

5

09482-20000

Valve, Water

SN: 632068-UP

1шт.

6

07043-70108

Plug

SN: 632068-UP

2шт.

7

6219-81-1961

Sensor Assembly,Pressure

SN: 632068-UP

1шт.

7

6219-81-1991

O-ring

SN: 632068-UP

1шт.

8

6150-21-1180

Plug

SN: 632068-UP

1шт.

9

6150-21-1190

O-ring

SN: 632068-UP

1шт.

10

6217-21-1220

Bracket

SN: 632068-UP

2шт.

11

01010-81050

Bolt

SN: 632068-UP

8шт.

12

01643-31032

Washer

SN: 632068-UP

8шт.

13

6261-21-7120

Filler,Oil

SN: 632068-UP

1шт.

14

01435-01020

Bolt

SN: 632068-UP

1шт.

15

07000-73034

O-ring

SN: 632068-UP

1шт.

16

07025-00100

Cap, Oil Filler

SN: 632068-UP

1шт.

17

6261-21-7160

Bracket

SN: 632068-UP

1шт.

18

01435-01025

Bolt

SN: 632068-UP

3шт.

19

07283-34354

Clip, Pipe

SN: 632068-UP

2шт.

20

07283-54353

Seat

SN: 632068-UP

2шт.

21

01643-31032

Washer

SN: 632068-UP

4шт.

22

01597-01009

Nut

SN: 632068-UP

4шт.

23

6261-21-7170

Bracket

SN: 632068-UP

1шт.

24

01436-01035

Bolt

SN: 632068-UP

2шт.

25

6206-81-9870

Spacer

SN: 632068-UP

2шт.

26

6261-81-6901

Sensor Assembly,Water Temperature

SN: 632068-UP

1шт.

26

6216-84-9740

Seal

SN: 632068-UP

1шт.

27

6210-21-1950

Flange

SN: 632068-UP

1шт.

28

6696-61-9921

Gasket

SN: 632068-UP

1шт.

29

01435-01225

Bolt

SN: 632068-UP

2шт.

30

6217-21-1940

Cover

SN: 632068-UP

3шт.

31

6218-21-1940

Cover

SN: 632068-UP

1шт.

32

6215-61-6630

O-ring

SN: 632068-UP

2шт.

33

07000-73025

O-ring

SN: 632068-UP

2шт.

34

01435-01020

Bolt

SN: 632068-UP

4шт.

Выбрано товаров: 36