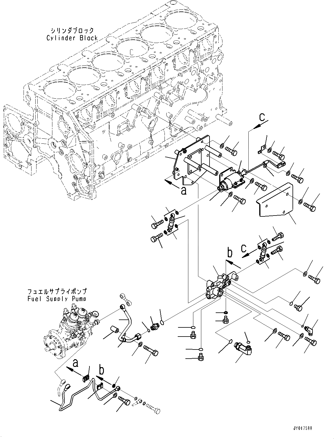
Запчасти Komatsu SAA6D140E-6A ТОПЛИВН. ФИЛЬТР., PОБОД КОЛЕСАING НАСОС (№7-) ТОПЛИВН. ФИЛЬТР.

Схема запчастей Komatsu SAA6D140E-6A - ТОПЛИВН. ФИЛЬТР., PОБОД КОЛЕСАING НАСОС (№7-) ТОПЛИВН. ФИЛЬТР.
1
2
3
4
5
6
7
10
11
12
13
14
15
16
17
18
19
20
21
22
23
24
25
26
27
28
29
32
33
34
35
36
50
52
51
26
27
30
31
25
24
24
25
23
9
8
25
24
49
48
47
46
45
44
43
42
41
40
39
38
37
38
FIT
1:1
100%

Артикул

Название

Примечание

Количество

1

6262-71-6310

Bracket

SN: 730001-UP

1шт.

2

01010-81050

Bolt

SN: 730001-UP

3шт.

3

01643-31032

Washer

SN: 730001-UP

3шт.

4

600-815-9180

Pump Assembly

SN: 730001-UP

1шт.

5

01010-81035

Bolt

SN: 730001-UP

4шт.

6

01643-31032

Washer

SN: 730001-UP

4шт.

7

600-051-2060

Clip

SN: 730001-UP

1шт.

8

01010-81020

Bolt

SN: 730001-UP

1шт.

9

01643-31032

Washer

SN: 730001-UP

1шт.

10

600-051-2060

Clip

SN: 730001-UP

1шт.

11

01010-81020

Bolt

SN: 730001-UP

1шт.

12

01643-31032

Washer

SN: 730001-UP

1шт.

13

08193-20010

Clip

SN: 730001-UP

1шт.

14

01010-81020

Bolt

SN: 730001-UP

1шт.

15

01643-31032

Washer

SN: 730001-UP

1шт.

16

6262-71-6330

Block

SN: 730001-UP

1шт.

17

01010-81080

Bolt

SN: 730001-UP

1шт.

18

01643-31032

Washer

SN: 730001-UP

1шт.

19

01010-81055

Bolt

SN: 730001-UP

1шт.

20

01643-31032

Washer

SN: 730001-UP

1шт.

21

01010-81055

Bolt

SN: 730001-UP

1шт.

22

01643-31032

Washer

SN: 730001-UP

1шт.

23

6251-71-7710

Hose, Inlet

SN: 730001-UP

2шт.

24

07206-30812

Bolt, Joint

SN: 730001-UP

4шт.

25

07005-01212

Seal, Washer

SN: 730001-UP

8шт.

26

07040-11409

Plug

SN: 730001-UP

2шт.

27

07002-11423

O-ring

SN: 730001-UP

2шт.

28

07040-11209

Plug

SN: 730001-UP

1шт.

29

07005-01212

Seal, Washer

SN: 730001-UP

1шт.

30

07040-12012

Plug

SN: 730001-UP

1шт.

31

07002-12034

O-ring

SN: 730001-UP

1шт.

32

02782-10311

Elbow

SN: 730001-UP

1шт.

33

07002-11423

O-ring

SN: 730001-UP

1шт.

34

02782-10426

Elbow

SN: 730001-UP

1шт.

35

07002-12434

O-ring

SN: 730001-UP

1шт.

36

02896-21012

O-ring

SN: 730001-UP

1шт.

37

6262-71-6250

Tube

SN: 730001-UP

1шт.

38

6217-71-6650

Clamp

SN: 730001-UP

2шт.

39

01010-80630

Bolt

SN: 730001-UP

1шт.

40

01643-30623

Washer

SN: 730001-UP

1шт.

41

07005-01212

Seal, Washer

SN: 730001-UP

1шт.

42

02781-00422

Union

SN: 730001-UP

1шт.

43

07002-12034

O-ring

SN: 730001-UP

1шт.

44

02896-21012

O-ring

SN: 730001-UP

1шт.

45

6262-71-6230

Tube

SN: 730001-UP

1шт.

46

6150-81-6920

Spacer

SN: 730001-UP

1шт.

47

600-052-3120

Clip

SN: 730001-UP

1шт.

48

01010-81065

Bolt

SN: 730001-UP

1шт.

49

01643-31032

Washer

SN: 730001-UP

1шт.

50

6262-71-6420

Cover

SN: 730001-UP

1шт.

51

01010-81020

Bolt

SN: 730001-UP

3шт.

52

01643-31032

Washer

SN: 730001-UP

3шт.

Выбрано товаров: 52