Запчасти Komatsu SAA6D140E-6A ГЕНЕРАТОР, FREON КОМПРЕССОР (№7-) ГЕНЕРАТОР, 9AMP, ДЛЯ СТРАН ЕС БЕЗОПАСН. REGULATION

Схема запчастей Komatsu SAA6D140E-6A - ГЕНЕРАТОР, FREON КОМПРЕССОР (№7-) ГЕНЕРАТОР, 9AMP, ДЛЯ СТРАН ЕС БЕЗОПАСН. REGULATION
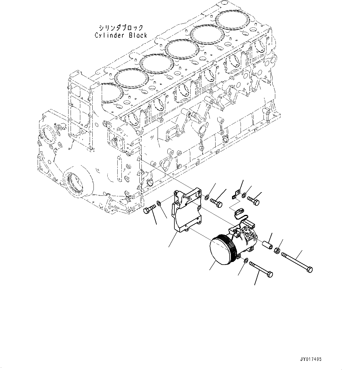
1
2
3
3
2
4
6
5
9
8
7
10
12
11
FIT
1:1
100%

Артикул

Название

Примечание

Количество

1

6262-81-6820

Bracket

SN: 730001-UP

1шт.

2

01010-81030

Bolt

SN: 730001-UP

4шт.

3

01643-31032

Washer

SN: 730001-UP

4шт.

4

14X-911-7112

Compressor Assembly

SN: 730001-UP

1шт.

5

01010-80875

Bolt

SN: 730001-UP

4шт.

6

01643-30823

Washer

SN: 730001-UP

4шт.

7

6262-61-4910

Bolt

SN: 730001-UP

1шт.

8

01580-11210

Nut

SN: 730001-UP

1шт.

9

6112-23-6961

Spacer

SN: 730001-UP

1шт.

10

08193-20010

Clip

SN: 730001-UP

1шт.

11

01010-81020

Bolt

SN: 730001-UP

1шт.

12

01643-31032

Washer

SN: 730001-UP

1шт.

Выбрано товаров: 12