Запчасти Komatsu SAA6D140E-6A ВЫПУСКН. GAS RE-CIRCULATION (EGR) КЛАПАН, ЭЛЕМЕНТЫ КРЕПЛЕНИЯ (№7-) ВЫПУСКН. GAS RE-CIRCULATION (EGR) КЛАПАН

Схема запчастей Komatsu SAA6D140E-6A - ВЫПУСКН. GAS RE-CIRCULATION (EGR) КЛАПАН, ЭЛЕМЕНТЫ КРЕПЛЕНИЯ (№7-) ВЫПУСКН. GAS RE-CIRCULATION (EGR) КЛАПАН
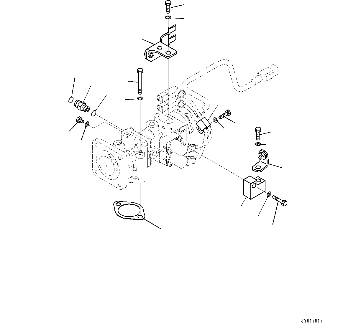
1
2
3
4
5
6
7
8
9
10
11
12
13
16
17
18
19
15
14
20
FIT
1:1
100%

Артикул

Название

Примечание

Количество

1

6166-61-6341

Gasket

SN: 730001-UP

1шт.

2

01010-81090

Bolt

SN: 730001-UP

2шт.

3

01643-31032

Washer

SN: 730001-UP

2шт.

4

6262-41-9220

Bracket

SN: 730001-UP

1шт.

5

01010-81045

Bolt

SN: 730001-UP

1шт.

6

01643-31032

Washer

SN: 730001-UP

1шт.

7

6262-41-9230

Bracket

SN: 730001-UP

1шт.

8

01010-81055

Bolt

SN: 730001-UP

1шт.

9

01643-31032

Washer

SN: 730001-UP

1шт.

10

02781-0031D

Nipple

SN: 730001-UP

2шт.

11

07002-21423

O-ring

SN: 730001-UP

2шт.

12

02896-21009

O-ring

SN: 730001-UP

2шт.

13

6262-41-9210

Bracket

SN: 730001-UP

1шт.

14

01010-81020

Bolt

SN: 730001-UP

2шт.

15

01643-31032

Washer

SN: 730001-UP

2шт.

16

600-051-2080

Clip

SN: 730001-UP

2шт.

17

01010-81020

Bolt

SN: 730001-UP

1шт.

18

01643-31032

Washer

SN: 730001-UP

1шт.

19

07040-11409

Plug

SN: 730001-UP

1шт.

20

07005-01412

Seal, Washer

SN: 730001-UP

1шт.

Выбрано товаров: 20