Запчасти Komatsu SAA6D140E-6A ТРУБОПРОВОД ВПУСКА ВОЗДУХА И СОЕДИН-Е (№7-) ТРУБОПРОВОД ВПУСКА ВОЗДУХА И СОЕДИН-Е

Схема запчастей Komatsu SAA6D140E-6A - ТРУБОПРОВОД ВПУСКА ВОЗДУХА И СОЕДИН-Е (№7-) ТРУБОПРОВОД ВПУСКА ВОЗДУХА И СОЕДИН-Е
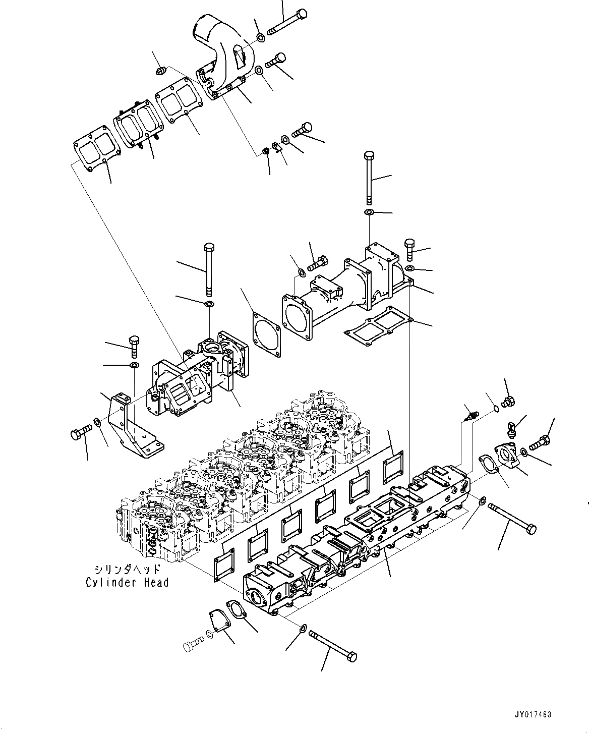
1
2
3
5
5
4
33
34
35
36
34
37
39
38
41
40
21
23
22
23
25
24
27
26
28
29
31
30
32
7
6
13
8
9
10
11
15
14
12
17
16
20
18
19
20
19
FIT
1:1
100%

Артикул

Название

Примечание

Количество

1

6262-11-4110

Manifold, Air Intake

SN: 730001-UP

1шт.

2

6210-11-4811

Gasket

SN: 730001-UP

6шт.

3

01011-81075

Bolt

SN: 730001-UP

8шт.

4

01011-81090

Bolt

SN: 730001-UP

12шт.

5

01643-31032

Washer

SN: 730001-UP

20шт.

6

6262-11-7410

Connector

SN: 730001-UP

1шт.

7

6211-11-4821

Gasket

SN: 730001-UP

1шт.

8

01011-81085

Bolt

SN: 730001-UP

1шт.

9

01643-31032

Washer

SN: 730001-UP

1шт.

10

01010-81040

Bolt

SN: 730001-UP

2шт.

11

01643-31032

Washer

SN: 730001-UP

2шт.

12

6261-11-7450

Gasket

SN: 730001-UP

1шт.

13

01010-81240

Bolt

SN: 730001-UP

4шт.

14

01643-31232

Washer

SN: 730001-UP

4шт.

15

6262-11-7210

Housing

SN: 730001-UP

1шт.

16

01011-81085

Bolt

SN: 730001-UP

4шт.

17

01643-31032

Washer

SN: 730001-UP

4шт.

18

6262-11-7290

Bracket

SN: 730001-UP

1шт.

19

01010-81030

Bolt

SN: 730001-UP

6шт.

20

01643-31032

Washer

SN: 730001-UP

6шт.

21

6262-11-4330

Connector

SN: 730001-UP

1шт.

22

600-815-3812

Heater

SN: 730001-UP

1шт.

23

6150-11-4821

Gasket

SN: 730001-UP

2шт.

24

01010-81065

Bolt

SN: 730001-UP

4шт.

25

01643-31032

Washer

SN: 730001-UP

4шт.

26

01011-81095

Bolt

SN: 730001-UP

1шт.

27

01643-31032

Washer

SN: 730001-UP

1шт.

28

6131-12-5920

Spacer

SN: 730001-UP

1шт.

29

6251-81-4811

Bracket

SN: 730001-UP

1шт.

30

01010-81080

Bolt

SN: 730001-UP

1шт.

31

01643-31032

Washer

SN: 730001-UP

1шт.

32

07042-A0108

Plug

SN: 730001-UP

1шт.

33

6262-11-4120

Block

SN: 730001-UP

1шт.

34

6212-61-6662

Gasket

SN: 730001-UP

2шт.

35

01010-81035

Bolt

SN: 730001-UP

2шт.

36

01643-31032

Washer

SN: 730001-UP

2шт.

37

6262-11-4191

Plate

SN: 730001-UP

1шт.

38

07040-11409

Plug

SN: 730001-UP

1шт.

39

07002-21423

O-ring

SN: 730001-UP

1шт.

40

6219-81-1971

Sensor Assembly

SN: 730001-UP

1шт.

40

6219-81-1991

O-ring

SN: 730001-UP

1шт.

41

6560-61-7300

Sensor Assembly

SN: 730001-UP

1шт.

41

6560-61-7310

Sensor

SN: 730001-UP

1шт.

41

6735-21-1930

O-ring

SN: 730001-UP

1шт.

Выбрано товаров: 44