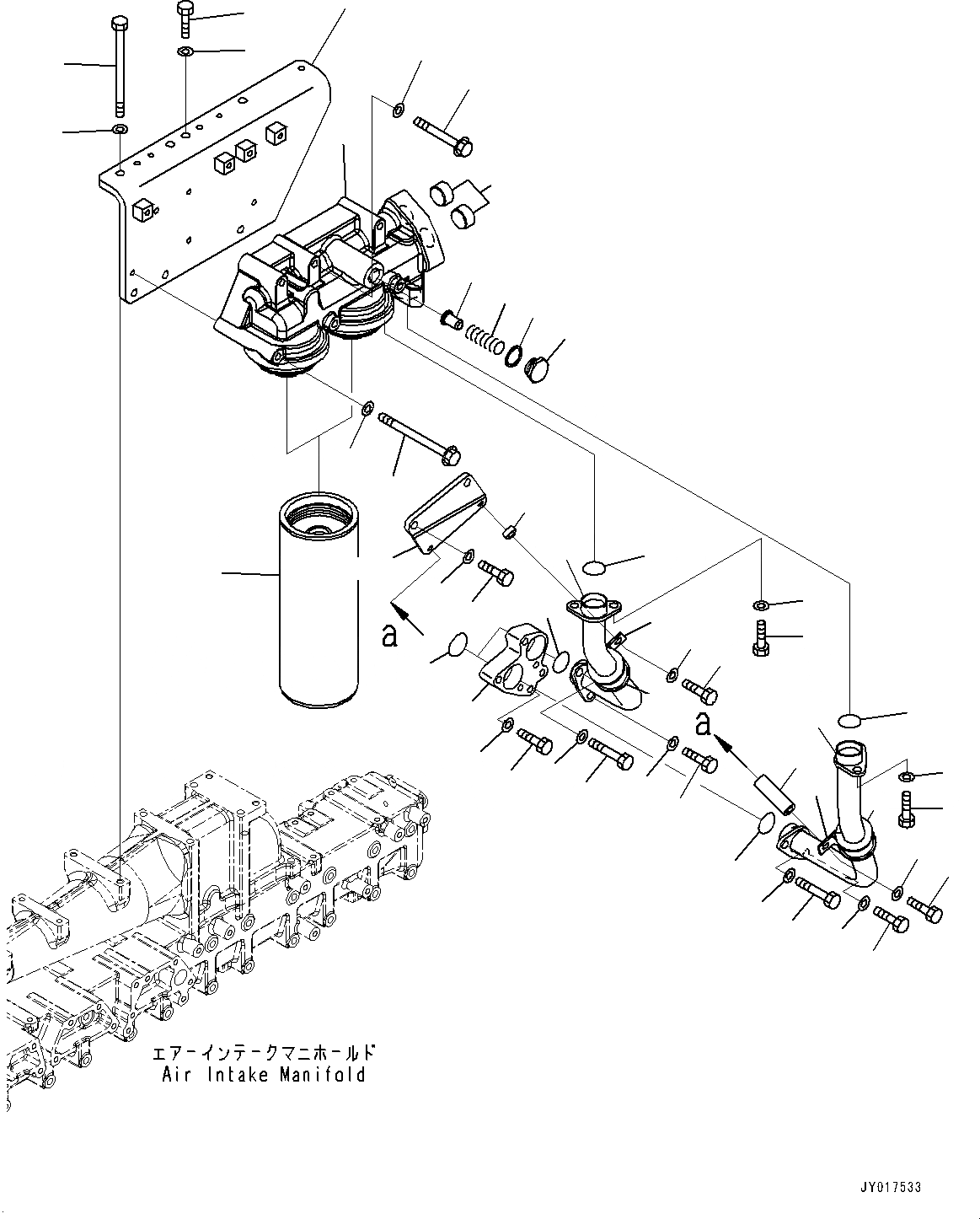
Запчасти Komatsu SAA6D140E-6A ДВИГАТЕЛЬ МАСЛ. ФИЛЬТР (№7-) ДВИГАТЕЛЬ МАСЛ. ФИЛЬТР

Схема запчастей Komatsu SAA6D140E-6A - ДВИГАТЕЛЬ МАСЛ. ФИЛЬТР (№7-) ДВИГАТЕЛЬ МАСЛ. ФИЛЬТР
6
7
8
9
10
11
15
12
13
1
2
14
14
3
5
4
18
16
37
17
25
19
20
22
21
25
27
26
33
39
38
32
29
28
23
36
35
27
26
28
29
34
30
31
25
25
30
31
33
24
32
FIT
1:1
100%

Артикул

Название

Примечание

Количество

1

6262-51-5820

Bracket

SN: 730001-UP

1шт.

2

01011-81095

Bolt

SN: 730001-UP

2шт.

3

01643-31032

Washer

SN: 730001-UP

2шт.

4

01010-81030

Bolt

SN: 730001-UP

4шт.

5

01643-31032

Washer

SN: 730001-UP

4шт.

|$5

6261-51-6601

Head Assembly, Oil Filter

SN: 730001-UP

1шт.

6

6261-51-6611

Head

SN: 730001-UP

1шт.

7

6217-51-5660

Cap

SN: 730001-UP

1шт.

8

6162-55-5230

Valve

SN: 730001-UP

1шт.

9

6162-53-5430

Packing

SN: 730001-UP

1шт.

10

600-211-1890

Spring

SN: 730001-UP

1шт.

11

6261-51-6620

Plug

SN: 730001-UP

2шт.

12

01011-81000

Bolt

SN: 730001-UP

3шт.

13

01011-81045

Bolt

SN: 730001-UP

3шт.

14

01643-31032

Washer

SN: 730001-UP

6шт.

15

600-211-1340

Cartridge

SN: 730001-UP

2шт.

16

6261-51-6140

Bracket

SN: 730001-UP

1шт.

17

01010-81030

Bolt

SN: 730001-UP

2шт.

18

01643-31032

Washer

SN: 730001-UP

2шт.

19

6261-51-5180

Flange

SN: 730001-UP

1шт.

20

07000-73038

O-ring

SN: 730001-UP

2шт.

21

01010-81050

Bolt

SN: 730001-UP

2шт.

22

01643-31032

Washer

SN: 730001-UP

2шт.

23

6261-51-6120

Tube, Inlet

SN: 730001-UP

1шт.

24

6261-51-6130

Tube, Outlet

SN: 730001-UP

1шт.

25

07000-73034

O-ring

SN: 730001-UP

4шт.

26

01010-81055

Bolt

SN: 730001-UP

2шт.

27

01643-31032

Washer

SN: 730001-UP

2шт.

28

01010-81025

Bolt

SN: 730001-UP

2шт.

29

01643-31032

Washer

SN: 730001-UP

2шт.

30

01010-81030

Bolt

SN: 730001-UP

4шт.

31

01643-31032

Washer

SN: 730001-UP

4шт.

32

6261-51-5751

Cushion

SN: 730001-UP

2шт.

33

6165-61-6770

Clip

SN: 730001-UP

2шт.

34

6211-11-9790

Spacer

SN: 730001-UP

1шт.

35

01010-81085

Bolt

SN: 730001-UP

1шт.

36

01643-31032

Washer

SN: 730001-UP

1шт.

37

417-823-1460

Spacer

SN: 730001-UP

1шт.

38

01010-81025

Bolt

SN: 730001-UP

1шт.

39

01643-31032

Washer

SN: 730001-UP

1шт.

Выбрано товаров: 40