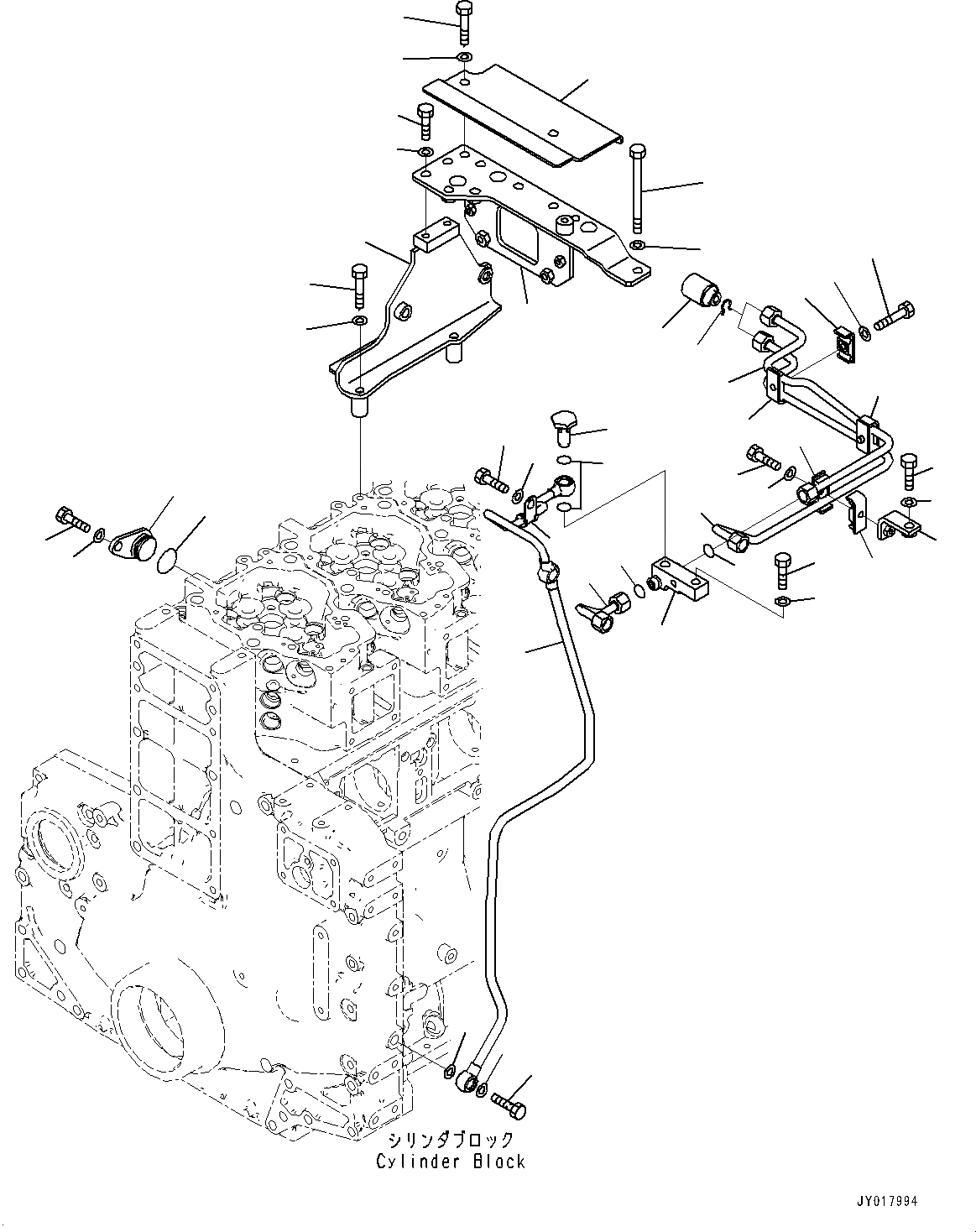
Запчасти Komatsu SAA6D140E-6C ВЫПУСКН. GAS RE-CIRCULATION (EGR) КЛАПАН, EGR КЛАПАН СИСТЕМА СМАЗКИ МАСЛОПРОВОДЯЩАЯ ЛИНИЯ ВЫПУСКН. GAS RE-CIRCULATION (EGR) КЛАПАН

Схема запчастей Komatsu SAA6D140E-6C - ВЫПУСКН. GAS RE-CIRCULATION (EGR) КЛАПАН, EGR КЛАПАН СИСТЕМА СМАЗКИ МАСЛОПРОВОДЯЩАЯ ЛИНИЯ ВЫПУСКН. GAS RE-CIRCULATION (EGR) КЛАПАН
7
8
1
4
5
6
9
10
11
12
13
14
15
16
17
18
19
20
21
24
27
31
32
33
36
37
38
39
13
22
23
24
26
25
28
29
30
30
34
35
40
41
24
2
3
3
7
8
1
4
5
6
9
10
11
12
13
14
15
16
17
18
19
20
21
24
27
31
32
33
36
37
38
39
13
22
23
24
26
25
28
29
30
30
34
35
40
41
24
2
3
3
FIT
1:1
100%

Артикул

Название

Примечание

Количество

1

6262-51-9450

Tube

SN: 730016-UP

1шт.

2

07206-31216

Bolt, Joint

SN: 730016-UP

2шт.

3

07005-01612

Seal, Washer

SN: 730016-UP

4шт.

4

600-052-3100

Clip

SN: 730016-UP

1шт.

5

01010-81020

Bolt

SN: 730016-UP

1шт.

6

01643-31032

Washer

SN: 730016-UP

1шт.

7

6262-51-8691

Plug

SN: 730016-UP

1шт.

8

02896-21015

O-Ring

SN: 730016-UP

2шт.

9

6262-51-8340

Bracket

SN: 730016-UP

1шт.

10

01010-81055

Bolt

SN: 730016-UP

2шт.

11

01643-31032

Washer

SN: 730016-UP

2шт.

12

6262-51-8660

Tee

SN: 730016-UP

1шт.

13

02896-21009

O-Ring

SN: 730016-UP

2шт.

14

01010-81035

Bolt

SN: 730016-UP

1шт.

15

01643-31032

Washer

SN: 730016-UP

1шт.

16

6262-51-8220

Tube

SN: 730016-UP

1шт.

17

6262-51-8630

Tube

SN: 730016-UP

1шт.

18

6262-51-8640

Tube

SN: 730016-UP

1шт.

19

6262-51-8350

Bracket

SN: 730016-UP

1шт.

20

6164-61-7170

Bolt

SN: 730016-UP

1шт.

21

01643-31032

Washer

SN: 730016-UP

1шт.

22

01010-81025

Bolt

SN: 730016-UP

2шт.

23

01643-31032

Washer

SN: 730016-UP

2шт.

24

6166-75-6821

Clamp, half

SN: 730016-UP

4шт.

25

01010-80840

Bolt

SN: 730016-UP

2шт.

26

01643-30823

Washer

SN: 730016-UP

2шт.

27

6262-51-8240

Bracket

SN: 730016-UP

1шт.

28

01010-81045

Bolt

SN: 730016-UP

1шт.

29

01643-31032

Washer

SN: 730016-UP

1шт.

30

6166-75-6821

Clamp, half

SN: 730016-UP

2шт.

31

01010-80840

Bolt

SN: 730016-UP

1шт.

32

01643-30823

Washer

SN: 730016-UP

1шт.

33

6262-51-8330

Cover

SN: 730016-UP

1шт.

34

01010-81055

Bolt

SN: 730016-UP

2шт.

35

01643-31032

Washer

SN: 730016-UP

2шт.

36

6262-51-8290

Cover

SN: 730016-UP

2шт.

37

6217-71-5770

Clamp

SN: 730016-UP

2шт.

38

6261-61-7280

Cover

SN: 730016-UP

1шт.

39

6261-61-7260

O-Ring

SN: 730016-UP

1шт.

40

01010-81025

Bolt

SN: 730016-UP

1шт.

41

01643-31032

Washer

SN: 730016-UP

1шт.

1

6262-51-9450

Tube

SN: 730016-UP

1шт.

2

07206-31216

Bolt, Joint

SN: 730016-UP

2шт.

3

07005-01612

Seal, Washer

SN: 730016-UP

4шт.

4

600-052-3100

Clip

SN: 730016-UP

1шт.

5

01010-81020

Bolt

SN: 730016-UP

1шт.

6

01643-31032

Washer

SN: 730016-UP

1шт.

7

6262-51-8691

Plug

SN: 730016-UP

1шт.

8

02896-21015

O-Ring

SN: 730016-UP

2шт.

9

6262-51-8340

Bracket

SN: 730016-UP

1шт.

10

01010-81055

Bolt

SN: 730016-UP

2шт.

11

01643-31032

Washer

SN: 730016-UP

2шт.

12

6262-51-8660

Tee

SN: 730016-UP

1шт.

13

02896-21009

O-Ring

SN: 730016-UP

2шт.

14

01010-81035

Bolt

SN: 730016-UP

1шт.

15

01643-31032

Washer

SN: 730016-UP

1шт.

16

6262-51-8220

Tube

SN: 730016-UP

1шт.

17

6262-51-8630

Tube

SN: 730016-UP

1шт.

18

6262-51-8640

Tube

SN: 730016-UP

1шт.

19

6262-51-8350

Bracket

SN: 730016-UP

1шт.

20

6164-61-7170

Bolt

SN: 730016-UP

1шт.

21

01643-31032

Washer

SN: 730016-UP

1шт.

22

01010-81025

Bolt

SN: 730016-UP

2шт.

23

01643-31032

Washer

SN: 730016-UP

2шт.

24

6166-75-6821

Clamp, half

SN: 730016-UP

4шт.

25

01010-80840

Bolt

SN: 730016-UP

2шт.

26

01643-30823

Washer

SN: 730016-UP

2шт.

27

6262-51-8240

Bracket

SN: 730016-UP

1шт.

28

01010-81045

Bolt

SN: 730016-UP

1шт.

29

01643-31032

Washer

SN: 730016-UP

1шт.

30

6166-75-6821

Clamp, half

SN: 730016-UP

2шт.

31

01010-80840

Bolt

SN: 730016-UP

1шт.

32

01643-30823

Washer

SN: 730016-UP

1шт.

33

6262-51-8330

Cover

SN: 730016-UP

1шт.

34

01010-81055

Bolt

SN: 730016-UP

2шт.

35

01643-31032

Washer

SN: 730016-UP

2шт.

36

6262-51-8290

Cover

SN: 730016-UP

2шт.

37

6217-71-5770

Clamp

SN: 730016-UP

2шт.

38

6261-61-7280

Cover

SN: 730016-UP

1шт.

39

6261-61-7260

O-Ring

SN: 730016-UP

1шт.

40

01010-81025

Bolt

SN: 730016-UP

1шт.

41

01643-31032

Washer

SN: 730016-UP

1шт.

Выбрано товаров: 82