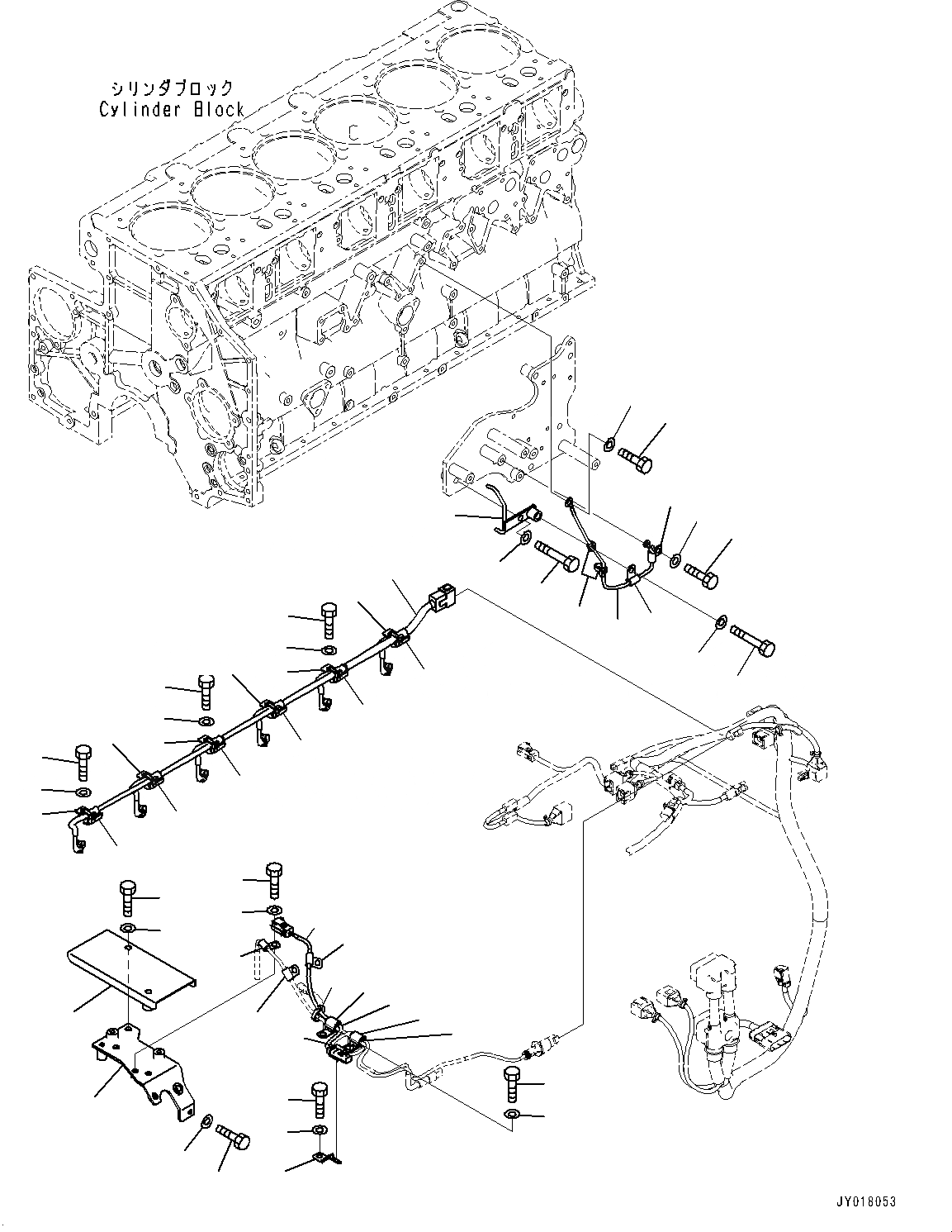
Запчасти Komatsu SAA6D140E-6C ПРОВОДКА, (/) (№7-) ПРОВОДКА

Схема запчастей Komatsu SAA6D140E-6C - ПРОВОДКА, (/) (№7-) ПРОВОДКА
19
23
24
20
21
22
22
25
27
28
26
29
31
32
33
34
35
36
38
37
30
31
30
1
4
5
6
7
8
9
10
11
12
13
2
3
14
15
16
17
18
17
16
15
18
17
16
15
15
18
18
18
18
15
15
19
23
24
20
21
22
22
25
27
28
26
29
31
32
33
34
35
36
38
37
30
31
30
1
4
5
6
7
8
9
10
11
12
13
2
3
14
15
16
17
18
17
16
15
18
17
16
15
15
18
18
18
18
15
15
FIT
1:1
100%

Артикул

Название

Примечание

Количество

1

6261-81-8560

Wiring Harness

SN: 730016-UP

1шт.

2

01010-81020

Bolt

SN: 730016-UP

1шт.

3

01643-31032

Washer

SN: 730016-UP

1шт.

4

6262-81-8430

Bracket

SN: 730016-UP

1шт.

5

01010-81055

Bolt

SN: 730016-UP

1шт.

6

01643-31032

Washer

SN: 730016-UP

1шт.

7

600-051-2060

Clip

SN: 730016-UP

1шт.

8

01010-81020

Bolt

SN: 730016-UP

1шт.

9

01643-31032

Washer

SN: 730016-UP

1шт.

10

600-051-2060

Clip

SN: 730016-UP

1шт.

11

01010-81045

Bolt

SN: 730016-UP

1шт.

12

01643-31032

Washer

SN: 730016-UP

1шт.

13

6218-81-8490

Band

SN: 730016-UP

2шт.

14

6262-81-8120

Wiring Harness

SN: 730016-UP

1шт.

15

6262-81-8190

Bracket

SN: 730016-UP

6шт.

16

01010-80825

Bolt

SN: 730016-UP

6шт.

17

01643-30823

Washer

SN: 730016-UP

6шт.

18

6218-81-8490

Band

SN: 730016-UP

6шт.

19

6262-81-8420

Bracket

SN: 730016-UP

1шт.

20

01010-80820

Bolt

SN: 730016-UP

1шт.

21

01643-30823

Washer

SN: 730016-UP

1шт.

22

600-051-6060

Clip

SN: 730016-UP

2шт.

23

01010-81020

Bolt

SN: 730016-UP

2шт.

24

01643-31032

Washer

SN: 730016-UP

2шт.

25

6262-81-8170

Wiring Harness

SN: 730016-UP

1шт.

26

6252-81-9640

Clip

SN: 730016-UP

1шт.

27

01010-81025

Bolt

SN: 730016-UP

1шт.

28

01643-31032

Washer

SN: 730016-UP

1шт.

29

600-051-6060

Clip

SN: 730016-UP

1шт.

30

6262-81-8690

Cushion

SN: 730016-UP

2шт.

31

600-051-2160

Clip

SN: 730016-UP

2шт.

32

600-051-2060

Clip

SN: 730016-UP

1шт.

33

01010-81025

Bolt

SN: 730016-UP

2шт.

34

01643-31032

Washer

SN: 730016-UP

2шт.

35

6218-81-8490

Band

SN: 730016-UP

1шт.

36

6262-71-7560

Cover

SN: 730016-UP

1шт.

37

01010-81060

Bolt

SN: 730016-UP

2шт.

38

01643-31032

Washer

SN: 730016-UP

2шт.

1

6261-81-8560

Wiring Harness

SN: 730016-UP

1шт.

2

01010-81020

Bolt

SN: 730016-UP

1шт.

3

01643-31032

Washer

SN: 730016-UP

1шт.

4

6262-81-8430

Bracket

SN: 730016-UP

1шт.

5

01010-81055

Bolt

SN: 730016-UP

1шт.

6

01643-31032

Washer

SN: 730016-UP

1шт.

7

600-051-2060

Clip

SN: 730016-UP

1шт.

8

01010-81020

Bolt

SN: 730016-UP

1шт.

9

01643-31032

Washer

SN: 730016-UP

1шт.

10

600-051-2060

Clip

SN: 730016-UP

1шт.

11

01010-81045

Bolt

SN: 730016-UP

1шт.

12

01643-31032

Washer

SN: 730016-UP

1шт.

13

6218-81-8490

Band

SN: 730016-UP

2шт.

14

6262-81-8120

Wiring Harness

SN: 730016-UP

1шт.

15

6262-81-8190

Bracket

SN: 730016-UP

6шт.

16

01010-80825

Bolt

SN: 730016-UP

6шт.

17

01643-30823

Washer

SN: 730016-UP

6шт.

18

6218-81-8490

Band

SN: 730016-UP

6шт.

19

6262-81-8420

Bracket

SN: 730016-UP

1шт.

20

01010-80820

Bolt

SN: 730016-UP

1шт.

21

01643-30823

Washer

SN: 730016-UP

1шт.

22

600-051-6060

Clip

SN: 730016-UP

2шт.

23

01010-81020

Bolt

SN: 730016-UP

2шт.

24

01643-31032

Washer

SN: 730016-UP

2шт.

25

6262-81-8170

Wiring Harness

SN: 730016-UP

1шт.

26

6252-81-9640

Clip

SN: 730016-UP

1шт.

27

01010-81025

Bolt

SN: 730016-UP

1шт.

28

01643-31032

Washer

SN: 730016-UP

1шт.

29

600-051-6060

Clip

SN: 730016-UP

1шт.

30

6262-81-8690

Cushion

SN: 730016-UP

2шт.

31

600-051-2160

Clip

SN: 730016-UP

2шт.

32

600-051-2060

Clip

SN: 730016-UP

1шт.

33

01010-81025

Bolt

SN: 730016-UP

2шт.

34

01643-31032

Washer

SN: 730016-UP

2шт.

35

6218-81-8490

Band

SN: 730016-UP

1шт.

36

6262-71-7560

Cover

SN: 730016-UP

1шт.

37

01010-81060

Bolt

SN: 730016-UP

2шт.

38

01643-31032

Washer

SN: 730016-UP

2шт.

Выбрано товаров: 76