Запчасти Komatsu SAA6D140E-6C KOMATSU DIESEL ЧАСТЬICULATE ФИЛЬТР. (KDPF), ТРУБЫ (№7-) KOMATSU DIESEL ЧАСТЬICULATE ФИЛЬТР. (KDPF)

Схема запчастей Komatsu SAA6D140E-6C - KOMATSU DIESEL ЧАСТЬICULATE ФИЛЬТР. (KDPF), ТРУБЫ (№7-) KOMATSU DIESEL ЧАСТЬICULATE ФИЛЬТР. (KDPF)
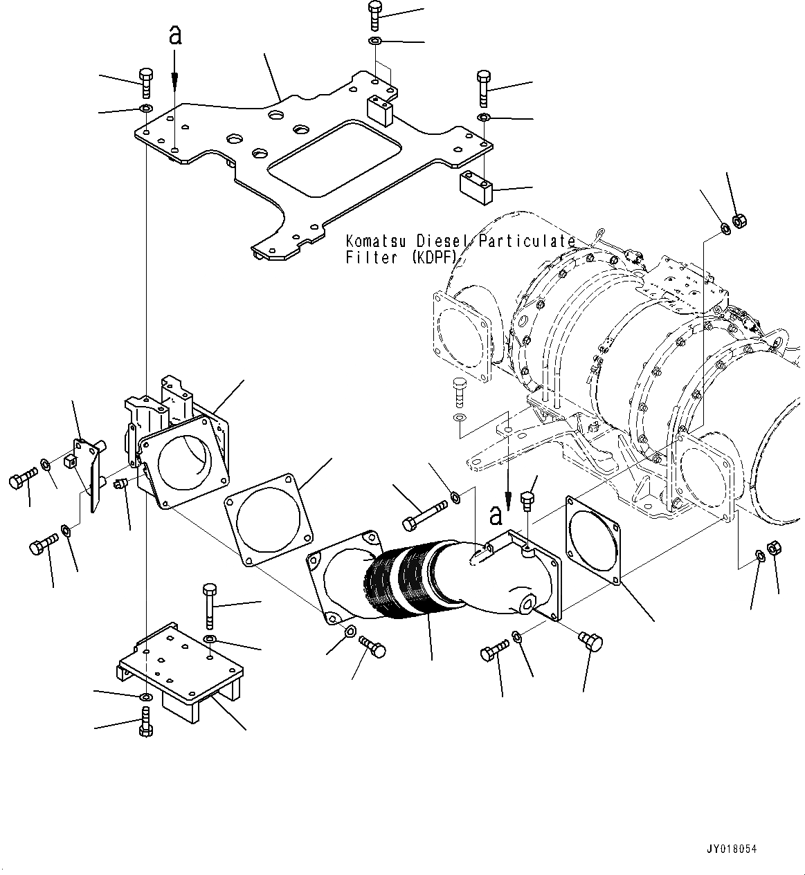
1
2
3
4
5
6
7
8
9
11
11
22
25
10
12
18
19
16
17
15
14
13
20
21
25
23
24
25
25
26
25
26
21
28
27
1
2
3
4
5
6
7
8
9
11
11
22
25
10
12
18
19
16
17
15
14
13
20
21
25
23
24
25
25
26
25
26
21
28
27
FIT
1:1
100%

Артикул

Название

Примечание

Количество

1

6262-11-5730

Bracket

SN: 730016-UP

1шт.

2

01010-E1095

Bolt

SN: 730016-UP

2шт.

3

01643-31032

Washer

SN: 730016-UP

2шт.

4

6262-11-5530

Elbow

SN: 730016-UP

1шт.

5

01010-E1235

Bolt

SN: 730016-UP

4шт.

6

01643-31232

Washer

SN: 730016-UP

4шт.

7

6215-11-5920

Plug

SN: 730016-UP

1шт.

8

6262-11-5920

Cover

SN: 730016-UP

1шт.

9

01010-E1055

Bolt

SN: 730016-UP

2шт.

10

01010-E1035

Bolt

SN: 730016-UP

1шт.

11

01643-31032

Washer

SN: 730016-UP

3шт.

12

6262-11-5550

Bracket

SN: 730016-UP

1шт.

13

6262-11-5580

Plate

SN: 730016-UP

1шт.

14

01010-81285

Bolt

SN: 730016-UP

2шт.

15

01643-31232

Washer

SN: 730016-UP

2шт.

16

01010-81230

Bolt

SN: 730016-UP

2шт.

17

01643-31232

Washer

SN: 730016-UP

2шт.

18

01010-E1230

Bolt

SN: 730016-UP

4шт.

19

01643-31232

Washer

SN: 730016-UP

4шт.

20

6262-11-5650

Tube

SN: 730016-UP

1шт.

21

6262-11-5490

Gasket

SN: 730016-UP

2шт.

22

01010-E1235

Bolt

SN: 730016-UP

4шт.

23

01020-11245

Bolt, Stainless

SN: 730016-UP

2шт.

24

7700-61-1520

Bolt

SN: 730016-UP

2шт.

25

01643-31232

Washer

SN: 730016-UP

12шт.

26

01581-01210

Nut, Stainless

SN: 730016-UP

4шт.

27

6215-11-5920

Plug

SN: 730016-UP

1шт.

28

6252-11-5910

Plug

SN: 730016-UP

1шт.

1

6262-11-5730

Bracket

SN: 730016-UP

1шт.

2

01010-E1095

Bolt

SN: 730016-UP

2шт.

3

01643-31032

Washer

SN: 730016-UP

2шт.

4

6262-11-5530

Elbow

SN: 730016-UP

1шт.

5

01010-E1235

Bolt

SN: 730016-UP

4шт.

6

01643-31232

Washer

SN: 730016-UP

4шт.

7

6215-11-5920

Plug

SN: 730016-UP

1шт.

8

6262-11-5920

Cover

SN: 730016-UP

1шт.

9

01010-E1055

Bolt

SN: 730016-UP

2шт.

10

01010-E1035

Bolt

SN: 730016-UP

1шт.

11

01643-31032

Washer

SN: 730016-UP

3шт.

12

6262-11-5550

Bracket

SN: 730016-UP

1шт.

13

6262-11-5580

Plate

SN: 730016-UP

1шт.

14

01010-81285

Bolt

SN: 730016-UP

2шт.

15

01643-31232

Washer

SN: 730016-UP

2шт.

16

01010-81230

Bolt

SN: 730016-UP

2шт.

17

01643-31232

Washer

SN: 730016-UP

2шт.

18

01010-E1230

Bolt

SN: 730016-UP

4шт.

19

01643-31232

Washer

SN: 730016-UP

4шт.

20

6262-11-5650

Tube

SN: 730016-UP

1шт.

21

6262-11-5490

Gasket

SN: 730016-UP

2шт.

22

01010-E1235

Bolt

SN: 730016-UP

4шт.

23

01020-11245

Bolt, Stainless

SN: 730016-UP

2шт.

24

7700-61-1520

Bolt

SN: 730016-UP

2шт.

25

01643-31232

Washer

SN: 730016-UP

12шт.

26

01581-01210

Nut, Stainless

SN: 730016-UP

4шт.

27

6215-11-5920

Plug

SN: 730016-UP

1шт.

28

6252-11-5910

Plug

SN: 730016-UP

1шт.

Выбрано товаров: 56