Запчасти Komatsu SAA6D140E-6C KOMATSU ЗАКРЫТ.D CRANKКОРПУС ВЕНТИЛЯТОРILATION (KCCV), САПУН (№7-) KOMATSU ЗАКРЫТ.D CRANKКОРПУС ВЕНТИЛЯТОРILATION (KCCV)

Схема запчастей Komatsu SAA6D140E-6C - KOMATSU ЗАКРЫТ.D CRANKКОРПУС ВЕНТИЛЯТОРILATION (KCCV), САПУН (№7-) KOMATSU ЗАКРЫТ.D CRANKКОРПУС ВЕНТИЛЯТОРILATION (KCCV)
6
5
2
4
3
1
21
20
19
16
18
17
8
9
7
10
11
12
13
23
25
24
27
26
22
14
14
15
6
5
2
4
3
1
21
20
19
16
18
17
8
9
7
10
11
12
13
23
25
24
27
26
22
14
14
15
FIT
1:1
100%

Артикул

Название

Примечание

Количество

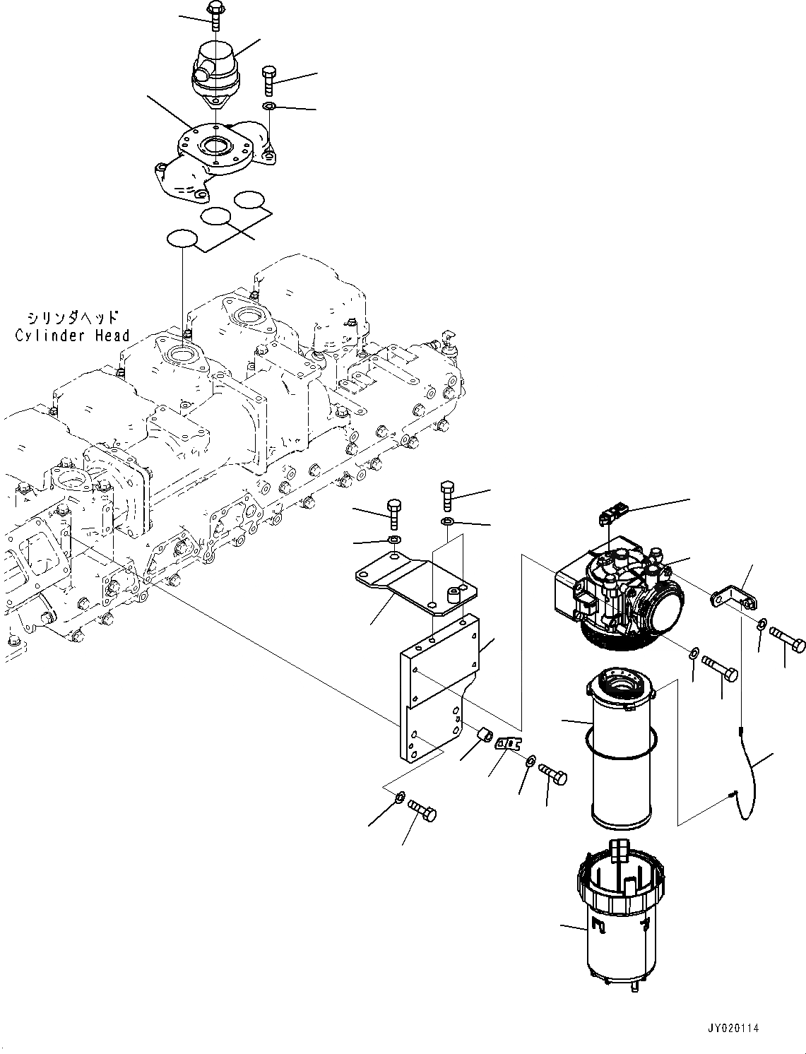
1

6262-21-7510

Connector

SN: 730016-UP

1шт.

2

07000-72060

O-ring

SN: 730016-UP

3шт.

3

01010-81035

Bolt

SN: 730016-UP

4шт.

4

01643-31032

Washer

SN: 730016-UP

4шт.

5

6212-25-8710

Breather

SN: 730016-UP

1шт.

6

01435-01025

Bolt

SN: 730016-UP

2шт.

7

6262-11-2330

Plate

SN: 730016-UP

1шт.

8

01010-81035

Bolt

SN: 730016-UP

4шт.

9

01643-31032

Washer

SN: 730016-UP

4шт.

10

6218-81-8430

Clamp

SN: 730016-UP

1шт.

11

6631-11-5630

Spacer

SN: 730016-UP

1шт.

12

01010-81035

Bolt

SN: 730016-UP

1шт.

13

01643-31032

Washer

SN: 730016-UP

1шт.

14

600-331-1110

Ventilator

SN: 730016-UP

1шт.

15

6252-11-2900

Sensor, Pressure

SN: 730016-UP

1шт.

16

600-331-1900

Element Kit

SN: 730016-UP

1шт.

17

01010-81070

Bolt

SN: 730016-UP

3шт.

18

01643-31032

Washer

SN: 730016-UP

3шт.

19

6262-81-8560

Bracket

SN: 730016-UP

1шт.

20

01010-81080

Bolt

SN: 730016-UP

1шт.

21

01643-31032

Washer

SN: 730016-UP

1шт.

22

600-331-1940

Wire Rope

SN: 730113-UP

1шт.

23

6262-11-2340

Bracket

SN: 730016-UP

1шт.

24

01010-81225

Bolt

SN: 730016-UP

2шт.

25

01643-31232

Washer

SN: 730016-UP

2шт.

26

01010-81235

Bolt

SN: 730016-UP

1шт.

27

01643-31232

Washer

SN: 730016-UP

1шт.

1

6262-21-7510

Connector

SN: 730016-UP

1шт.

2

07000-72060

O-ring

SN: 730016-UP

3шт.

3

01010-81035

Bolt

SN: 730016-UP

4шт.

4

01643-31032

Washer

SN: 730016-UP

4шт.

5

6212-25-8710

Breather

SN: 730016-UP

1шт.

6

01435-01025

Bolt

SN: 730016-UP

2шт.

7

6262-11-2330

Plate

SN: 730016-UP

1шт.

8

01010-81035

Bolt

SN: 730016-UP

4шт.

9

01643-31032

Washer

SN: 730016-UP

4шт.

10

6218-81-8430

Clamp

SN: 730016-UP

1шт.

11

6631-11-5630

Spacer

SN: 730016-UP

1шт.

12

01010-81035

Bolt

SN: 730016-UP

1шт.

13

01643-31032

Washer

SN: 730016-UP

1шт.

14

600-331-1110

Ventilator

SN: 730016-UP

1шт.

15

6252-11-2900

Sensor, Pressure

SN: 730016-UP

1шт.

16

600-331-1900

Element Kit

SN: 730016-UP

1шт.

17

01010-81070

Bolt

SN: 730016-UP

3шт.

18

01643-31032

Washer

SN: 730016-UP

3шт.

19

6262-81-8560

Bracket

SN: 730016-UP

1шт.

20

01010-81080

Bolt

SN: 730016-UP

1шт.

21

01643-31032

Washer

SN: 730016-UP

1шт.

22

600-331-1940

Wire Rope

SN: 730113-UP

1шт.

23

6262-11-2340

Bracket

SN: 730016-UP

1шт.

24

01010-81225

Bolt

SN: 730016-UP

2шт.

25

01643-31232

Washer

SN: 730016-UP

2шт.

26

01010-81235

Bolt

SN: 730016-UP

1шт.

27

01643-31232

Washer

SN: 730016-UP

1шт.

Выбрано товаров: 54