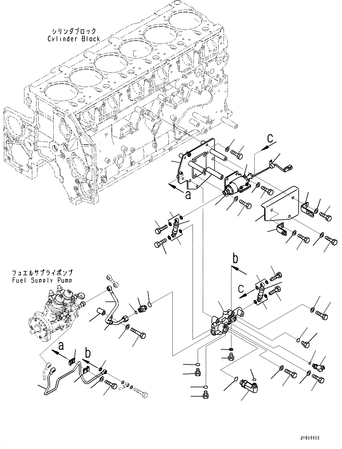
Запчасти Komatsu SAA6D140E-6C ТОПЛИВН. ФИЛЬТР., PОБОД КОЛЕСАING НАСОС (№7-) ТОПЛИВН. ФИЛЬТР.

Схема запчастей Komatsu SAA6D140E-6C - ТОПЛИВН. ФИЛЬТР., PОБОД КОЛЕСАING НАСОС (№7-) ТОПЛИВН. ФИЛЬТР.
1
2
3
4
5
6
7
11
12
13
14
15
14
15
16
17
18
19
20
21
22
25
26
27
28
29
43
51
50
19
20
23
24
18
17
17
18
16
9
8
18
17
45
44
49
47
48
46
42
41
40
39
38
37
36
35
34
33
32
31
30
31
10
1
2
3
4
5
6
7
11
12
13
14
15
14
15
16
17
18
19
20
21
22
25
26
27
28
29
43
51
50
19
20
23
24
18
17
17
18
16
9
8
18
17
45
44
49
47
48
46
42
41
40
39
38
37
36
35
34
33
32
31
30
31
10
FIT
1:1
100%

Артикул

Название

Примечание

Количество

1

6262-71-6310

Bracket

SN: 730016-UP

1шт.

2

01010-81050

Bolt

SN: 730016-UP

3шт.

3

01643-31032

Washer

SN: 730016-UP

3шт.

4

600-815-9180

Pump Assembly

SN: 730016-UP

1шт.

5

01010-81035

Bolt

SN: 730016-UP

4шт.

6

01643-31032

Washer

SN: 730016-UP

4шт.

7

600-051-2060

Clip

SN: 730016-UP

1шт.

8

01010-81020

Bolt

SN: 730016-UP

1шт.

9

01643-31032

Washer

SN: 730016-UP

1шт.

10

600-051-2060

Clip

SN: 730331-UP

1шт.

11

6262-71-6330

Block

SN: 730016-UP

1шт.

12

01010-81080

Bolt

SN: 730016-UP

1шт.

13

01643-31032

Washer

SN: 730016-UP

1шт.

14

01010-81055

Bolt

SN: 730016-UP

2шт.

15

01643-31032

Washer

SN: 730016-UP

2шт.

16

6251-71-7710

Hose, Inlet

SN: 730016-UP

2шт.

17

07206-30812

Bolt, Joint

SN: 730016-UP

4шт.

18

07005-01212

Seal, Washer

SN: 730016-UP

8шт.

19

07040-11409

Plug

SN: 730016-UP

2шт.

20

07002-11423

O-ring

SN: 730016-UP

2шт.

21

07040-11209

Plug

SN: 730016-UP

1шт.

22

07005-01212

Seal, Washer

SN: 730016-UP

1шт.

23

07040-12012

Plug

SN: 730016-UP

1шт.

24

07002-12034

O-ring

SN: 730016-UP

1шт.

25

11Y-62-12510

Elbow

SN: 730016-UP

1шт.

26

07002-11423

O-ring

SN: 730016-UP

1шт.

27

02782-10426

Elbow

SN: 730016-UP

1шт.

28

07002-12434

O-ring

SN: 730016-UP

1шт.

29

02896-21012

O-ring

SN: 730016-UP

1шт.

30

6262-71-6250

Tube

SN: 730016-UP

1шт.

31

6217-71-6650

Clamp

SN: 730016-UP

2шт.

32

01010-80630

Bolt

SN: 730016-UP

1шт.

33

01643-30623

Washer

SN: 730016-UP

1шт.

34

07005-01212

Seal, Washer

SN: 730016-UP

1шт.

35

02781-00422

Union

SN: 730016-UP

1шт.

36

07002-12034

O-ring

SN: 730016-UP

1шт.

37

02896-21012

O-ring

SN: 730016-UP

1шт.

38

6262-71-6230

Tube

SN: 730016-UP

1шт.

39

6150-81-6920

Spacer

SN: 730016-UP

1шт.

40

600-052-3120

Clip

SN: 730016-UP

1шт.

41

01010-81065

Bolt

SN: 730016-UP

1шт.

42

01643-31032

Washer

SN: 730016-UP

1шт.

43

6262-71-6420

Cover

SN: 730016-UP

1шт.

44

01010-81020

Bolt

SN: 730016-UP

1шт.

45

01643-31032

Washer

SN: 730016-UP

1шт.

46

6262-71-6460

Bracket

SN: 730016-UP

1шт.

47

01010-81025

Bolt

SN: 730016-UP

1шт.

48

01643-31032

Washer

SN: 730016-UP

1шт.

49

6262-71-6480

Plate

SN: 730016-UP

1шт.

50

01010-81025

Bolt

SN: 730016-UP

1шт.

51

01643-31032

Washer

SN: 730016-UP

1шт.

1

6262-71-6310

Bracket

SN: 730016-UP

1шт.

2

01010-81050

Bolt

SN: 730016-UP

3шт.

3

01643-31032

Washer

SN: 730016-UP

3шт.

4

600-815-9180

Pump Assembly

SN: 730016-UP

1шт.

5

01010-81035

Bolt

SN: 730016-UP

4шт.

6

01643-31032

Washer

SN: 730016-UP

4шт.

7

600-051-2060

Clip

SN: 730016-UP

1шт.

8

01010-81020

Bolt

SN: 730016-UP

1шт.

9

01643-31032

Washer

SN: 730016-UP

1шт.

10

600-051-2060

Clip

SN: 730331-UP

1шт.

11

6262-71-6330

Block

SN: 730016-UP

1шт.

12

01010-81080

Bolt

SN: 730016-UP

1шт.

13

01643-31032

Washer

SN: 730016-UP

1шт.

14

01010-81055

Bolt

SN: 730016-UP

2шт.

15

01643-31032

Washer

SN: 730016-UP

2шт.

16

6251-71-7710

Hose, Inlet

SN: 730016-UP

2шт.

17

07206-30812

Bolt, Joint

SN: 730016-UP

4шт.

18

07005-01212

Seal, Washer

SN: 730016-UP

8шт.

19

07040-11409

Plug

SN: 730016-UP

2шт.

20

07002-11423

O-ring

SN: 730016-UP

2шт.

21

07040-11209

Plug

SN: 730016-UP

1шт.

22

07005-01212

Seal, Washer

SN: 730016-UP

1шт.

23

07040-12012

Plug

SN: 730016-UP

1шт.

24

07002-12034

O-ring

SN: 730016-UP

1шт.

25

11Y-62-12510

Elbow

SN: 730016-UP

1шт.

26

07002-11423

O-ring

SN: 730016-UP

1шт.

27

02782-10426

Elbow

SN: 730016-UP

1шт.

28

07002-12434

O-ring

SN: 730016-UP

1шт.

29

02896-21012

O-ring

SN: 730016-UP

1шт.

30

6262-71-6250

Tube

SN: 730016-UP

1шт.

31

6217-71-6650

Clamp

SN: 730016-UP

2шт.

32

01010-80630

Bolt

SN: 730016-UP

1шт.

33

01643-30623

Washer

SN: 730016-UP

1шт.

34

07005-01212

Seal, Washer

SN: 730016-UP

1шт.

35

02781-00422

Union

SN: 730016-UP

1шт.

36

07002-12034

O-ring

SN: 730016-UP

1шт.

37

02896-21012

O-ring

SN: 730016-UP

1шт.

38

6262-71-6230

Tube

SN: 730016-UP

1шт.

39

6150-81-6920

Spacer

SN: 730016-UP

1шт.

40

600-052-3120

Clip

SN: 730016-UP

1шт.

41

01010-81065

Bolt

SN: 730016-UP

1шт.

42

01643-31032

Washer

SN: 730016-UP

1шт.

43

6262-71-6420

Cover

SN: 730016-UP

1шт.

44

01010-81020

Bolt

SN: 730016-UP

1шт.

45

01643-31032

Washer

SN: 730016-UP

1шт.

46

6262-71-6460

Bracket

SN: 730016-UP

1шт.

47

01010-81025

Bolt

SN: 730016-UP

1шт.

48

01643-31032

Washer

SN: 730016-UP

1шт.

49

6262-71-6480

Plate

SN: 730016-UP

1шт.

50

01010-81025

Bolt

SN: 730016-UP

1шт.

51

01643-31032

Washer

SN: 730016-UP

1шт.

Выбрано товаров: 102