Запчасти Komatsu SAA6D170E-2A-8 МЕХАНИЗМ УПРАВЛ-Я ПОДАЧЕЙ ТОПЛИВА(№789-) ДВИГАТЕЛЬ

Схема запчастей Komatsu SAA6D170E-2A-8 - МЕХАНИЗМ УПРАВЛ-Я ПОДАЧЕЙ ТОПЛИВА(№789-) ДВИГАТЕЛЬ
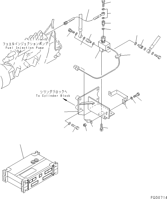
1
2
3
4
5
6
7
8
9
10
11
11
11
12
12
13
13
13
13
14
15
16
FIT
1:1
100%

Артикул

Название

Примечание

Количество

1

6162-75-4640

BRACKET

SN: 17389-UP

1шт.

2

01010-81250

BOLT

SN: 17389-UP

4шт.

3

01643-31232

WASHER

SN: 17389-UP

4шт.

4

600-815-7581

VALVE

SN: 17389-UP

1шт.

5

6215-71-9120

CLAMP

SN: 17389-UP

1шт.

6

01010-81030

BOLT

SN: 17389-UP

2шт.

7

01580-01008

NUT

SN: 17389-UP

2шт.

8

01643-31032

WASHER

SN: 17389-UP

2шт.

9

01252-30520

BOLT

SN: 17389-UP

2шт.

10

08034-00519

BAND

SN: 17389-UP

1шт.

11

6162-73-4670

NIPPLE

SN: 17389-UP

3шт.

12

07206-31014

BOLT,JOINT

SN: 17389-UP

2шт.

13

07005-01412

GASKET (K2)

SN: 17389-UP

7шт.

14

08053-01510

CLIP

SN: 17389-UP

1шт.

15

6162-75-4620

HOSE

SN: 17389-UP

1шт.

16

7818-52-1004

CONTROLLER,(CHASSIS MOUNT)

SN: 20990-UP

1шт.

16

0

CONTROLLER,(CHASSIS MOUNT)

SN: .-20989

1шт.

16

0

CONTROLLER,(CHASSIS MOUNT)

SN: 18537-.

1шт.

16

0

CONTROLLER,(CHASSIS MOUNT)

SN: 17389-18536

1шт.

Выбрано товаров: 19