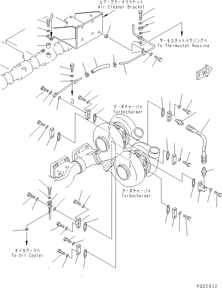
Запчасти Komatsu SAA6D170E-2A ТУРБОНАГНЕТАТЕЛЬ ВОДН. ГИДРОЛИНИЯ (ВОДН. ОХЛАЖД. СПЕЦ-Я.)(№77-788) ДВИГАТЕЛЬ

Схема запчастей Komatsu SAA6D170E-2A - ТУРБОНАГНЕТАТЕЛЬ ВОДН. ГИДРОЛИНИЯ (ВОДН. ОХЛАЖД. СПЕЦ-Я.)(№77-788) ДВИГАТЕЛЬ
1
2
2
3
4
4
4
4
5
5
5
5
5
5
5
5
6
6
6
6
6
6
6
6
6
6
7
7
7
7
7
7
7
7
8
8
9
10
11
11
12
13
13
14
14
15
16
17
18
18
19
20
21
22
23
24
25
26
26
27
28
28
29
30
30
31
32
33
33
33
FIT
1:1
100%

Артикул

Название

Примечание

Количество

1

6162-63-8621

CONNECTOR

SN: 17726-@

1шт.

2

6162-63-8631

CONNECTOR

SN: 17726-@

2шт.

3

6162-63-8641

PLATE

SN: 17726-@

1шт.

4

6162-63-8651

PLATE

SN: 17726-@

4шт.

5

6164-62-8541

GASKET

SN: 17726-@

8шт.

6

02010-70632

BOLT

SN: 17726-@

16шт.

7

01643-31032

WASHER

SN: 17726-@

14шт.

8

01640-21016

WASHER

SN: 17726-@

2шт.

9

6162-65-8730

TUBE

SN: 17726-@

1шт.

10

6127-71-5710

BOLT,JOINT

SN: 17726-@

1шт.

11

07005-01412

GASKET

SN: 17726-@

2шт.

12

07206-31216

BOLT,JOINT

SN: 17726-@

1шт.

13

07005-01612

GASKET

SN: 17726-@

2шт.

14

07214-50813

CONNECTOR

SN: 17726-@

2шт.

15

6162-53-8581

HOSE

SN: 17726-@

1шт.

16

6162-65-8760

TUBE

SN: 17726-@

1шт.

17

6162-65-8720

TUBE

SN: 17726-@

1шт.

18

04434-51010

CLIP

SN: 17726-@

2шт.

19

426-01-11310

BRACKET

SN: 17726-@

1шт.

20

01010-81250

BOLT

SN: 17726-@

1шт.

21

01643-31232

WASHER

SN: 17726-@

1шт.

22

6715-11-4450

SPACER

SN: 17726-@

1шт.

23

566-01-12350

SPACER

SN: 17726-@

1шт.

24

01010-81020

BOLT

SN: 17726-@

1шт.

25

01010-81030

BOLT

SN: 17726-@

1шт.

26

01643-31032

WASHER

SN: 17726-@

2шт.

27

07260-20910

HOSE

SN: 17726-@

1шт.

28

07281-00197

CLAMP

SN: 17726-@

2шт.

29

07206-31216

BOLT,JOINT

SN: 17726-@

1шт.

30

07005-01612

GASKET

SN: 17726-@

2шт.

31

6141-71-1710

JOINT

SN: 17726-@

1шт.

32

6127-71-5710

BOLT,JOINT

SN: 17726-@

1шт.

33

07005-01412

GASKET

SN: 17726-@

3шт.

Выбрано товаров: 33