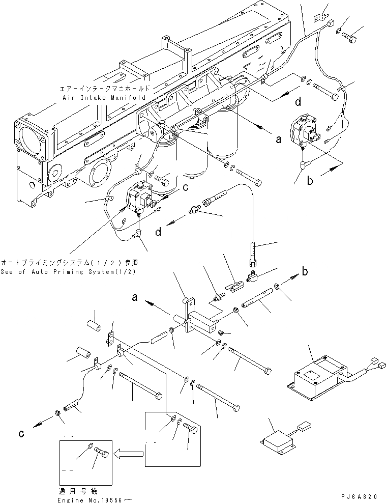
Запчасти Komatsu SAA6D170E-2C-8 АВТОМАТИЧ. ПРОКАЧИВ. СИСТЕМА (/)(№8-) ДВИГАТЕЛЬ

Схема запчастей Komatsu SAA6D170E-2C-8 - АВТОМАТИЧ. ПРОКАЧИВ. СИСТЕМА (/)(№8-) ДВИГАТЕЛЬ
1
2
3
4
5
6
7
8
9
10
11
12
13
13
13
13
14
14
15
15
16
17
18
18
18
19
19
19
20
21
21
22
23
24
24
25
26
27
28
28
29
29
29
30
31
32
33
1
2
3
4
5
6
7
8
9
10
11
12
13
13
13
13
14
14
15
15
16
17
18
18
18
19
19
19
20
21
21
22
23
24
24
25
26
27
28
28
29
29
29
30
31
32
33
FIT
1:1
100%

Артикул

Название

Примечание

Количество

1

6128-81-4840

NIPPLE

SN: 18552-20122

1шт.

2

6162-83-4791

HOSE

SN: 18552-20122

1шт.

3

6162-83-4691

BRACKET

SN: 18552-20122

1шт.

4

07043-00108

PLUG

SN: 18552-20122

1шт.

5

01011-81090

BOLT

SN: 18552-20122

2шт.

6

01602-01030

WASHER,SPRING

SN: 18552-20122

2шт.

7

01640-21016

WASHER

SN: 18552-20122

2шт.

8

6127-81-4791

ELBOW

SN: 18552-20122

1шт.

9

6128-81-4810

VALVE

SN: 18552-20122

1шт.

10

6128-81-4450

NIPPLE

SN: 18552-20122

1шт.

11

6162-83-4751

HOSE

SN: 18552-20122

1шт.

12

6162-83-4771

HOSE

SN: 18552-20122

1шт.

13

07281-00137

CLAMP

SN: 18552-20122

4шт.

14

04434-51410

CLIP

SN: 18552-20122

2шт.

15

6152-51-5520

SPACER

SN: 18552-20122

2шт.

16

700-26-11122

BOLT

SN: 18552-20122

1шт.

17

562-15-16410

BOLT

SN: 18552-20122

1шт.

18

01602-01030

WASHER,SPRING

SN: 19556-20122

2шт.

|18

01602-01030

WASHER,SPRING

SN: 18552-19555

3шт.

19

01640-21016

WASHER

SN: 19556-20122

2шт.

|19

01640-21016

WASHER

SN: 18552-19555

3шт.

20

426-01-11310

BRACKET

SN: 18552-20122

1шт.

21

01010-81016

BOLT

SN: 19556-20122

1шт.

|21

0

BOLT

SN: 18552-19555

1шт.

22

01643-31032

WASHER

SN: 19556-20122

1шт.

23

6162-85-8860

HARNESS

SN: 18552-20122

1шт.

24

6162-83-4970

CAP

SN: 18552-20122

2шт.

25

01010-81020

BOLT

SN: 18552-20122

1шт.

26

01640-21016

WASHER

SN: 18552-20122

1шт.

27

08053-01512

CLIP

SN: 18552-20122

1шт.

28

08036-11210

CLIP

SN: 18552-20122

2шт.

29

08036-00814

CLIP

SN: 18552-20122

3шт.

30

01010-81016

BOLT

SN: 18552-20122

1шт.

31

01643-31032

WASHER

SN: 18552-20122

1шт.

32

7821-04-3000

A.P.S. CONTROL UNIT

SN: 18552-20122

1шт.

33

600-815-8530

ASSISTER

SN: 18552-20122

1шт.

1

6128-81-4840

NIPPLE

SN: 18552-20122

1шт.

2

6162-83-4791

HOSE

SN: 18552-20122

1шт.

3

6162-83-4691

BRACKET

SN: 18552-20122

1шт.

4

07043-00108

PLUG

SN: 18552-20122

1шт.

5

01011-81090

BOLT

SN: 18552-20122

2шт.

6

01602-01030

WASHER,SPRING

SN: 18552-20122

2шт.

7

01640-21016

WASHER

SN: 18552-20122

2шт.

8

6127-81-4791

ELBOW

SN: 18552-20122

1шт.

9

6128-81-4810

VALVE

SN: 18552-20122

1шт.

10

6128-81-4450

NIPPLE

SN: 18552-20122

1шт.

11

6162-83-4751

HOSE

SN: 18552-20122

1шт.

12

6162-83-4771

HOSE

SN: 18552-20122

1шт.

13

07281-00137

CLAMP

SN: 18552-20122

4шт.

14

04434-51410

CLIP

SN: 18552-20122

2шт.

15

6152-51-5520

SPACER

SN: 18552-20122

2шт.

16

700-26-11122

BOLT

SN: 18552-20122

1шт.

17

562-15-16410

BOLT

SN: 18552-20122

1шт.

18

01602-01030

WASHER,SPRING

SN: 19556-20122

2шт.

|18

01602-01030

WASHER,SPRING

SN: 18552-19555

3шт.

19

01640-21016

WASHER

SN: 19556-20122

2шт.

|19

01640-21016

WASHER

SN: 18552-19555

3шт.

20

426-01-11310

BRACKET

SN: 18552-20122

1шт.

21

01010-81016

BOLT

SN: 19556-20122

1шт.

|21

0

BOLT

SN: 18552-19555

1шт.

22

01643-31032

WASHER

SN: 19556-20122

1шт.

23

6162-85-8860

HARNESS

SN: 18552-20122

1шт.

24

6162-83-4970

CAP

SN: 18552-20122

2шт.

25

01010-81020

BOLT

SN: 18552-20122

1шт.

26

01640-21016

WASHER

SN: 18552-20122

1шт.

27

08053-01512

CLIP

SN: 18552-20122

1шт.

28

08036-11210

CLIP

SN: 18552-20122

2шт.

29

08036-00814

CLIP

SN: 18552-20122

3шт.

30

01010-81016

BOLT

SN: 18552-20122

1шт.

31

01643-31032

WASHER

SN: 18552-20122

1шт.

32

7821-04-3000

A.P.S. CONTROL UNIT

SN: 18552-20122

1шт.

33

600-815-8530

ASSISTER

SN: 18552-20122

1шт.

Выбрано товаров: 72