Запчасти Komatsu SAA6D170E-2C-8 АНТИКОРРОЗ. ЭЛЕМЕНТ (/)(№8-) ДВИГАТЕЛЬ

Схема запчастей Komatsu SAA6D170E-2C-8 - АНТИКОРРОЗ. ЭЛЕМЕНТ (/)(№8-) ДВИГАТЕЛЬ
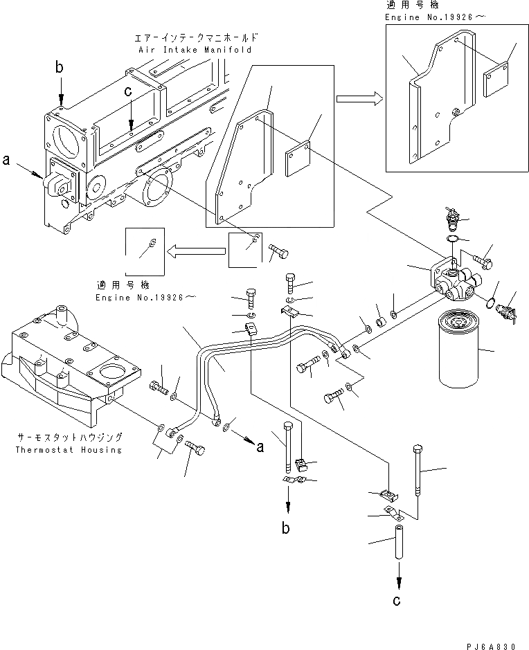
1
2
2
3
3
4
5
5
6
7
7
8
8
9
10
10
10
11
11
11
11
11
11
11
11
12
13
14
15
16
16
16
16
17
17
18
18
19
19
20
21
21
1
2
2
3
3
4
5
5
6
7
7
8
8
9
10
10
10
11
11
11
11
11
11
11
11
12
13
14
15
16
16
16
16
17
17
18
18
19
19
20
21
21
FIT
1:1
100%

Артикул

Название

Примечание

Количество

|1

600-411-2600

RESISTOR ASS'Y

SN: 18552-UP

1шт.

1

600-411-2110

HEAD

SN: 18552-UP

1шт.

2

600-411-2120

VALVE ASS'Y

SN: 18552-UP

2шт.

3

600-411-2130

GASKET

SN: 18552-UP

2шт.

4

600-411-1171

CARTRIDGE

SN: 18552-UP

1шт.

5

6162-65-8361

BRACKET

SN: 19926-UP

1шт.

|5

0

BRACKET

SN: 18552-19925

1шт.

6

01010-81030

BOLT

SN: 18552-UP

4шт.

7

01643-31032

WASHER

SN: 19926-UP

4шт.

|7

0

WASHER,SPRING

SN: 18552-19925

4шт.

8

6162-65-8121

PLATE

SN: 19926-UP

1шт.

|8

0

PLATE

SN: 18552-19925

1шт.

9

01435-01045

BOLT

SN: 19926-UP

2шт.

|9

0

BOLT

SN: 18552-19925

2шт.

10

07206-31014

BOLT,JOINT

SN: 18552-UP

3шт.

11

07005-01412

GASKET (K2)

SN: 18552-UP

9шт.

12

6162-65-8240

TUBE

SN: 18552-UP

1шт.

13

6162-65-8250

TUBE

SN: 18552-UP

1шт.

14

6151-51-8490

SPACER

SN: 18552-UP

1шт.

15

6164-11-6890

BOLT,JOINT

SN: 18552-UP

1шт.

16

6166-71-7850

CLAMP

SN: 18552-UP

4шт.

17

6115-51-7740

BRACKET

SN: 18552-UP

2шт.

18

01010-80835

BOLT

SN: 18552-UP

2шт.

19

01602-00825

WASHER,SPRING

SN: 18552-UP

2шт.

20

6207-11-5970

SPACER

SN: 18552-UP

1шт.

21

6140-14-5460

BOLT

SN: 18552-UP

2шт.

|1

600-411-2600

RESISTOR ASS'Y

SN: 18552-UP

1шт.

1

600-411-2110

HEAD

SN: 18552-UP

1шт.

2

600-411-2120

VALVE ASS'Y

SN: 18552-UP

2шт.

3

600-411-2130

GASKET

SN: 18552-UP

2шт.

4

600-411-1171

CARTRIDGE

SN: 18552-UP

1шт.

5

6162-65-8361

BRACKET

SN: 19926-UP

1шт.

|5

0

BRACKET

SN: 18552-19925

1шт.

6

01010-81030

BOLT

SN: 18552-UP

4шт.

7

01643-31032

WASHER

SN: 19926-UP

4шт.

|7

0

WASHER,SPRING

SN: 18552-19925

4шт.

8

6162-65-8121

PLATE

SN: 19926-UP

1шт.

|8

0

PLATE

SN: 18552-19925

1шт.

9

01435-01045

BOLT

SN: 19926-UP

2шт.

|9

0

BOLT

SN: 18552-19925

2шт.

10

07206-31014

BOLT,JOINT

SN: 18552-UP

3шт.

11

07005-01412

GASKET (K2)

SN: 18552-UP

9шт.

12

6162-65-8240

TUBE

SN: 18552-UP

1шт.

13

6162-65-8250

TUBE

SN: 18552-UP

1шт.

14

6151-51-8490

SPACER

SN: 18552-UP

1шт.

15

6164-11-6890

BOLT,JOINT

SN: 18552-UP

1шт.

16

6166-71-7850

CLAMP

SN: 18552-UP

4шт.

17

6115-51-7740

BRACKET

SN: 18552-UP

2шт.

18

01010-80835

BOLT

SN: 18552-UP

2шт.

19

01602-00825

WASHER,SPRING

SN: 18552-UP

2шт.

20

6207-11-5970

SPACER

SN: 18552-UP

1шт.

21

6140-14-5460

BOLT

SN: 18552-UP

2шт.

Выбрано товаров: 52