Запчасти Komatsu SAA6D170E-2C-8 ТЕРМОСТАТ(№7-) ДВИГАТЕЛЬ

Схема запчастей Komatsu SAA6D170E-2C-8 - ТЕРМОСТАТ(№7-) ДВИГАТЕЛЬ
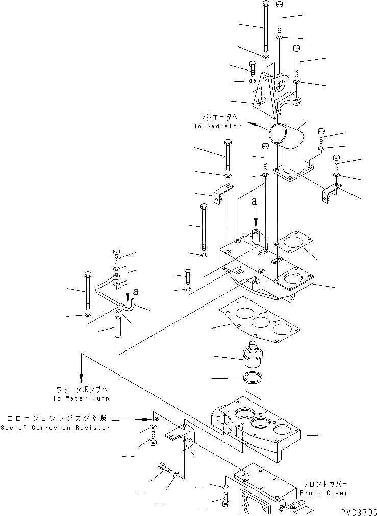
1
2
3
4
5
6
7
8
9
10
11
12
13
14
15
16
17
17
17
17
18
19
20
20
21
22
22
23
23
24
25
26
27
28
29
30
31
31
32
33
34
34
34
34
1
2
3
4
5
6
7
8
9
10
11
12
13
14
15
16
17
17
17
17
18
19
20
20
21
22
22
23
23
24
25
26
27
28
29
30
31
31
32
33
34
34
34
34
FIT
1:1
100%

Артикул

Название

Примечание

Количество

1

6162-15-6410

HOUSING,THERMOSTAT

SN: 17461-UP

1шт.

2

6162-15-6510

COVER,THERMOSTAT

SN: 17461-UP

1шт.

3

6162-15-6430

GASKET

SN: 17461-UP

1шт.

4

600-421-6630

THERMOSTAT

SN: 17461-UP

2шт.

5

6162-13-6440

SEAL,THERMOSTAT (K1)

SN: 17461-UP

2шт.

6

6162-65-8290

TUBE

SN: 17461-UP

1шт.

7

6137-11-5120

SPACER

SN: 17461-UP

1шт.

8

04434-51010

CLIP

SN: 17461-UP

1шт.

9

01011-81050

BOLT

SN: 17461-UP

1шт.

10

01602-01030

WASHER,SPRING

SN: 17461-UP

1шт.

11

07206-31014

BOLT,JOINT

SN: 17461-UP

1шт.

12

07005-01412

GASKET

SN: 17461-UP

2шт.

13

01011-81090

BOLT

SN: 17461-UP

1шт.

14

01010-81030

BOLT

SN: 17461-UP

3шт.

15

01010-81065

BOLT

SN: 17461-UP

1шт.

16

01011-81000

BOLT

SN: 17461-UP

2шт.

17

01602-01030

WASHER,SPRING

SN: 17461-UP

7шт.

18

01011-81005

BOLT

SN: 17461-UP

1шт.

19

01643-31032

WASHER

SN: 17461-UP

1шт.

20

428-35-12310

PLATE

SN: 17461-UP

2шт.

21

6162-23-6860

BRACKET

SN: 17461-UP

1шт.

22

01010-81025

BOLT

SN: 17461-UP

5шт.

23

01602-01030

WASHER,SPRING

SN: 17461-UP

5шт.

24

428-03-12113

PIPE

SN: 17461-UP

1шт.

25

6162-13-6481

GASKET (K1)

SN: 17461-UP

1шт.

26

01010-81035

BOLT

SN: 17461-UP

1шт.

27

01010-81030

BOLT

SN: 17461-UP

1шт.

28

01602-01030

WASHER,SPRING

SN: 17461-UP

1шт.

29

01643-31032

WASHER

SN: 17461-UP

1шт.

30

6162-23-3450

HANGER

SN: 17461-UP

1шт.

31

01011-81020

BOLT

SN: 17461-UP

3шт.

32

562-15-16410

BOLT

SN: 17461-UP

1шт.

33

01010-81040

BOLT

SN: 17461-UP

1шт.

34

01602-01030

WASHER,SPRING

SN: 17461-UP

5шт.

1

6162-15-6410

HOUSING,THERMOSTAT

SN: 17461-UP

1шт.

2

6162-15-6510

COVER,THERMOSTAT

SN: 17461-UP

1шт.

3

6162-15-6430

GASKET

SN: 17461-UP

1шт.

4

600-421-6630

THERMOSTAT

SN: 17461-UP

2шт.

5

6162-13-6440

SEAL,THERMOSTAT (K1)

SN: 17461-UP

2шт.

6

6162-65-8290

TUBE

SN: 17461-UP

1шт.

7

6137-11-5120

SPACER

SN: 17461-UP

1шт.

8

04434-51010

CLIP

SN: 17461-UP

1шт.

9

01011-81050

BOLT

SN: 17461-UP

1шт.

10

01602-01030

WASHER,SPRING

SN: 17461-UP

1шт.

11

07206-31014

BOLT,JOINT

SN: 17461-UP

1шт.

12

07005-01412

GASKET

SN: 17461-UP

2шт.

13

01011-81090

BOLT

SN: 17461-UP

1шт.

14

01010-81030

BOLT

SN: 17461-UP

3шт.

15

01010-81065

BOLT

SN: 17461-UP

1шт.

16

01011-81000

BOLT

SN: 17461-UP

2шт.

17

01602-01030

WASHER,SPRING

SN: 17461-UP

7шт.

18

01011-81005

BOLT

SN: 17461-UP

1шт.

19

01643-31032

WASHER

SN: 17461-UP

1шт.

20

428-35-12310

PLATE

SN: 17461-UP

2шт.

21

6162-23-6860

BRACKET

SN: 17461-UP

1шт.

22

01010-81025

BOLT

SN: 17461-UP

5шт.

23

01602-01030

WASHER,SPRING

SN: 17461-UP

5шт.

24

428-03-12113

PIPE

SN: 17461-UP

1шт.

25

6162-13-6481

GASKET (K1)

SN: 17461-UP

1шт.

26

01010-81035

BOLT

SN: 17461-UP

1шт.

27

01010-81030

BOLT

SN: 17461-UP

1шт.

28

01602-01030

WASHER,SPRING

SN: 17461-UP

1шт.

29

01643-31032

WASHER

SN: 17461-UP

1шт.

30

6162-23-3450

HANGER

SN: 17461-UP

1шт.

31

01011-81020

BOLT

SN: 17461-UP

3шт.

32

562-15-16410

BOLT

SN: 17461-UP

1шт.

33

01010-81040

BOLT

SN: 17461-UP

1шт.

34

01602-01030

WASHER,SPRING

SN: 17461-UP

5шт.

Выбрано товаров: 68