Запчасти Komatsu SAA6D170E-2D-55 ТЕРМОЗАЩИТА (/) (ДЛЯ ГЛУШИТЕЛЬ) (ТРОПИЧЕСКАЯ СПЕЦИФИКАЦИЯ)(№879-89) ДВИГАТЕЛЬ

Схема запчастей Komatsu SAA6D170E-2D-55 - ТЕРМОЗАЩИТА (/) (ДЛЯ ГЛУШИТЕЛЬ) (ТРОПИЧЕСКАЯ СПЕЦИФИКАЦИЯ)(№879-89) ДВИГАТЕЛЬ
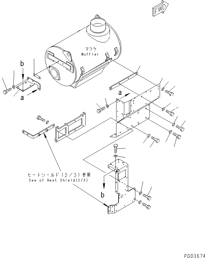
1
2
3
3
4
4
5
6
7
7
7
7
7
7
8
9
10
11
12
13
14
15
FIT
1:1
100%

Артикул

Название

Примечание

Количество

1

6162-15-7710

COVER

SN: 18791-18925

1шт.

2

6162-13-7450

PLATE

SN: 18791-@

1шт.

3

01010-E1020

BOLT

SN: 18791-@

5шт.

4

01010-E1030

BOLT

SN: 18791-@

3шт.

5

01010-E1055

BOLT

SN: 18791-@

2шт.

6

01010-E1025

BOLT

SN: 18791-18925

1шт.

7

01643-31032

WASHER

SN: 18791-@

11шт.

8

6162-13-7250

BRACKET

SN: 18791-18925

1шт.

9

01010-E1020

BOLT

SN: 18791-@

2шт.

10

01643-31032

WASHER

SN: 18791-@

2шт.

11

01010-E1025

BOLT

SN: 18791-@

4шт.

12

01643-31032

WASHER

SN: 18791-@

4шт.

13

01010-E1025

BOLT

SN: 18791-18925

1шт.

14

01643-31032

WASHER

SN: 18791-18925

1шт.

15

6162-13-7260

PLATE

SN: 18791-@

1шт.

Выбрано товаров: 15