Запчасти Komatsu SAA6D170E-2D-55 ТЕРМОСТАТ (ТРОПИЧЕСКАЯ СПЕЦИФИКАЦИЯ)(№879-) ДВИГАТЕЛЬ

Схема запчастей Komatsu SAA6D170E-2D-55 - ТЕРМОСТАТ (ТРОПИЧЕСКАЯ СПЕЦИФИКАЦИЯ)(№879-) ДВИГАТЕЛЬ
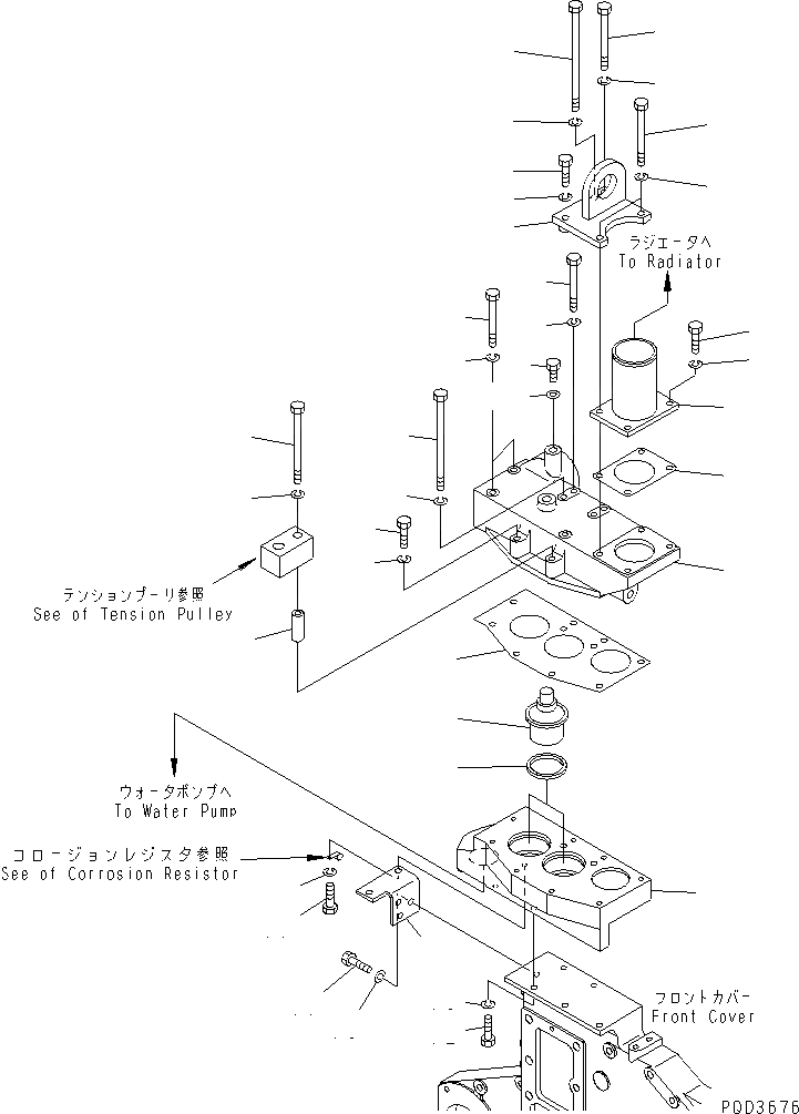
1
2
3
4
5
6
7
8
9
10
11
12
13
14
14
15
15
15
15
15
16
17
17
18
18
19
20
21
22
23
24
24
25
26
27
27
27
27
FIT
1:1
100%

Артикул

Название

Примечание

Количество

1

6162-15-6410

HOUSING

SN: 18791-UP

1шт.

2

6162-15-6520

COVER

SN: 18791-UP

1шт.

3

6162-15-6430

GASKET

SN: 18791-UP

1шт.

4

600-421-6630

THERMOSTAT

SN: 18791-UP

2шт.

5

6162-13-6440

SEAL (K1)

SN: 18791-UP

2шт.

6

6206-81-6830

SPACER

SN: 18791-UP

1шт.

7

01011-81050

BOLT

SN: 18791-UP

1шт.

8

01602-01030

WASHER,SPRING

SN: 18791-UP

1шт.

9

07040-11409

PLUG

SN: 18791-UP

1шт.

10

07005-01412

GASKET

SN: 18791-UP

1шт.

11

01011-81090

BOLT

SN: 18791-UP

1шт.

12

01010-81030

BOLT

SN: 18791-UP

3шт.

13

01010-81065

BOLT

SN: 18791-UP

1шт.

14

01011-81000

BOLT

SN: 18791-UP

3шт.

15

01602-01030

WASHER,SPRING

SN: 18791-UP

8шт.

16

6162-23-6860

BRACKET

SN: 18791-UP

1шт.

17

01010-81025

BOLT

SN: 18791-UP

5шт.

18

01602-01030

WASHER,SPRING

SN: 18791-UP

5шт.

19

6162-13-6460

PIPE

SN: 18791-UP

1шт.

20

6162-13-6481

GASKET (K1)

SN: 18791-UP

1шт.

21

01010-81030

BOLT

SN: 18791-UP

2шт.

22

01602-01030

WASHER,SPRING

SN: 18791-UP

2шт.

23

6162-23-3340

HANGER

SN: 18791-UP

1шт.

24

01011-81020

BOLT

SN: 18791-UP

3шт.

25

562-15-16410

BOLT

SN: 18791-UP

1шт.

26

01010-81040

BOLT

SN: 18791-UP

1шт.

27

01602-01030

WASHER,SPRING

SN: 18791-UP

5шт.

Выбрано товаров: 27